VUS Adjustable Intermediate Jaw for the VGP & VZP Universal Grippers
End of Arm Tooling
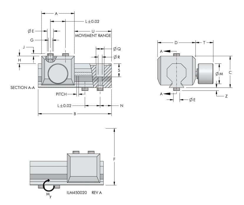
Unless otherwise stated dimensions are in mm.
Max torque and force values are based on the finger length F, gripping force, and the forces occurring during operation. Reduced forces can allow for longer finger lengths. The max finger length and max forces of the gripper itself must also be considered. The locking surfaces must be kept free of grease and oil for correct operation.
| Model No. | A | B | C | D | E | G | H | J | L | M | N | Q | R | S | T | U | Z | Pitch |
|---|---|---|---|---|---|---|---|---|---|---|---|---|---|---|---|---|---|---|
| VUS-40 | 21.5 | 41.5 | 21 | 24 | 4 | M2.5 | 5.5 | 2 | 8 | 16 | 7 | 5.5 | 3.2 | 10 | 14 | 0-20 | 2.1 | 1 |
| VUS-50 | 26 | 58 | 25 | 30 | 5 | M3 | 5.5 | 2 | 12 | 16 | 9 | 6.5 | 3.2 | 10.5 | 14 | -0.5-32.5 | 1.5 | 1.5 |
| VUS-64 | 29 | 63.5 | 31 | 36 | 6 | M4 | 8.5 | 2.5 | 13 | 16 | 10 | 8 | 4.2 | 11 | 14 | 0.8-33.8 | 1.5 | 1.5 |
| VUS-80 | 34 | 79 | 34.5 | 42 | 8 | M5 | 10 | 2.5 | 16 | 20 | 14 | 9.5 | 5.2 | 13 | 14.5 | 0.5-44.5 | 2 | 2 |
| VUS-100 | 39 | 96.5 | 39.5 | 47 | 10 | M6 | 12 | 3 | 20 | 20 | 16.5 | 10.5 | 6.6 | 10 | 14.5 | 1.3-56.3 | 2.5 | 2.5 |
| VUS-125 | 42 | 111.5 | 43 | 52 | 10 | M6 | 12.5 | 3 | 21 | 20 | 20 | 11 | 6.6 | 16 | 14.5 | -1.2-70.8 | 3 | 3 |
| VUS-160 | 58 | 142 | 52.5 | 56 | 14 | M10 | 17 | 4 | 32 | 20 | 20 | 17 | 10.2 | 12.5 | 15 | 2-82 | 4 | 4 |
| VUS-200 | 68 | 182 | 63 | 70 | 16 | M12 | 17.5 | 4 | 40 | 34 | 34 | 19 | 12.5 | 18 | 17.5 | 1-113 | 7 | 7 |