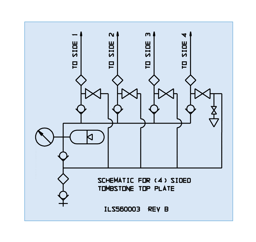
Manual Shutoff Valves Top Plate, Four-Sided
Palletized Fixture Accessories
For operation with Female Quick Connect Coupling Model No. 30-7827-66.
- Provides separate unclamp control of up to four faces of a tombstone or multi-circuit pallet for independent loading and unloading.
- Tombstone Top Plates are convenient, self-contained packages that include a quick connect coupling, manual shutoff valves, accumulator, filter screens, check valves, pressure gauge(s), and a manual pressure bleed port.
- The Four-sided Tombstone Top Plate is provided with one common pressure gauge and auxiliary ports for optional pressure gauges at each shutoff valve.
- Models available for circuits operating at 2,000-5,000 psi and 1,000-3,500 psi pressures.
NOTE: These Manual Shutoff Valve Top Plates must be used with a suitable pump which includes a 2-Position/3-Port, directional control valve for operation of single acting circuits only. Each valve on a Manual Top Plate can be used to operate only one single acting circuit. For operation of double acting circuits, see the Automatic Shutoff Valve Decouplers.
Pumps for Manual Shutoff Valve Decouplers
- A: Basic Manual Shutoff Valve Decoupler Pump: Workholding Pumps with one 2-Position/3-Port, normally closed directional control valve and 2-Position pendant switch providing Clamp-Unclamp/Disconnect control (both detented) of the palletized single acting circuit. See the pump convenience packages (Section J) for the pump model of your choice.
- B: Other Manual Shutoff Valve Decoupler Pumps: Vektek offers a matrix of pumps with a wide range of electric and hydraulic control features for use with the Manual Shutoff Decouplers to control both single and double acting circuits. Contact Vektek with your specific needs for technical support on other suitable pump configurations.
| Model No. | Pressure Range (psi.) |
|---|---|
| 56-0003-01 | 2000 - 5000 |
| 56-0003-02 | 1000 - 3500 |
You have questions? WE HAVE ANSWERS!
Use the contact button below to be connected with one of our team of experts.
