Language: EN

Self Produced Arms

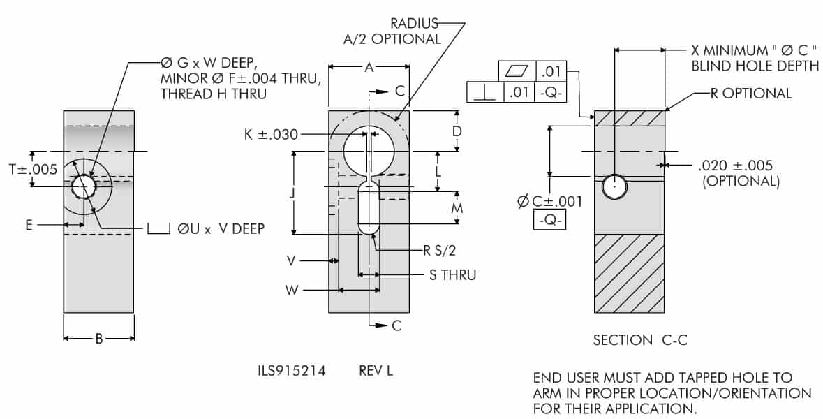
Swing Clamp Arms

 

Find suggested tapped hole location on the TuffCam™ Clocking page or on the VersaCam™ Clocking page. For arm limits, see the Swing Clamp Arms Learn More Page.

Hex head cap screw for standard, extended and double ended arms:
Arm series 91-5218-12, 91-5218-13, 91-5218-14 use cap model number 21-5000-24
Arm series 91-5221-07, 91-5221-08, 91-5221-11 use cap model number 21-5000-28

NOTE: It is recommended that the cross bolt is replaced if the arm needs to be removed after it has been in service.

Customer Produced Swing Clamp Arms

You have questions? WE HAVE ANSWERS!

Use the contact button below to be connected with one of our team of experts.