Fluid Advance Cartridge Work Supports
7 MPa Work Supports
Retracted Plunger Applications
- Available in four capacities ranging from 3.0 kN to 10 kN.
- Normally retracted plungers do not interfere with part loading. Advance them with hydraulic pressure, exerting only spring force to bring plunger into contact with the part. Hydraulic pressure then automatically sequences, freezing the plunger properly against the part.
- Choose between a High-Tension or Low-Tension Spring to fit your application.
- Floating locator that doesn’t interfere with 3-2-1 locating principles.
- Only spring force is applied to the part. Hydraulic actuation freezes the plunger without exerting any additional force on the part.
- Minimal friction wiper design keeps chips and debris out while providing smooth plunger action.
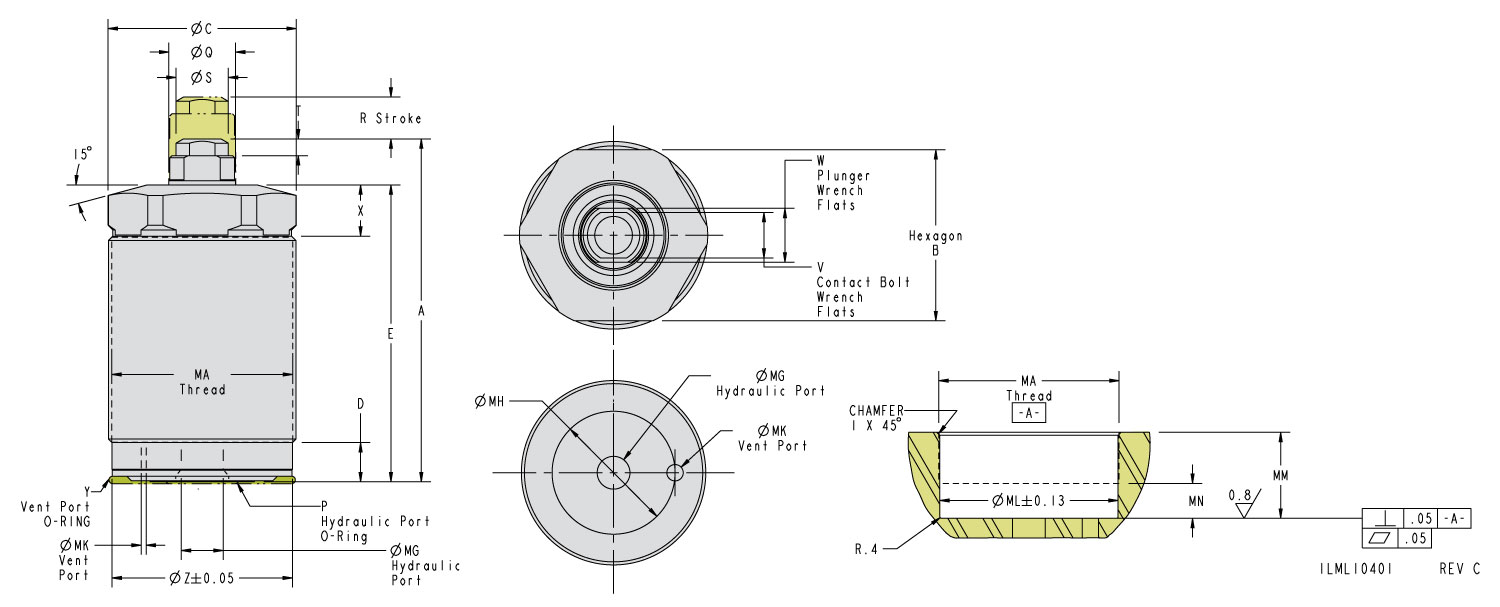
- Cartridge style work supports provide designers with additional mounting options. These supports can be thread mounted into a fixture or custom cavity mounted.
Bearing grade stainless steel plunger and collet assembly helps guard against corrosion in most machining environments.
* Support capacities are listed at 7 MPa (70 bar) maximum pressure. Support capacities for other pressures are shown on the Capacity Charts.
** P in the formula is hydraulic pressure measured in MPa.
*** To allow for work piece height variations, it is recommended that the plunger contacts the part at Mid-Stroke.
NOTE: Work Support Capacity to be equal to or greater than 1.5 times clamping force plus machining force. The maximum system back-pressure a fluid advance work support can overcome is 0.07 MPa (0.7 bar). Return back-pressure greater than 0.07 MPa (0.7 bar) may cause slow or failed retraction. Operating work supports above maximum pressure may damage work support and void warranty.
Refer to contact bolt dimensions.
| Model No. | Support Capacity (kN) | Support Capacity Formula (kN) | Stroke (mm) | Contact Force (N) | Oil Capacity (cm³) |
|---|---|---|---|---|---|
| L1-0410-00-H | 3.0 | (P-1) x 0.500 | 6.5 | 6.2 - 9.0 | 0.55 |
| L1-0410-00-L | 3.0 | (P-1) x 0.500 | 6.5 | 3.7 - 6.1 | 0.55 |
| L1-0412-00-H | 4.0 | (P-1) x 0.667 | 8 | 8.8 - 14.9 | 0.80 |
| L1-0412-00-L | 4.0 | (P-1) x 0.667 | 8 | 4.3 - 7.4 | 0.80 |
| L1-0415-00-H | 5.5 | (P-1) x 0.917 | 8 | 12.8 - 20.7 | 1.02 |
| L1-0415-00-L | 5.5 | (P-1) x 0.917 | 8 | 9.2 - 13.7 | 1.02 |
| L1-0416-00-H | 10 | (P-1) x 1.667 | 10 | 12.7 - 22.8 | 1.49 |
| L1-0416-00-L | 10 | (P-1) x 1.667 | 10 | 9.3 - 14.7 | 1.49 |
| Model No. | A | B | C | D | E | P | Q | R | S | T | V | W | X | Y | Z | MA | MG | MH | MK | ML | MM | MN | Install Torque |
|---|---|---|---|---|---|---|---|---|---|---|---|---|---|---|---|---|---|---|---|---|---|---|---|
| L1-0410-00-H | 66 | 24 | 26 | 8.4 | 57 | AS568 2-013 | 10 | 6.5 | 9 | 3 | 8 | 8 | 8.75 | AS568 2-020 | 24.25 | M26 X 1.5 | Max. 7 | 18.5 | Max. 3 | 24.5 | Min. 20 | Max. 8 | 35 Nm |
| L1-0410-00-L | 66 | 24 | 26 | 8.4 | 57 | AS568 2-013 | 10 | 6.5 | 9 | 3 | 8 | 8 | 8.75 | AS568 2-020 | 24.25 | M26 X 1.5 | Max. 7 | 18.5 | Max. 3 | 24.5 | Min. 20 | Max. 8 | 35 Nm |
| L1-0412-00-H | 73 | 27 | 30 | 9.4 | 62 | AS568 2-014 | 12 | 8 | 11.5 | 4 | 10 | 10 | 8.75 | AS568 2-022 | 28.25 | M30 X 1.5 | Max. 8 | 20 | Max. 4 | 28.5 | Min. 20 | Max. 9 | 40 Nm |
| L1-0412-00-L | 73 | 27 | 30 | 9.4 | 62 | AS568 2-014 | 12 | 8 | 11.5 | 4 | 10 | 10 | 8.75 | AS568 2-022 | 28.25 | M30 X 1.5 | Max. 8 | 20 | Max. 4 | 28.5 | Min. 20 | Max. 9 | 40 Nm |
| L1-0415-00-H | 69 | 32 | 36 | 9.4 | 58 | AS568 2-015 | 15 | 8 | 12.5 | 4 | 11 | 13 | 8.75 | AS568 2-026 | 34.25 | M36 X 1.5 | Max. 10 | 24.5 | Max. 4 | 34.5 | Min. 18 | Max. 9 | 40 Nm |
| L1-0415-00-L | 69 | 32 | 36 | 9.4 | 58 | AS568 2-015 | 15 | 8 | 12.5 | 4 | 11 | 13 | 8.75 | AS568 2-026 | 34.25 | M36 X 1.5 | Max. 10 | 24.5 | Max. 4 | 34.5 | Min. 18 | Max. 9 | 40 Nm |
| L1-0416-00-H | 82 | 41 | 45 | 9.4 | 71 | AS568 2-015 | 16 | 10 | 12.5 | 4 | 11 | 13 | 12.25 | AS568 2-030 | 43.15 | M45 X 1.5 | Max. 10 | 30 | Max. 6 | 43.5 | Min. 20 | Max. 9 | 55 Nm |
| L1-0416-00-L | 82 | 41 | 45 | 9.4 | 71 | AS568 2-015 | 16 | 10 | 12.5 | 4 | 11 | 13 | 12.25 | AS568 2-030 | 43.15 | M45 X 1.5 | Max. 10 | 30 | Max. 6 | 43.5 | Min. 20 | Max. 9 | 55 Nm |
| Model No. | Support Capacity (kN) | O-Ring Part Number | O-Ring Size | A | B | C | D | E | F | G |
|---|---|---|---|---|---|---|---|---|---|---|
| L1-0410-00-H | 3.0 | 39-0511-18 | 4.5 X 1.5 mm | 4.55 | 9.0 | 3.35 | 9.0 | 6.25 | 1.75 | M6 X 1.0 |
| L1-0410-00-L | 3.0 | 39-0511-18 | 4.5 X 1.5 mm | 4.55 | 9.0 | 3.35 | 9.0 | 6.25 | 1.75 | M6 X 1.0 |
| L1-0412-00-H | 4.0 | 39-0511-08 | 5.5 X 1.5 mm | 5.75 | 11.5 | 4.35 | 9.0 | 6.25 | 1.75 | M8 X 1.25 |
| L1-0412-00-L | 4.0 | 39-0511-08 | 5.5 X 1.5 mm | 5.75 | 11.5 | 4.35 | 9.0 | 6.25 | 1.75 | M8 X 1.25 |
| L1-0415-00-H | 5.5 | 39-0510-91 | 7.5 X 1.5 mm | 7.80 | 12.5 | 5.75 | 9.0 | 6.25 | 1.75 | M10 X 1.5 |
| L1-0415-00-L | 5.5 | 39-0510-91 | 7.5 X 1.5 mm | 7.80 | 12.5 | 5.75 | 9.0 | 6.25 | 1.75 | M10 X 1.5 |
| L1-0416-00-H | 10 | 39-0510-91 | 7.5 X 1.5 mm | 7.80 | 12.5 | 5.75 | 9.0 | 6.25 | 1.75 | M10 X 1.5 |
| L1-0416-00-L | 10 | 39-0510-91 | 7.5 X 1.5 mm | 7.80 | 12.5 | 5.75 | 9.0 | 6.25 | 1.75 | M10 X 1.5 |
You have questions? WE HAVE ANSWERS!
Use the contact button below to be connected with one of our team of experts.