In The Port Sequence Valve
In The Port Sequence Valves
- Installs directly into device port, requires oil feed through manifold mount ports.
- Works with Top Flange, Bottom Flange Swing Clamps, Link Clamps and New High Capacity Work Supports.
- Controls timing of individual devices on your fixture.
- Each valve can be individually adjusted from the factory preset.
- True sequencing design allows full system pressure downstream of valve after opening.
- Maintains pressure upstream while device actuates.
- Three pressure ranges available with adjustability within each range.*
- Can be added after the fixture is built to assure proper sequencing (Requires the use of flange manifold feed ports).
- Use with single or double acting clamps; in clamp port, unclamp port, or both.
- Internal reverse free flow check valve allows for faster return.
- Accessories available; Pressure pre-set block, in-line adapter block and manifold mount block.
U.S. Patent No. 11,097,389
NOTE: Max flow not to exceed the individual device rating or 1.0 gpm whichever is lower. Maximum inlet pressure for in-port sequence valves is 5,000 psi, excess voids warranty. Consult the double acting work support, high capacity work support, the swing clamp or link clamp specifications page for the valve that is appropriate for your application.
* Number of sequences within each range depends on number of devices, pump flow and operating pressure.
| Model No. | Set Pressure Range | Factory Preset | Port Size |
|---|---|---|---|
| 70-4437-10 | 300 - 875 psi | 750 psi | SAE 4 x 0.58 in. |
| 70-4437-11 | 500 - 2500 psi | 1500 psi | SAE 4 x 0.58 in. |
| 70-4437-12 | 2000 - 4000 psi | 3000 psi | SAE 4 x 0.58 in. |
| 70-4437-20 | 300 - 875 psi | 750 psi | SAE 4 x 0.75 in. |
| 70-4437-21 | 500 - 2500 psi | 1500 psi | SAE 4 x 0.75 in. |
| 70-4437-22 | 2000 - 4000 psi | 3000 psi | SAE 4 x 0.75 in. |
| Model No. | A | B |
|---|---|---|
| 70-4437-10 | 1.07 | 0.77 |
| 70-4437-11 | 1.07 | 0.77 |
| 70-4437-12 | 1.07 | 0.77 |
| 70-4437-20 | 1.07 | 0.77 |
| 70-4437-21 | 1.07 | 0.77 |
| 70-4437-22 | 1.22 | 0.92 |
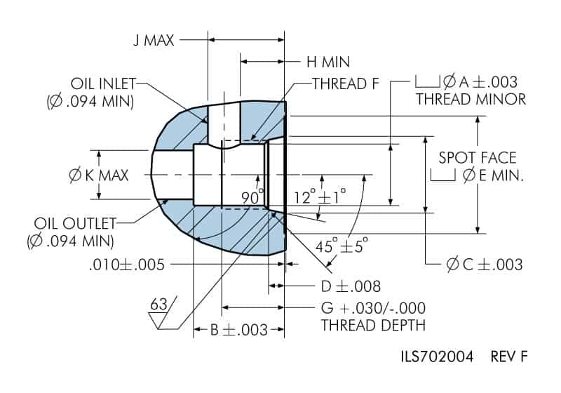
| Model No. | A | B | C | D | E | F | G | H | J | K |
|---|---|---|---|---|---|---|---|---|---|---|
| 70-4437-10 | 0.392 | 0.580 | 0.490 | 0.101 | 0.750 | 7/16 - 20 UNF | 0.400 | 0.281 | 0.488 | 0.313 |
| 70-4437-11 | 0.392 | 0.580 | 0.490 | 0.101 | 0.750 | 7/16 - 20 UNF | 0.400 | 0.281 | 0.488 | 0.313 |
| 70-4437-12 | 0.392 | 0.580 | 0.490 | 0.101 | 0.750 | 7/16 - 20 UNF | 0.400 | 0.281 | 0.488 | 0.313 |
| 70-4437-20 | 0.392 | 0.750 | 0.490 | 0.101 | 0.750 | 7/16 - 20 UNF | 0.400 | 0.281 | 0.658 | 0.313 |
| 70-4437-21 | 0.392 | 0.750 | 0.490 | 0.101 | 0.750 | 7/16 - 20 UNF | 0.400 | 0.281 | 0.658 | 0.313 |
| 70-4437-22 | 0.392 | 0.750 | 0.490 | 0.101 | 0.750 | 7/16 - 20 UNF | 0.400 | 0.281 | 0.658 | 0.313 |
| Model No. |
|---|
| 33-0117-00 |
| Model No. |
|---|
| 31-1241-00 |
| Model No. |
|---|
| 31-1701-00 |
You have questions? WE HAVE ANSWERS!
Use the contact button below to be connected with one of our team of experts.






