Easy Mount Cartridge Cylinders
Manifold Cartridge Cylinder Double Acting
- No leak, Top Flange, Compact Cartridge Cylinder.
- Easy to make, simple cavity with no special bore finish requirement.
- Clamp and unclamp circuits feed through O-Ring face seals.
- All cylinder sealing surfaces Vektek made.
- BHC™ (Black Hard Coating) on cylinder bodies.
For proper sealing, mating surface must be flat within 0.003 with a maximum 63 µin Ra surface finish.
** The Cylinder Forces listed are for cylinders operating at 5000 psi, the maximum operating pressure. Cylinder force can be adjusted by changing the hydraulic pressure to the cylinder. To calculate the approximate output force for an application, multiply the Effective Piston Area by the predetermined operating pressure. The actual output force will vary slightly due to frictional losses, within the cylinder assembly.
For proper sealing, mating surface must be flat within 0.003 with a maximum 63 µin Ra surface finish.
| Model No. | Clamp Capacity (lb.) Extend | Clamp Capacity (lb.) Retract | Stroke (in.) | Piston Area (sq. in.) Extend | Piston Area (sq. in.) Retract | Oil Capacity Extend (cu. in.) | Oil Capacity Retract (cu. in.) |
|---|---|---|---|---|---|---|---|
| 21-6213-02 | 6100 | 3100 | 0.59 | 1.231 | 0.630 | 0.726 | 0.372 |
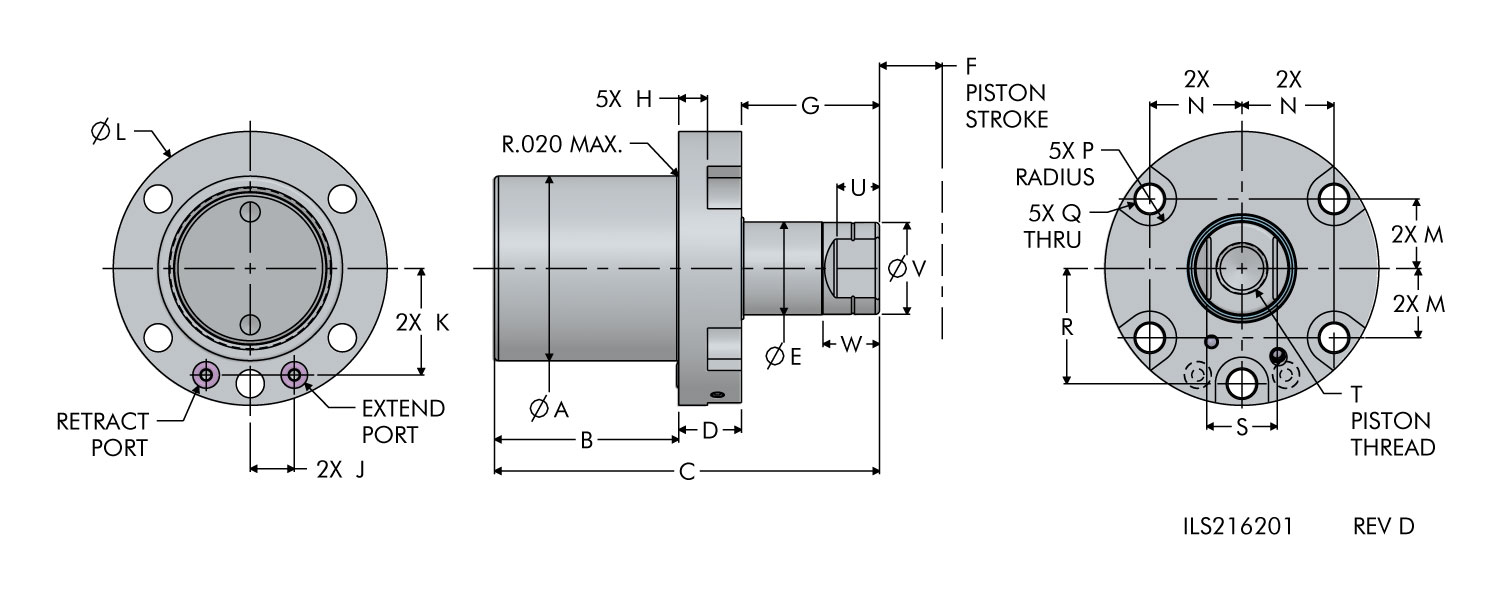
| Model No. | A | B | C | D | E | F | G | H | J | K | L | M | N | P | Q | R | S | T | U | V | W |
|---|---|---|---|---|---|---|---|---|---|---|---|---|---|---|---|---|---|---|---|---|---|
| 21-6213-02 | 1.74 | 1.73 | 3.62 | 0.59 | 0.875 | 0.59 | 1.30 | 0.27 | 0.42 | 1.00 | 2.577 | 0.65 | 0.87 | 0.25 | 0.27 | 1.09 | 0.66 | 1/2 - 20 UNF DEEP 0.63 | 0.40 | 0.87 | 0.53 |
| Model No. | A | B | C | D | E | F | G |
|---|---|---|---|---|---|---|---|
| 21-6213-02 | 1.754 | 1/4 - 20 | 0.653 | 0.867 | 1.085 | 1.003 | 0.415 |
You have questions? WE HAVE ANSWERS!
Use the contact button below to be connected with one of our team of experts.