Language: EN

Integral Accumulator

Palletized Fixture Accessories

The First Complete Low Pressure Decoupling Solution

  • Decouplers are a complete, self contained package for disconnecting a fixture from its power supply while machining.
  • Everything is there for you: Quick connect coupling, filters, accumulators, pilot operated check valve and over-pressure relief valve!
  • Robust pilot operated check valve with 1 to 5 ratio of pilot to check pressure for proven long term reliability.
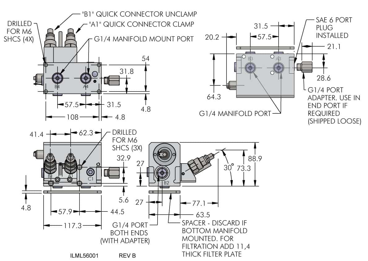
  • Internal 25 micron filters for added protection of pilot operated check valve thru ports A1, A2, A3, A4 & C1. Additional filtration provided at port B1. (Filtration for A3, B3 or A4, B4 available by purchasing Vektek filter block L7-0842-05 or L7-0842-06 depending on mounting orientation.)
  • G1/4 ports and manifold mounting (bottom and rear) connections on all models.
  • Single acting pallet circuits require 2 hoses to the operating handle for pressure release.
  • For use with Operating Handle Model No. L5-6008-00.

NOTE: These automatic shutoff valve decouplers and operating handle must be used with a suitable pump which includes a 4 port/3 position, P-blocked center (A & B connected to tank) directional control valve for operation of single or double acting systems. One automatic shutoff valve decoupler can be used to operate only one double acting or one single acting circuit. For operation of a single acting circuit, plug the decoupler outlet port B (as shown in the schematic).

  • Customers that have previously bought a decoupler can purchase a new cover for their old decoupler. New orders of decouplers will come with cover.
  • 100 lb. Tensile Strength.
Model Number A For use with Decoupler Models
L5-6008-03 8.9 L5-6005-42 or L5-6005-43

The First Complete Low Pressure Decoupling Solution

  • Maximum working pressure – 10 MPa.
  • Provides a fast, positive connection to the decoupler.
  • Ergonomic design reduces operator fatigue.
  • The One – Handed Handle may be used with the optional Handle Docking Module to assure the hoses are disconnected from the pallet before it is shuttled into the machine.
Model Number A For use with Decoupler Models
L5-6008-00 8.9 L5-6005-42 or L5-6005-43

Model No.Pressure RangeAccumulator Capacity
L5-6005-4230 - 100 Bar / 3 - 10 MPa62 cm³
Model No.
L5-6008-00
Model No.A
L5-6008-038.9
Model No.DescriptionPorts
L7-0048-81FILTER, INLINE, G 1/4, 25 MICRONIn-Line
L7-0842-05FILTER, SANDWICH, SUBPLATE, PALLET DECOUPLER, BOTTOM MOUNTBottom A4 & B4
L7-0842-06FILTER, SANDWICH, SUBPLATE, PALLET DECOUPLER, REAR MOUNTRear A3 & B3

You have questions? WE HAVE ANSWERS!

Use the contact button below to be connected with one of our team of experts.