Tufflink™ 360° Link Clamps
Single Acting
- Available in 5 sizes: 600 lbs to 3,600 lbs capacities at 5,000 psi.
- Patented rotary lug feature delivers 360° of lever and/or body positioning.
- Top flange manifold mounted or plumbed.
- Maximum clamping force – minimal footprint.
- Independent body/lever adjustment simplifies manifold mount drill passage design or plumbing position and installation.
- Levers sold separately.
- Optional In-Port Flow Control is a meter-in device with reverse free flow check valve.
- Optional In-Port Sequence Valve is a sequencing device with reverse free flow check valve.
- Manifold fitting model no. 30-8711-20, adapter assembly and plugs are included with the clamp. Model 16-3128-00 does not require the adapter assembly for manifold mounting.
- U.S. Patent No. 8,678,362.
* Clamp capacities are listed at 5,000 psi maximum operating pressure with a standard length link clamp lever installed. Minimum operating pressure is 750 psi for single acting devices. The clamping force is adjustable by varying the hydraulic system pressure. Use of an extended length lever will result in a reduction of clamp force. See Clamping Force and Tables for the clamping force of various lever lengths and pressures. (Actual force will vary slightly due to mechanical inefficiencies, friction and/or return springs.)
** Equal to +/- 3° with standard lever.
*** To insure maximum service life and trouble-free operation, restrict fluid flow to the above flow ratings when clamping. If you are unable to measure flow rates, these devices should be positioned in no less than 1/2 second. These recommendations apply when using the standard lever. When using the optional extended lever or your custom lever, please restrict the flow rates to position the lever in no less than 1 second.
**** In-Port Valves require the use of manifold mount ports.
** Equal to +/- 3° with standard lever.
*** To insure maximum service life and trouble-free operation, restrict fluid flow to the above flow ratings when clamping. If you are unable to measure flow rates, these devices should be positioned in no less than 1/2 second. These recommendations apply when using the standard lever. When using the optional extended lever or your custom lever, please restrict the flow rates to position the lever in no less than 1 second.
**** In-Port Valves require the use of manifold mount ports.
| Model No. | Clamp Capacity (lb.) | Vertical Clamp Stroke (in.) | Piston Area (sq. in.) Extend | Oil Capacity Extend (cu. in.) | Oil Capacity Retract (cu. in.) | Maximum Oil Flow Rate (cu. in./min) | Port X For Optional In-Port Valves |
|---|---|---|---|---|---|---|---|
| 16-3112-00 | 600 | 0.08 | 0.175 | 0.114 | N/A | 14 | SAE 4 X 0.58 |
| 16-3115-00 | 1000 | 0.10 | 0.274 | 0.213 | N/A | 26 | SAE 4 X 0.58 |
| 16-3118-00 | 1400 | 0.12 | 0.394 | 0.379 | N/A | 45 | SAE 4 X 0.58 |
| 16-3122-00 | 2400 | 0.14 | 0.589 | 0.684 | N/A | 82 | SAE 4 X 0.58 |
| 16-3128-00 | 3600 | 0.17 | 0.954 | 1.318 | N/A | 158 | SAE 4 X 0.75 |
| Model No. | A | B | C | D | E | F | G | H | J | K | L | M | N | P | Q | R | S | T | V | X | Y | AA | AB | AC | AD | AE | AF | AG | AH |
|---|---|---|---|---|---|---|---|---|---|---|---|---|---|---|---|---|---|---|---|---|---|---|---|---|---|---|---|---|---|
| 16-3112-00 | 1.251 | 3.24 | 2.60 | 1.437 | 2.05 | 1.28 | 0.67 | 0.47 | 0.31 | 0.19 | 0.94 | 0.65 | 0.77 | 1.654 | 0.827 | 0.657 | 0.657 | 2.205 | 0.827 | 0.394 | 1.053 | SAE 4 | 1.38 | 3.39 | 19 | 1.97 | 2.244 | 1.516 | 0.846 |
| 16-3115-00 | 1.408 | 3.60 | 2.89 | 1.776 | 2.19 | 1.28 | 0.67 | 0.59 | 0.38 | 0.22 | 0.88 | 0.78 | 0.92 | 1.969 | 0.984 | 0.797 | 0.797 | 2.402 | 0.984 | 0.433 | 1.093 | SAE 4 | 1.63 | 3.88 | 18 | 2.44 | 2.421 | 1.555 | 1.063 |
| 16-3118-00 | 1.566 | 4.16 | 3.21 | 2.157 | 2.42 | 1.32 | 0.67 | 0.71 | 0.44 | 0.28 | 0.83 | 0.96 | 1.11 | 2.441 | 1.220 | 0.985 | 0.985 | 2.835 | 1.220 | 0.551 | 1.289 | SAE 4 | 2.01 | 4.34 | 19 | 2.83 | 2.736 | 1.654 | 1.201 |
| 16-3122-00 | 1.881 | 4.69 | 3.64 | 2.657 | 2.66 | 1.34 | 0.67 | 0.87 | 0.53 | 0.34 | 0.75 | 1.16 | 1.34 | 2.953 | 1.476 | 1.188 | 1.188 | 3.445 | 1.476 | 0.630 | 1.644 | SAE 4 | 2.32 | 5.03 | 19 | 3.45 | 3.051 | 1.752 | 1.457 |
| 16-3128-00 | 2.156 | 5.54 | 4.24 | 3.110 | 3.06 | 1.51 | 0.67 | 1.10 | 0.66 | 0.41 | 0.81 | 1.38 | 1.58 | 3.543 | 1.772 | 1.438 | 1.438 | 3.976 | 1.772 | 0.709 | 1.841 | SAE 4 | 2.83 | 5.68 | 20 | 3.92 | 3.533 | 1.978 | 1.752 |
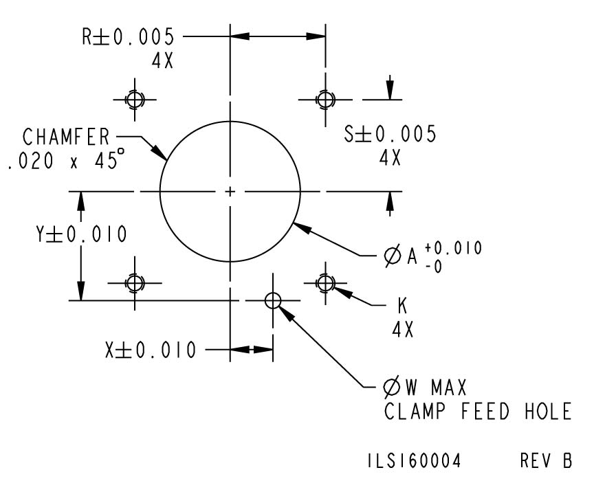
| Model No. | A | K | R | S | W | X | Y |
|---|---|---|---|---|---|---|---|
| 16-3112-00 | 1.260 | 8-32 | 0.657 | 0.657 | 0.19 | 0.394 | 1.053 |
| 16-3115-00 | 1.417 | 10-32 | 0.797 | 0.797 | 0.19 | 0.433 | 1.093 |
| 16-3118-00 | 1.575 | 1/4-20 | 0.985 | 0.985 | 0.19 | 0.551 | 1.289 |
| 16-3122-00 | 1.890 | 5/16-18 | 1.188 | 1.188 | 0.19 | 0.630 | 1.644 |
| 16-3128-00 | 2.165 | 3/8-16 | 1.438 | 1.438 | 0.25 | 0.709 | 1.841 |
You have questions? WE HAVE ANSWERS!
Use the contact button below to be connected with one of our team of experts.