Language: EN

NEW! PQ9020 – High Payload, High Grip force

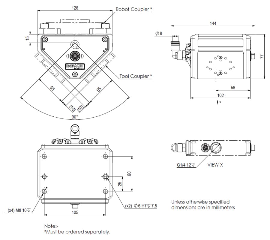
Universal Pneumatic EOAT Interface

  • 90° EOAT Offset – ideal for Machine Tending
  • 4 sensor ports – no more long wires for sensors
  • 1100 grams – maximize robot payload utilization
  • 20 kg payload – high payload capacity
  • IP 65 rated – perfect for usage in harsh environments
  • Air blow-off port cleans oil & burr easily

Unless otherwise specified, dimensions are in millimeters.
*Must be ordered separately.

Magic with pneumatics, we call it ‘pneumagiQ’!

We’re excited to launch pneumagiQ PQ9020 – a Universal Pneumatic EOAT Interface that can handle payloads up to 20 kg. Installing your pneumatic EOATs is no longer a nightmare. pneumagiQ makes it ‘Plug & Play’.

Model No.Mountable pneumatic EOATAngle between EOATRange ExtensionAir blow-off portsSensor connectorsResponse TimeOperating mediumWeight (Kg)Max Payload per Tool Mounting FaceOverall payloadAirflow rate for EOATAirflow rate at Auxiliary port (Air blow-off)Max. Operating PressureUniversal robotsOther robots / controllersI/O ConnectorAir InletSensor portAir Blow-off Port TypeRobot MountingTool MountingOperational VoltageNominal operational currentAmbient Temperature RangeNoise LevelIngress protection
61020324290°-14<30 ms (Modbus RTU)Compressed Air1100g / 2.4lbs12.5 kg / 27.6 lbs20 kg / 44 lbs240 slpm / 8.5 scfm240 slpm / 8.5 scfmN/AURCapModbus RTU (RS-485)M8 8 pin female connectorØ8 mm tube quick connectorm8 3pin female connectorG 1/4 female threadpneumagiQ Robot CouplerpneumagiQ Tool Coupler24V DC550 mA+5°C to 50°C / 41°F to 122°F<50 dBIP65