Language: EN

Edge Clamps

Metric Special Use Clamps

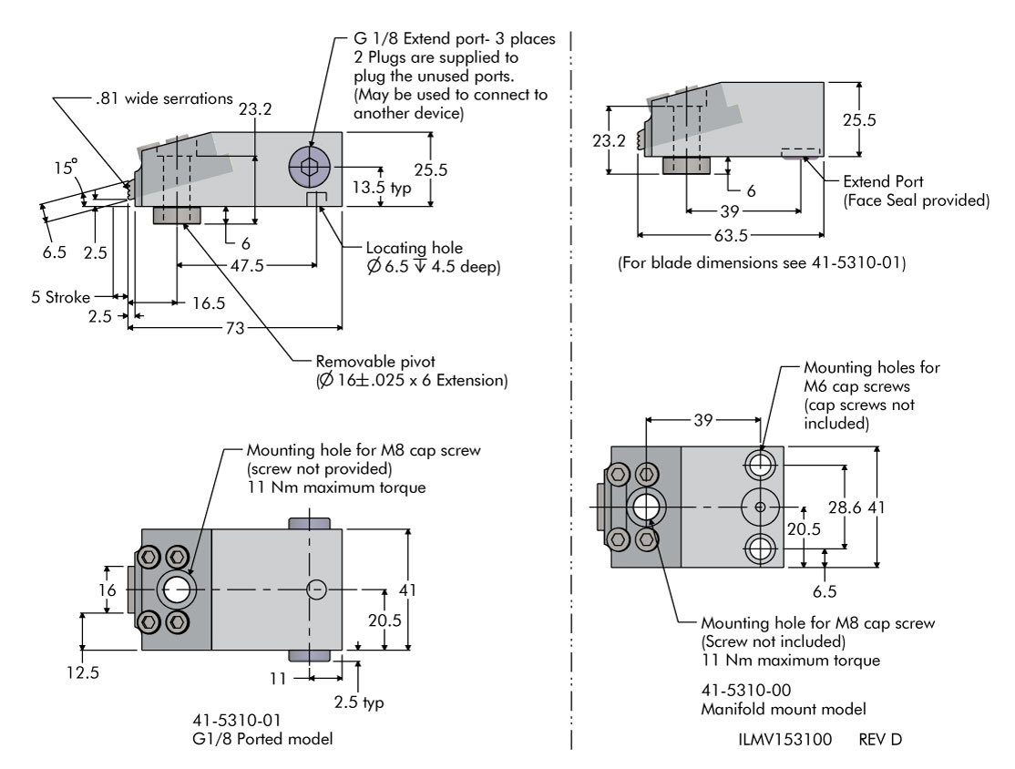
Single Acting Standard Ported and Manifold Mount

  • Low profile allows you to slab mill over the clamp on most parts.
  • Downward clamping angle of the blade yields both horizontal and vertical force pushing your part firmly against locators and the work surface.
  • 3 way porting makes plumbing multiple clamps easy without Tees or additional manifolds.
  • Manifold mount design uses o-ring face seal for simple bolt down installation.
  • Unique center hole mounting and thrust bushing make this device ideal for quick set-up T-slot mounting.
  • Chromed and hardened steel blade grips the part while the unique design angle provides both horizontal and vertical clamp force.
  • Three G1/8 fluid ports on standard model and o-ring bolt down face seal on the manifold model simplify leak free installation.
  • BHC™ (Black Hard Coating) on the cylinder bodies helps prevent scoring and scratching.
  • Specially designed springs run longer, require less maintenance.
  • Pivot locator/thrust bushing provided.
  • Proprietary seal designs reduce leakage for long lasting cylinders.

​* Cylinder capacities are listed at 350 bar (35 MPa) maximum operating pressure. The output force is adjustable by varying hydraulic system pressure. To determine output force, use the following formula: Effective Piston area times Input Pressure = Angular Clamping Force. (Vertical Force= 0.2 x Angular Force) and (Horizontal Force =0.9 x Angular Force) Actual force may vary slightly due to frictional losses, seal drag and/or return springs.

For proper sealing, mating surface must be flat within 0.003 with a maximum 63 µin Ra surface finish.

Model No.Plumbing StyleClamp Capacity (kN) HorizontalClamp Capacity (kN) VerticalHorizontal Stroke (mm)Body Size (mm)Minimum Length (mm)Piston Area (cm²)Oil Capacity (cm³)
41-5310-00Manifold8.92.2541 X 63.5632.91.4
41-5310-01Standard8.92.2541 X 73732.91.4

You have questions? WE HAVE ANSWERS!

Use the contact button below to be connected with one of our team of experts.