Easy Mount Cartridge
Metric Cylinders
** Cylinder capacities are listed at 350 bar (35 MPa) maximum operating pressure. The output force is adjustable by varying the hydraulic system pressure. Cylinder force can be adjusted by changing the hydraulic pressure to the cylinder. To determine approximate output force for your application, divide the maximum cylinder force listed by 350 and multiply the result by the predetermined operating pressure. The actual force may vary slightly due to friction losses within the cylinder assembly.
| Model No. | Clamp Capacity (kN) Extend | Clamp Capacity (kN) Retract | Stroke (mm) | Piston Area (cm²) Extend | Piston Area (cm²) Retract | Oil Capacity Extend (cm³) | Oil Capacity Retract (cm³) |
|---|---|---|---|---|---|---|---|
| 42-1621-32 | 27 | 14 | 15 | 7.9 | 4.1 | 11.9 | 6.1 |
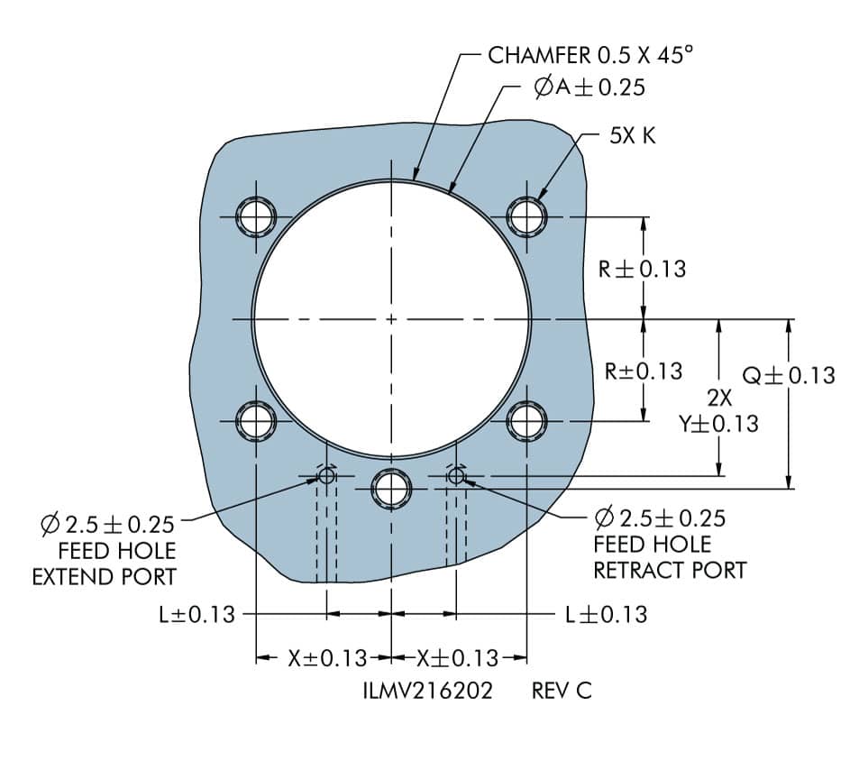
| Model No. | A | B | D | F | G | H | J | K | L | M | P | Q | R | S | T | U | V | W | X | Y | Z |
|---|---|---|---|---|---|---|---|---|---|---|---|---|---|---|---|---|---|---|---|---|---|
| 42-1621-32 | 44.1 | 92 | 44 | 15 | 33 | 22.21 | M12 X 1.75 X 16 | 6.7 | 10.5 | 15 | 6.5 | 27.6 | 16.6 | 13.5 | 65.45 | 7 | 22 | 17 | 22 | 25.5 | 10 |
| Model No. | Clamp Capacity (kN) Extend | Clamp Capacity (kN) Retract | A | K | L | Q | R | X | Y |
|---|---|---|---|---|---|---|---|---|---|
| 42-1621-32 | 27 | 14 | 44.6 | M6 X 1 | 10.5 | 27.6 | 16.6 | 22 | 25.5 |
You have questions? WE HAVE ANSWERS!
Use the contact button below to be connected with one of our team of experts.