Language: EN

Screw Pumps

Power Supplies

Threaded Body and Block Body Styles

  • Simple, inexpensive power supply for small systems.
  • Ideally suited to powering work supports when used on manual clamping fixtures.
  • Heavy duty threaded screw can be driven by a precision “nut runner” for fast and precise actuation (maximum RPM = 500).
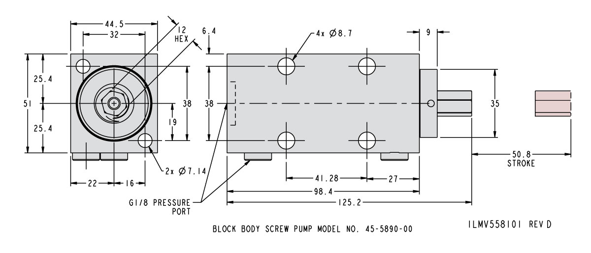
  • Block style bolts down. The threaded body can be mounted through a bulkhead with the two locknuts provided.
  • Max. Working Pressure: 350 bar (35 MPa)
  • Max. Displaced Oil: 26 cm3
  • Oil Displacement per revolution: 2.1 cm3
  • Body: BHC Steel
  • Screw: Hardened Acme threads

* Do not exceed 50 Nm torque. Excess torque will create higher than allowed pressure which may damage downstream devices and increase the risk of personal injury to the operator.

NOTE: Hoses are recommended for use on all circuits using screw pumps.

Block Body Screw Pump Model No. 45-5890-00

Threaded Body Screw Pump Model No. 45-5890-01

Model No.Mounting Style
45-5890-00Block Body
45-5890-01Threaded Body

You have questions? WE HAVE ANSWERS!

Use the contact button below to be connected with one of our team of experts.