Spring Advance Top Flange Work Support
7 MPa Work Supports
Support Most Parts
- Available in four capacities: 5.5 kN, 10 kN, 16 kN and 26 kN.
- When using the 3-2-1 locating principles, you often need additional support for a 4th, 5th or even more areas on your part. A work support gives you floating locators that won’t interfere with your 3, 2 or 1 location. Clamp over your locators then lock the supports.
- Spring extended plungers maintain contact with the part during loading, exerting only spring force against the part. When hydraulic pressure is applied the plunger freezes without exerting any additional force on the part.
- If spring advance supports are used in flood coolant environments, vent to clean dry air.
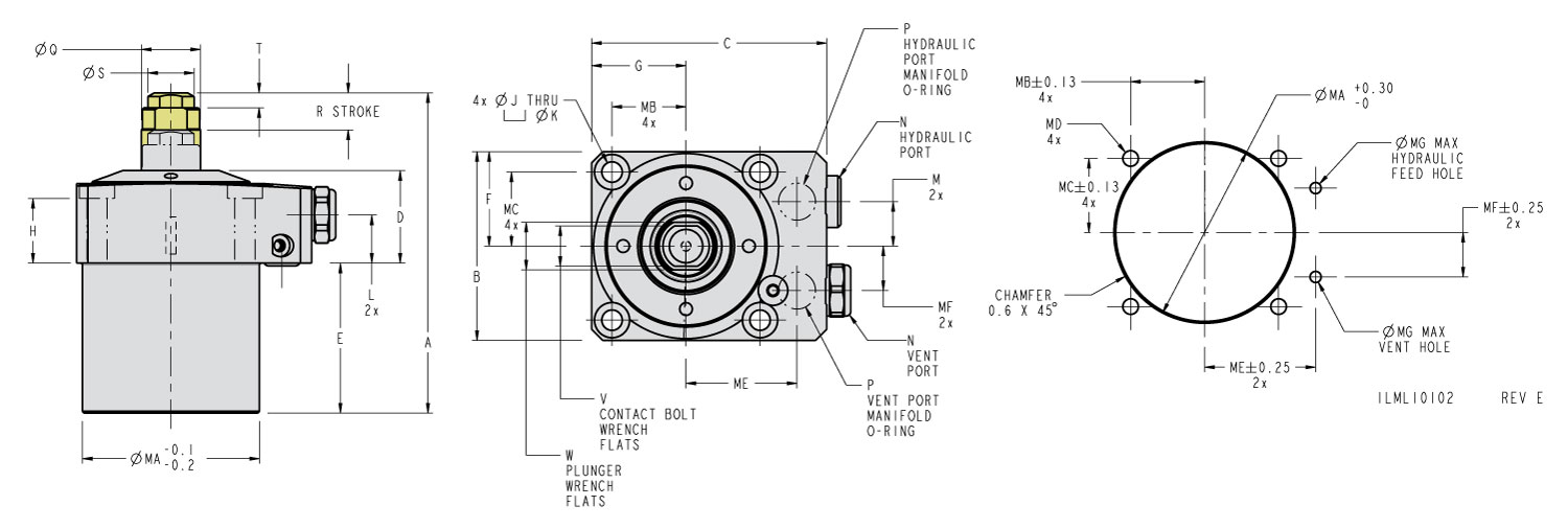
- Top Flange minimizes the distance from mounting surface to the part for compact and efficient fixture design.
- Choose between a High-Tension or Low-Tension spring to fit your application.
- Plumb through BSPP ports or manifold mount top flange work supports.
- Bearing grade stainless steel plunger and collet assembly helps guard against corrosion in most machining environments.
- Proprietary wiper and seal designs reduce contamination and drag for longer lasting, better performing work supports.
NOTE: Work Support Capacity to be equal to or greater than 1.5 times clamping force plus machining force.
* Support capacities are listed at 7 MPa (70 bar) maximum pressure. Support capacities for other pressures are shown on the Capacity Charts.
** P in the formula is hydraulic pressure measured in MPa.
*** To allow for work piece height variations, it is recommended that the plunger contacts the part at Mid-Stroke.
WARNING: Operating above 7 MPa may damage the work support and will void warranty.
* The P1, P2 and manifold ports are all connected and any of them can be chosen to connect hydraulic pressure. In-port devices can only be installed in P1.
Refer to contact bolt dimensions.
| Model No. | Support Capacity (kN) | Support Capacity Formula (kN) | Stroke (mm) | Contact Force (N) | Oil Capacity (cm³) |
|---|---|---|---|---|---|
| L1-0115-00-H | 5.5 | (P-1) x 0.917 | 8 | 12.8 - 20.7 | 0.39 |
| L1-0115-00-L | 5.5 | (P-1) x 0.917 | 8 | 9.2 - 13.7 | 0.39 |
| L1-0116-00-H | 10 | (P-1) x 1.667 | 10 | 13.1 - 22.2 | 0.70 |
| L1-0116-00-L | 10 | (P-1) x 1.667 | 10 | 9.2 - 14.4 | 0.70 |
| L1-0120-00-H | 16 | (P-1) x 2.667 | 12 | 14.5 - 24.2 | 1.10 |
| L1-0120-00-L | 16 | (P-1) x 2.667 | 12 | 9.9 - 16.6 | 1.10 |
| L1-0122-00-H | 26 | (P-1) x 4.333 | 14 | 15.1 - 26.3 | 1.80 |
| L1-0122-00-L | 26 | (P-1) x 4.333 | 14 | 9.8 - 17.2 | 1.80 |
| Model No. | A | B | C | D | E | F | G | H | J | K | L | M | N | P | Q | R | S | T | V | W | MA | MB | MC | MD | ME | MF | MG |
|---|---|---|---|---|---|---|---|---|---|---|---|---|---|---|---|---|---|---|---|---|---|---|---|---|---|---|---|
| L1-0115-00-H | 76.5 | 45 | 57.5 | 24.5 | 32.5 | 22.5 | 22.5 | 17.5 | 5.5 | 9.5 | 13 | 9.5 | G 1/8 | ID 4.0 X CS 3.0 | 15 | 8 | 12.5 | 4 | 11 | 13 | 40 | 17 | 17 | M5 | 27 | 9.5 | 3 |
| L1-0115-00-L | 76.5 | 45 | 57.5 | 24.5 | 32.5 | 22.5 | 22.5 | 17.5 | 5.5 | 9.5 | 13 | 9.5 | G 1/8 | ID 4.0 X CS 3.0 | 15 | 8 | 12.5 | 4 | 11 | 13 | 40 | 17 | 17 | M5 | 27 | 9.5 | 3 |
| L1-0116-00-H | 86.5 | 51 | 63.5 | 25 | 40.5 | 25.5 | 25.5 | 17.5 | 5.5 | 9.5 | 13 | 12 | G 1/8 | ID 4.0 X CS 3.0 | 16 | 10 | 12.5 | 4 | 11 | 13 | 48 | 20 | 20 | M5 | 30 | 12 | 3 |
| L1-0116-00-L | 86.5 | 51 | 63.5 | 25 | 40.5 | 25.5 | 25.5 | 17.5 | 5.5 | 9.5 | 13 | 12 | G 1/8 | ID 4.0 X CS 3.0 | 16 | 10 | 12.5 | 4 | 11 | 13 | 48 | 20 | 20 | M5 | 30 | 12 | 3 |
| L1-0120-00-H | 98.5 | 60 | 71.5 | 25 | 46.5 | 30 | 30 | 16 | 6.8 | 11 | 13 | 13 | G 1/8 | ID 4.0 X CS 3.0 | 20 | 12 | 16.5 | 6 | 14 | 17 | 55 | 23.5 | 23.5 | M6 | 33.5 | 13 | 3 |
| L1-0120-00-L | 98.5 | 60 | 71.5 | 25 | 46.5 | 30 | 30 | 16 | 6.8 | 11 | 13 | 13 | G 1/8 | ID 4.0 X CS 3.0 | 20 | 12 | 16.5 | 6 | 14 | 17 | 55 | 23.5 | 23.5 | M6 | 33.5 | 13 | 3 |
| L1-0122-00-H | 116.5 | 70 | 82.5 | 29 | 57.5 | 35 | 35 | 16 | 6.8 | 11 | 13 | 17 | G 1/8 | ID 4.0 X CS 3.0 | 22 | 14 | 16.5 | 6 | 14 | 19 | 65 | 27.5 | 27.5 | M6 | 39.5 | 17 | 3 |
| L1-0122-00-L | 116.5 | 70 | 82.5 | 29 | 57.5 | 35 | 35 | 16 | 6.8 | 11 | 13 | 17 | G 1/8 | ID 4.0 X CS 3.0 | 22 | 14 | 16.5 | 6 | 14 | 19 | 65 | 27.5 | 27.5 | M6 | 39.5 | 17 | 3 |
| Model No. | Support Capacity (kN) | O-Ring Part Number | O-Ring Size | A | B | C | D | E | F | G |
|---|---|---|---|---|---|---|---|---|---|---|
| L1-0115-00-H | 5.5 | 39-0510-91 | 7.5 X 1.5 mm | 7.80 | 12.5 | 5.75 | 9.0 | 6.25 | 1.75 | M10 X 1.5 |
| L1-0115-00-L | 5.5 | 39-0510-91 | 7.5 X 1.5 mm | 7.80 | 12.5 | 5.75 | 9.0 | 6.25 | 1.75 | M10 X 1.5 |
| L1-0116-00-H | 10 | 39-0510-91 | 7.5 X 1.5 mm | 7.80 | 12.5 | 5.75 | 9.0 | 6.25 | 1.75 | M10 X 1.5 |
| L1-0116-00-L | 10 | 39-0510-91 | 7.5 X 1.5 mm | 7.80 | 12.5 | 5.75 | 9.0 | 6.25 | 1.75 | M10 X 1.5 |
| L1-0120-00-H | 16 | 39-0511-32 | 8.75 X 1.8 mm | 9.35 | 16.5 | 6.88 | 9.0 | 6.0 | 2.0 | M12 X 1.75 |
| L1-0120-00-L | 16 | 39-0511-32 | 8.75 X 1.8 mm | 9.35 | 16.5 | 6.88 | 9.0 | 6.0 | 2.0 | M12 X 1.75 |
| L1-0122-00-H | 26 | 39-0511-32 | 8.75 X 1.8 mm | 9.35 | 16.5 | 6.88 | 9.0 | 6.0 | 2.0 | M12 X 1.75 |
| L1-0122-00-L | 26 | 39-0511-32 | 8.75 X 1.8 mm | 9.35 | 16.5 | 6.88 | 9.0 | 6.0 | 2.0 | M12 X 1.75 |
You have questions? WE HAVE ANSWERS!
Use the contact button below to be connected with one of our team of experts.