Customer-Produced Low Profile Swing Clamp Arms
Metric Swing Clamp Arms
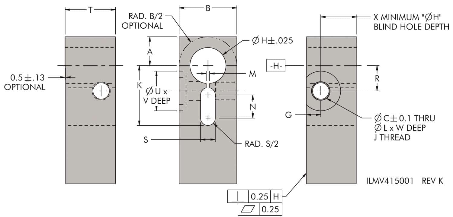
Recommended Machine Dimensions
- End user must add tapped hole to arm in proper location/orientation for their application.
- See arm clocking details on page C-12 for locating arm clocking feature tapped holes.
Hex Head Cap Screw for use with low profile standard, extended and double ended arms series: 44-1031-00, 44-1131-00, and 44-1231-00 use 21-5000-24 44-1032-00, 44-1132-00, and 44-1232-00 use 21-5000-28. For arm limits, see the Swing Clamp Arms Learn More Page.
| Arm Series | Capacity (kN) | A | B | C | D | E | F | G | H | J | M | R | T |
| 44-1011-00 | 2 | 16.00 | 19 | 5 | 6.4 | 12.7 | 7 | 7 | 11.151 | M6 x 1.00-6H | 2.4 | 9.52 | 16 |
| 44-1111-00 | |||||||||||||
| 44-1211-00 | |||||||||||||
| 44-1411-00 | |||||||||||||
| 44-1015-00 | 4.9 | 19.05 | 25.5 | 6.8 | 8.5 | 18.03 | 11 | 7.8 | 15.913 | M8 x 1.25-6H | 2.9 | 12.7 | 22 |
| 44-1115-00 | |||||||||||||
| 44-1215-00 | |||||||||||||
| 44-1415-00 | |||||||||||||
| 44-1022-00 | 11.6 | 26.16 | 35 | 8.8 | 10.5 | 25.4 | 13.5 | 9.4 | 22.263 | M10 x 1.25-6H | 2.9 | 16.67 | 32 |
| 44-1122-00 | |||||||||||||
| 44-1222-00 | |||||||||||||
| 44-1422-00 | |||||||||||||
| 44-1031-01 | 22 | 38.10 | 51 | 14.5 | 16.5 | 36.5 | 17 | 12.7 | 31.775 | M16 x 1.5-6H | 2.9 | 24.61 | 44.5 |
| 44-1131-01 | |||||||||||||
| 44-1231-01 | |||||||||||||
| 44-1431-01 |
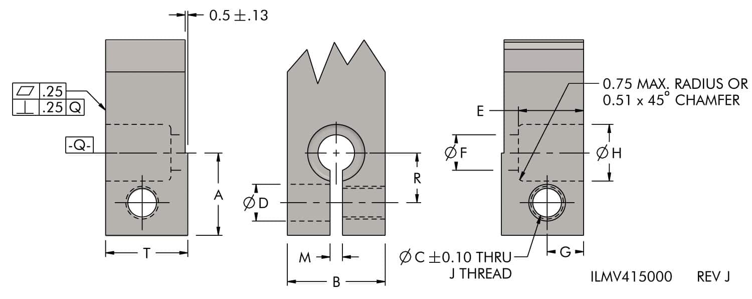
Recommended Machine Dimensions
- End user must add tapped hole to arm in proper location/orientation for their application.
- See arm clocking details on page C-12 for locating arm clocking feature tapped holes.
Hex Head Cap Screw for use with low profile standard, extended and double ended arms series: 44-1031-00, 44-1131-00, and 44-1231-00 use 21-5000-24 44-1032-00, 44-1132-00, and 44-1232-00 use 21-5000-28
| Arm Series | Swing Clamp Force (kN) | A | B | C | G | H | J | K | L | M | N | R | S | T | U | V | W | X S/A | X D/A |
| 44-1031-00 | 22 | 25.4 | 51 | 14.5 | 12.7 | 31.78 | M16 x 1.5-6H | 53 | 16.5 | 2.9 | 20.5 | 22.5 | 13 | 44.5 | 35 | 6.2 | 25.7 | 43.2 | 32.8 |
| 44-1131-00 | |||||||||||||||||||
| 44-1231-00 | |||||||||||||||||||
| 44-1032-00 | 33 | 35 | 70 | 14.5 | 14.2 | 38.14 | M16 x 1.5-6H | 59 | 16.5 | 3.2 | N/A | 25.6 | 14.3 | 44.5 | 35 | 9.6 | 25.5 | 50.8 | 31.0 |
| 44-1132-00 | |||||||||||||||||||
| 44-1232-00 |
You have questions? WE HAVE ANSWERS!
Use the contact button below to be connected with one of our team of experts.