Block Cylinder
Metric Cylinders
Single and Double Acting
- No special mounting hardware is required, just bolt down these easy to use devices.
- Dual position mounting, either parallel or perpendicular to piston travel, on every model.
- A force ranging from minimal to maximum cylinder capacity is adjusted by tuning the input pressure.
- Advance porting, for easy plumbing, is provided on both bottom and side of most models.
- Threaded piston ends allow the use of custom end attachments (Double Acting recommended for attachments or mechanisms).
- Vent port with bronze filter (Single Acting) gives the cylinder a place to breathe and helps keep chips and other contaminants from being drawn past wipers.
- Springs are designed to return the cylinder and contact points, not intended to pull mechanisms.
** Cylinder capacities are listed at 350 bar (35 MPa) maximum operating pressure. The output force is adjustable by varying the hydraulic system pressure. To determine approximate output force for your application, multiply the Piston Area times Your System Operating Pressure. Actual force may vary slightly due to friction loss, seal and wiper drag and/or return spring forces.
| Model No. | Clamp Capacity (kN) Extend | Clamp Capacity (kN) Retract | Stroke (mm) | Body Size (mm) | Minimum Length (mm) | Piston Area (cm²) Extend | Piston Area (cm²) Retract | Oil Capacity Extend (cm³) | Oil Capacity Retract (cm³) |
|---|---|---|---|---|---|---|---|---|---|
| 42-0110-00 | 10.1 | N/A | 6.5 | 28.5 X 51 | 60 | 2.9 | N/A | 1.9 | N/A |
| 42-0110-01 | 10.1 | N/A | 19 | 28.5 X 51 | 79 | 2.9 | N/A | 5.7 | N/A |
| 42-0110-02 | 17.8 | N/A | 12.5 | 44.5 X 51 | 71 | 5.1 | N/A | 6.5 | N/A |
| 42-0110-03 | 17.8 | N/A | 25.5 | 44.5 X 51 | 84 | 5.1 | N/A | 13 | N/A |
| 42-0110-04 | 17.8 | N/A | 51 | 44.5 X 51 | 112.5 | 5.1 | N/A | 26 | N/A |
| 42-0110-05 | 39.9 | N/A | 12.5 | 51 X 63.5 | 73 | 11.4 | N/A | 14.5 | N/A |
| 42-0110-06 | 39.9 | N/A | 25.5 | 51 X 63.5 | 86 | 11.4 | N/A | 29 | N/A |
| 42-0110-12 | 17.8 | N/A | 38.1 | 44.5 X 51 | 100 | 5.1 | N/A | 19.3 | N/A |
| 42-0110-13 | 39.9 | N/A | 38.1 | 51 X 63.5 | 98.5 | 11.4 | N/A | 43.4 | N/A |
| 42-0110-14 | 39.9 | N/A | 51 | 51 X 63.5 | 114.5 | 11.4 | N/A | 58 | N/A |
| Model No. | Clamp Capacity (kN) Extend | Clamp Capacity (kN) Retract | Stroke (mm) | Body Size (mm) | Minimum Length (mm) | Piston Area (cm²) Extend | Piston Area (cm²) Retract | Oil Capacity Extend (cm³) | Oil Capacity Retract (cm³) |
|---|---|---|---|---|---|---|---|---|---|
| 42-0120-00 | 10.1 | 5.6 | 6.5 | 28.5 X 51 | 60 | 2.9 | 1.6 | 1.9 | 1 |
| 42-0120-01 | 10.1 | 5.6 | 19 | 28.5 X 51 | 79 | 2.9 | 1.6 | 5.7 | 3 |
| 42-0120-02 | 17.8 | 5.9 | 12.5 | 44.5 X 51 | 71 | 5.1 | 1.7 | 6.5 | 2.2 |
| 42-0120-03 | 17.8 | 5.9 | 25.5 | 44.5 X 51 | 84 | 5.1 | 1.7 | 13 | 4.4 |
| 42-0120-04 | 17.8 | 5.9 | 51 | 44.5 X 51 | 112.5 | 5.1 | 1.7 | 26 | 8.8 |
| 42-0120-05 | 39.9 | 17.5 | 12.5 | 51 X 63.5 | 73 | 11.4 | 5.0 | 14.5 | 6.3 |
| 42-0120-06 | 39.9 | 17.5 | 25.5 | 51 X 63.5 | 86 | 11.4 | 5.0 | 29 | 12.7 |
| 42-0120-07 | 39.9 | 17.5 | 51 | 51 X 63.5 | 114.5 | 11.4 | 5.0 | 58 | 25.4 |
| 42-0120-08 | 17.8 | 5.9 | 38.1 | 44.5 X 51 | 100 | 5.1 | 1.7 | 19.3 | 6.6 |
| 42-0120-09 | 39.9 | 17.5 | 38.1 | 51 X 63.5 | 98.5 | 11.4 | 5.0 | 43.4 | 19 |
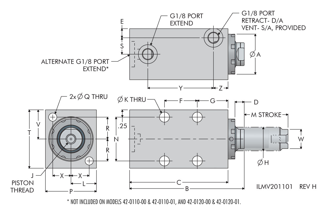
| Model No. | A | B | C | D | E | F | G | H | J | K | L | M | N | P | Q | R | S | T | V | W | X | Y | Z |
|---|---|---|---|---|---|---|---|---|---|---|---|---|---|---|---|---|---|---|---|---|---|---|---|
| 42-0110-00 | 27 | 60 | 47 | 7.5 | 9.5 | N/A | 23.5 | 12.7 | M6 X 1.0 X 11 | 7.1 | 14.3 | 6.5 | 33.4 | 28.5 | 7.1 | 16.5 | 0 | 51 | 23 | 11 | 8 | 28 | 9.5 |
| 42-0110-01 | 27 | 79 | 66 | 7.5 | 9.5 | N/A | 23.5 | 12.7 | M6 X 1.0 X 11 | 7.1 | 14.3 | 19 | 33.4 | 28.5 | 7.1 | 16.5 | 0 | 51 | 23 | 11 | 8 | 47 | 9.5 |
| 42-0110-02 | 35 | 71 | 57 | 8 | 8 | N/A | 27 | 20.64 | M8 X 1.25 X 11 | 8.7 | 22 | 12.5 | 38.1 | 44.5 | 7.1 | 19 | 14.5 | 51 | 25.5 | 17 | 16 | 28.5 | 12.5 |
| 42-0110-03 | 35 | 84 | 69.5 | 8 | 8 | N/A | 27 | 20.64 | M8 X 1.25 X 11 | 8.7 | 22 | 25.5 | 38.1 | 44.5 | 7.1 | 19 | 14.5 | 51 | 25.5 | 17 | 16 | 41 | 12.5 |
| 42-0110-04 | 35 | 112.5 | 98.5 | 8 | 8 | 41.3 | 27 | 20.64 | M8 X 1.25 X 11 | 8.7 | 22 | 51 | 38.1 | 44.5 | 7.1 | 19 | 14.5 | 51 | 25.5 | 17 | 16 | 70 | 12.5 |
| 42-0110-05 | 44.5 | 73 | 57 | 10 | 8 | N/A | 27 | 28.58 | M12 X 1.75 X 13 | 8.7 | 25.5 | 12.5 | 50.8 | 51 | 8.7 | 24 | 17.5 | 63.5 | 32 | 25 | 18 | 28.5 | 12.5 |
| 42-0110-06 | 44.5 | 86 | 69.5 | 10 | 8 | N/A | 27 | 28.58 | M12 X 1.75 X 13 | 8.7 | 25.5 | 25.5 | 50.8 | 51 | 8.7 | 24 | 17.5 | 63.5 | 32 | 25 | 18 | 41 | 12.5 |
| 42-0110-12 | 35 | 100 | 85.5 | 8 | 8 | 28.6 | 27 | 20.64 | M8 X 1.25 X 11 | 8.7 | 22 | 38 | 38.1 | 44.5 | 7.1 | 19 | 14.5 | 51 | 25.5 | 17 | 16 | 57 | 12.5 |
| 42-0110-13 | 44.5 | 98.5 | 82.5 | 10 | 8 | 25.4 | 27 | 28.58 | M12 X 1.75 X 13 | 8.7 | 25.5 | 38 | 50.8 | 51 | 8.7 | 24 | 17.5 | 63.5 | 32 | 25 | 18 | 54 | 12.5 |
| 42-0110-14 | 44.5 | 114.5 | 98.5 | 10 | 8 | 41.3 | 27 | 28.58 | M12 X 1.75 X 13 | 8.7 | 25.5 | 51 | 50.8 | 51 | 8.7 | 24 | 17.5 | 63.5 | 32 | 25 | 18 | 70 | 12.5 |
| Model No. | A | B | C | D | E | F | G | H | J | K | L | M | N | P | Q | R | S | T | V | W | X | Y | Z |
|---|---|---|---|---|---|---|---|---|---|---|---|---|---|---|---|---|---|---|---|---|---|---|---|
| 42-0120-00 | 27 | 60 | 47 | 7.5 | 9.5 | N/A | 23.5 | 12.7 | M6 X 1.0 X 11 | 7.1 | 14.3 | 6.5 | 33.4 | 28.5 | 7.1 | 16.5 | 0 | 51 | 23 | 11 | 8 | 28 | 9.5 |
| 42-0120-01 | 27 | 79 | 66 | 7.5 | 9.5 | N/A | 23.5 | 12.7 | M6 X 1.0 X 11 | 7.1 | 14.3 | 19 | 33.4 | 28.5 | 7.1 | 16.5 | 0 | 51 | 23 | 11 | 8 | 47 | 9.5 |
| 42-0120-02 | 35 | 71 | 57 | 8 | 8 | N/A | 27 | 20.64 | M8 X 1.25 X 11 | 8.7 | 22 | 12.5 | 38.1 | 44.5 | 7.1 | 19 | 14.5 | 51 | 25.5 | 17 | 16 | 28.5 | 12.5 |
| 42-0120-03 | 35 | 84 | 69.5 | 8 | 8 | N/A | 27 | 20.64 | M8 X 1.25 X 11 | 8.7 | 22 | 25.5 | 38.1 | 44.5 | 7.1 | 19 | 14.5 | 51 | 25.5 | 17 | 16 | 41 | 12.5 |
| 42-0120-04 | 35 | 112.5 | 98.5 | 8 | 8 | 41.3 | 27 | 20.64 | M8 X 1.25 X 11 | 8.7 | 22 | 51 | 38.1 | 44.5 | 7.1 | 19 | 14.5 | 51 | 25.5 | 17 | 16 | 70 | 12.5 |
| 42-0120-05 | 44.5 | 73 | 57 | 10 | 8 | N/A | 27 | 28.58 | M12 X 1.75 X 13 | 8.7 | 25.5 | 12.5 | 50.8 | 51 | 8.7 | 24 | 17.5 | 63.5 | 32 | 25 | 18 | 28.5 | 12.5 |
| 42-0120-06 | 44.5 | 86 | 69.5 | 10 | 8 | N/A | 27 | 28.58 | M12 X 1.75 X 13 | 8.7 | 25.5 | 25.5 | 50.8 | 51 | 8.7 | 24 | 17.5 | 63.5 | 32 | 25 | 18 | 41 | 12.5 |
| 42-0120-07 | 44.5 | 114.5 | 98.5 | 10 | 8 | 41.3 | 27 | 28.58 | M12 X 1.75 X 13 | 8.7 | 25.5 | 51 | 50.8 | 51 | 8.7 | 24 | 17.5 | 63.5 | 32 | 25 | 18 | 70 | 12.5 |
| 42-0120-08 | 35 | 100 | 85.5 | 8 | 8 | 28.6 | 27 | 20.64 | M8 X 1.25 X 11 | 8.7 | 22 | 38 | 38.1 | 44.5 | 7.1 | 19 | 14.5 | 51 | 25.5 | 17 | 16 | 57 | 12.5 |
| 42-0120-09 | 44.5 | 98.5 | 82.5 | 10 | 8 | 25.4 | 27 | 28.58 | M12 X 1.75 X 13 | 8.7 | 25.5 | 38 | 50.8 | 51 | 8.7 | 24 | 17.5 | 63.5 | 32 | 25 | 18 | 54 | 12.5 |
You have questions? WE HAVE ANSWERS!
Use the contact button below to be connected with one of our team of experts.