Hollow Rod Cylinders
Single and Double Acting
Single And Double Acting
- Available in three capacities 20.6 kN, 29.7 kN and 53.2 kN clamp force at 350 bar (35 MPa).
- Also called Power Nuts, hollow rod cylinders will draw or tighten an appropriately sized bolt to clamp or actuate remote mechanisms.
- Keyhole shaped bodies make maximum use of space. Cylinders are sized to the piston diameter with an additional bulk at the ports only, not the entire body.
- Easily used to add hydraulics to existing strap clamps or pull against C washers.
- Double acting models push and pull with equal force because both sides of the piston have identical areas.
- Bolt size threads in piston ends allow the use of standard bolts or threaded rods for remote actuators.
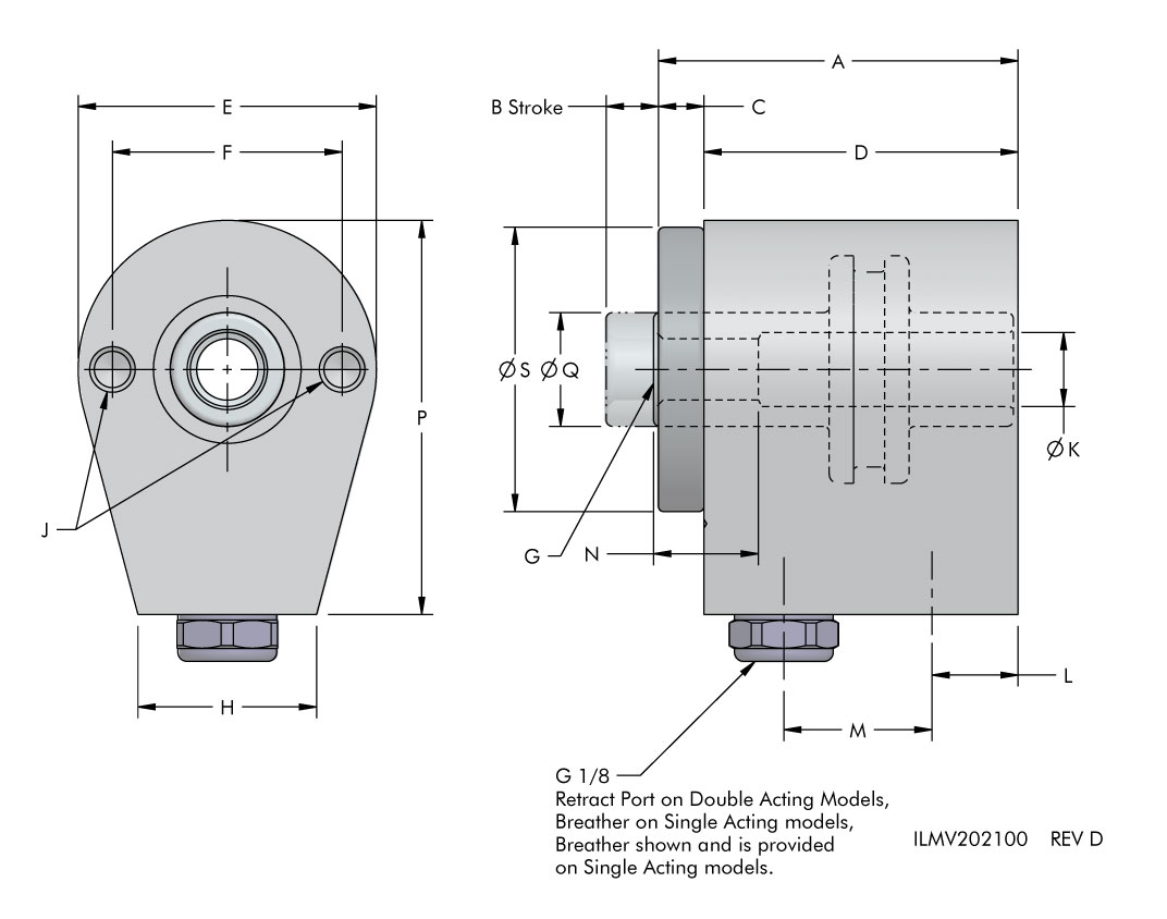
- Vent port with bronze filter gives the cylinder a place to breathe and helps keep chips and coolants from drawing past wipers. (Double Acting unclamp port or for Single Acting breather line installation).
- Pistons are retained by a specially designed end cap which reduces spring stresses allowing them to run longer and require less maintenance.
* Cylinder capacities are listed at 350 bar (35 MPa) maximum operating pressure. The output force is adjustable by varying the hydraulic system pressure. To determine approximate output force for your application, multiply the Piston Area times Your System Operating Pressure. Actual force may vary slightly due to friction loss, seal and wiper drag and/or return spring forces.
| Model No. | Clamp Capacity (kN) | Stroke (mm) | Body Size (mm) | Minimum Length (mm) | Piston Area (cm²) | Oil Capacity (cm³) |
|---|---|---|---|---|---|---|
| 42-0210-00 | 20.6 | 6.5 | 41.5 X 55 | 51 | 5.9 | 3.8 |
| 42-0210-01 | 29.7 | 9.5 | 49.5 X 62 | 63 | 8.5 | 8.1 |
| 42-0210-02 | 53.2 | 12.5 | 64.5 X 76 | 75.5 | 15.2 | 19.3 |
| Model No. | Clamp Capacity (kN) | Stroke (mm) | Body Size (mm) | Minimum Length (mm) | Piston Area (cm²) | Oil Capacity (cm³) |
|---|---|---|---|---|---|---|
| 42-0220-00 | 20.6 | 6.5 | 41.5 X 55 | 51 | 5.9 | 3.8 |
| 42-0220-01 | 29.7 | 9.5 | 49.5 X 62 | 63 | 8.5 | 8.1 |
| 42-0220-02 | 53.2 | 12.5 | 64.5 X 76 | 75.5 | 15.2 | 19.3 |
| Model No. | A | B | C | D | E | F | G | H | J | K | L | M | N | P | Q | S |
|---|---|---|---|---|---|---|---|---|---|---|---|---|---|---|---|---|
| 42-0210-00 | 51 | 6.5 | 7 | 43.5 | 41.5 | 32 | M10 | 28.5 | M6 X 1.0 X 6 | 10.5 | 12 | 20.5 | 15 | 55 | 16 | 39.5 |
| 42-0210-01 | 63.5 | 9.5 | 7 | 56.5 | 49.5 | 36 | M12 | 24.5 | M8 X 1.25 X 8 | 13.5 | 18 | 25.5 | 15 | 62 | 19 | 47.5 |
| 42-0210-02 | 76 | 12.5 | 9.5 | 66 | 64.5 | 50 | M16 | 25 | M10 X 1.5 X 13 | 16.5 | 23 | 30 | 18 | 76 | 25.5 | 63.5 |
| Model No. | A | B | C | D | E | F | G | H | J | K | L | M | N | P | Q | S |
|---|---|---|---|---|---|---|---|---|---|---|---|---|---|---|---|---|
| 42-0220-00 | 51 | 6.5 | 7 | 43.5 | 41.5 | 32 | M10 | 28.5 | M6 X 1.0 X 6 | 10.5 | 12 | 20.5 | 15 | 55 | 16 | 39.5 |
| 42-0220-01 | 63.5 | 9.5 | 7 | 56.5 | 49.5 | 36 | M12 | 24.5 | M8 X 1.25 X 8 | 13.5 | 18 | 25.5 | 15 | 62 | 19 | 47.5 |
| 42-0220-02 | 76 | 12.5 | 9.5 | 66 | 64.5 | 50 | M16 | 25 | M10 X 1.5 X 13 | 16.5 | 23 | 30 | 18 | 76 | 25.5 | 63.5 |
You have questions? WE HAVE ANSWERS!
Use the contact button below to be connected with one of our team of experts.