Double Acting Top Flange Inch Hydraulic Work Supports
- Available in 2,750 and 5,500 lb capacity at 5,000 psi.
- Innovative design featuring a spring advanced work support integrated within a double acting shuttle cylinder.
- The sleeve design is 2.5 times thicker than other work support models on the market. This sleeve efficiently closes and uniformly grips the plunger making it superior in precision applications.
- After the shuttle has retracted and the plunger been released to its spring advanced state, the plunger will clear the part by a minimum of 0.125 inches, eliminating ejection of a work piece.
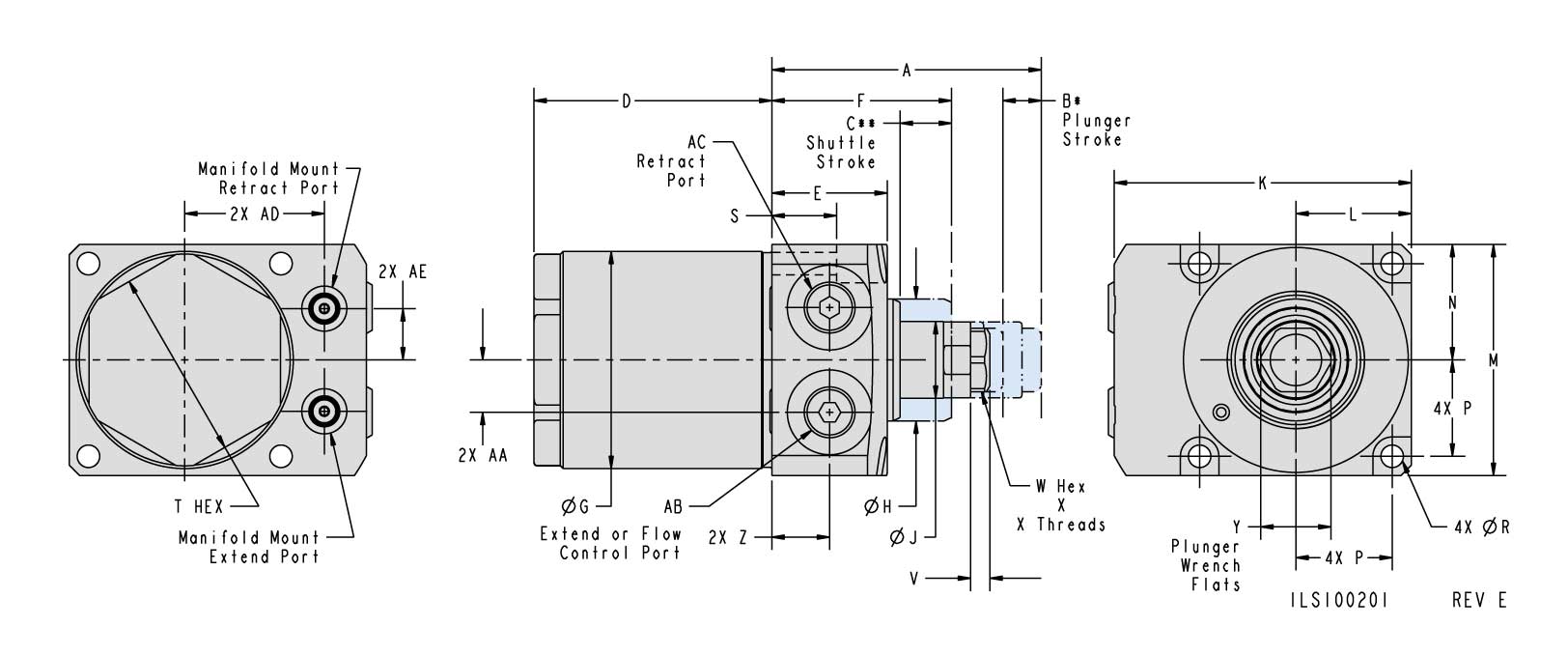
- Top flange style body allows for hydraulic connection through face sealed O-rings or through SAE ports.
- Sealed design and two wipers keep chips and debris out so unit operates smoothly.
- BHC (Black Hard Coating) body, hard chrome plated shuttle piston and stainless steel plunger promote long life in harsh machining environments.
- Optional In-Port Flow Control is a meter-in device with reverse free flow check valve.
- Optional In-Port Sequence Valve is a sequencing device with reverse free flow check valve.
- US Patent No. 8,444,128.
Device Operation
Advance: Hydraulic pressure extends the shuttle cylinder to full stroke position, moving the work support plunger out to the part. The spring advanced plunger will contact the part during shuttle extension applying only spring force. Internal sequencing occurs after shuttle is fully extended and allows hydraulic pressure to lock plunger inside sleeve.
Retract: The sleeve maintains its locked condition on the plunger while hydraulic pressure retracts the shuttle. On reaching the retracted position, the sleeve unclamps and the plunger returns to its spring advanced state at least 0.125 inches below the part.
* Support capacities are listed at 5,000 psi maximum operating pressure. Support capacities for other pressures must be determined by consulting the capacity graph.
** In-port valves require the use of manifold mount ports.
* Plunger Stroke B is the available work zone of the plunger. The workpiece must be positioned inside this window.
** Shuttle Stroke C is the stroke the shuttle travels to position the work support plunger relative to the workpiece. The shuttle moves the full range of this stroke every cycle.
*** The difference between C and B (C-B) equals the minimum distance the plunger is below the part in the retracted position.
For Spherical Work Support Contact Bolt, click here.
Vektek recommends only 17-7 stainless steel springs.
Too light of custom spring force may not actuate plunger, especially if a custom contact bolt is used.
Too heavy of custom spring may cause damage to devices internal components.
VEKTEK CANNOT GUARANTEE THAT CUSTOM SPRINGS WILL PROVIDE PROPER PLUNGER ACTUATION.
| Model No. | Support Capacity (lb.) | Contact Force (lb.) | Stroke (in.) | Shuttle Stroke (in.) | Body Dia. | Piston Area (sq. in.) Extend | Piston Area (sq. in.) Retract | Oil Capacity Extend (cu. in.) | Oil Capacity Retract (cu. in.) | Maximum Oil Flow Rate (cu. in./min) | Port X For Optional In-Port Valves |
|---|---|---|---|---|---|---|---|---|---|---|---|
| 10-0208-00 | 2750 | 3.5-7.0 | 0.38 | 0.50 | 2.12 | 1.62 | 0.52 | 0.81 | 0.26 | 70 | SAE 4 X 0.58 |
| 10-0212-00 | 5500 | 4.4-8.1 | 0.38 | 0.50 | 2.99 | 3.55 | 0.79 | 1.78 | 0.40 | 150 | SAE 4 X 0.58 |
| Model No. | A | B | C | D | E | F | G | H | J | K | L | M | N | P | R | S | T | V | W | X | Y | Z | AA | AB | AC | AD | AE |
|---|---|---|---|---|---|---|---|---|---|---|---|---|---|---|---|---|---|---|---|---|---|---|---|---|---|---|---|
| 10-0208-00 | 2.63 | 0.38 | 0.50 | 2.32 | 1.13 | 1.75 | 2.12 | 1.19 | 0.75 | 2.90 | 1.13 | 2.25 | 1.13 | 0.94 | 0.22 | 0.63 | 1.88 | 0.19 | 0.63 | 9/16-18 X 0.31 | 0.69 | 0.56 | 0.51 | SAE 4 | SAE 4 | 1.36 | 0.50 |
| 10-0212-00 | 2.75 | 0.38 | 0.50 | 2.69 | 1.13 | 1.75 | 2.99 | 1.88 | 1.25 | 3.69 | 1.56 | 3.13 | 1.56 | 1.28 | 0.28 | 0.70 | N/A | 0.25 | 1.00 | 3/4-16 x 0.50 | 1.13 | 0.56 | 0.63 | SAE 4 | SAE 4 | 1.75 | 0.75 |
| Model No. | A | B | C | D | E |
|---|---|---|---|---|---|
| 10-0208-00 | 2.130 | 0.938 | 10-32 UNF | 1.360 | 0.500 |
| 10-0212-00 | 3.005 | 1.281 | 1/4-28 UNF | 1.750 | 0.750 |
| Model No. | Support Capacity (lb.) | O-Ring Part Number | A | B | C | D | E |
|---|---|---|---|---|---|---|---|
| 10-0208-00 | 2750 | 39-0000-72 | 0.625 | 0.312 | 0.460 | 0.080 | 9/16-18 UNF-2A |
| 10-0212-00 | 5500 | 39-0510-66 | 0.875 | 0.500 | 0.650 | 0.080 | 3/4-16 UNF-2A |
| Model No. | A | B | C | D | Std Spring OD | Std Spring Wire Ø | Std Spring Free Length | Std Spring Rate (lb./in.) |
|---|---|---|---|---|---|---|---|---|
| 10-0208-00 | 1.13 | 0.51 | 0.46 | 0.38 | 0.48 | 0.045 | 1.50 | 9.4 |
| 10-0212-00 | 1.13 | 0.68 | 0.62 | 0.47 | 0.59 | 0.055 | 1.56 | 10.0 |
You have questions? WE HAVE ANSWERS!
Use the contact button below to be connected with one of our team of experts.