Language: EN

Pressure Reducing Valve – Cartridge

Low Pressure Accessory Valves

Pressure Reducing Valve for Circuit Pressure Control

  • For use in double or single acting systems.
  • Direct acting, poppet style, adjustable, cartridge construction.
  • Cartridge can be installed directly into your manifold.
  • Set Range from 1 MPa (10 bar) to 6.2 MPa (62 bar) recommended.
  • Repeatability is +/- 10% of set pressure.
  • Maximum inlet pressure 20 MPa (200 bar).
  • Two-port design eliminates need for third fluid line to drain bypass flow (internal leakage) back to system reservoir.
  • Recommended filtration: 25 Micron (Nom) / 40 Micron (ABS) (min.)

OPERATION: The Pressure Reducing Valve (PRV) is a Normally Open (N/O) pressure control device. The valve remains open and fluid flows freely to downstream devices (from the valve to devices) until the pressure in the valve reaches the pressure (adjustable) set-point. At the set-point pressure, the valve closes, blocking further flow and pressure rise to the downstream devices. If there is a sufficient down-stream pressure loss (from the valve to devices), the PRV will re-open, allowing flow to pass through the valve until the pressure again reaches the valve set-point. The PRV is designed for use in both single acting and double acting systems.

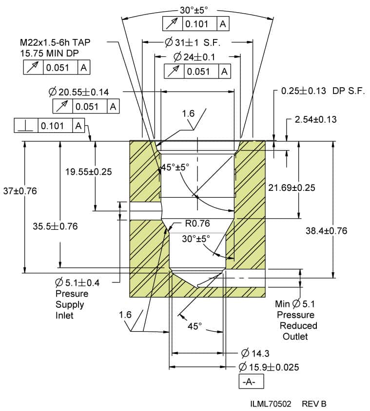
For proper sealing, the mating surface must be flat within 0.08 mm with a maximum surface roughness of 1.6 mµ Ra.

NOTE: Maximum system flow rate is 5.7 l/m unless otherwise noted. Excess flow voids warranty. For cavity tooling (multi-step Reamer), order kit 62-7050-00.

Model No.Set Pressure RangeSystem Pressure
L7-0530-001.0 MPa (10 bar) - 6.2 MPa (62 bar)20 MPa (200 bar)
Model No.Product Type
62-7050-00Multi-Step Carbide Cavity Contour Tool

You have questions? WE HAVE ANSWERS!

Use the contact button below to be connected with one of our team of experts.