Language: EN

“A-B” Check Valve

Check Valves

  • 5:1 Ratio of Pilot to Check pressure for release.
  • Filters on each port location.
  • Manifold mountable.
  • BHC™ body and stainless steel internal components for corrosion protection.
  • 5,000 PSI MAX Operating Pressure.

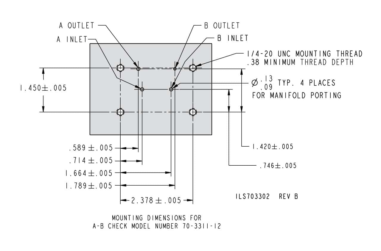
NOTE: Pressure applied to the “A” inlet port flows to the “A” outlet port and unlocks check on the “B” side allowing pressure on “B” to return to tank. Pressure applied to “B” inlet flows to “B” outlet and unlocks check on “A” side allowing pressure on “A” to return to tank. Field repair requires a special Check Valve Installation Tool. Please order Model No. 65-6000-00.

For proper sealing, mating surface must be flat within 0.003 in with a maximum 63 µ in Ra surface finish.

Model No.
70-3311-12

You have questions? WE HAVE ANSWERS!

Use the contact button below to be connected with one of our team of experts.