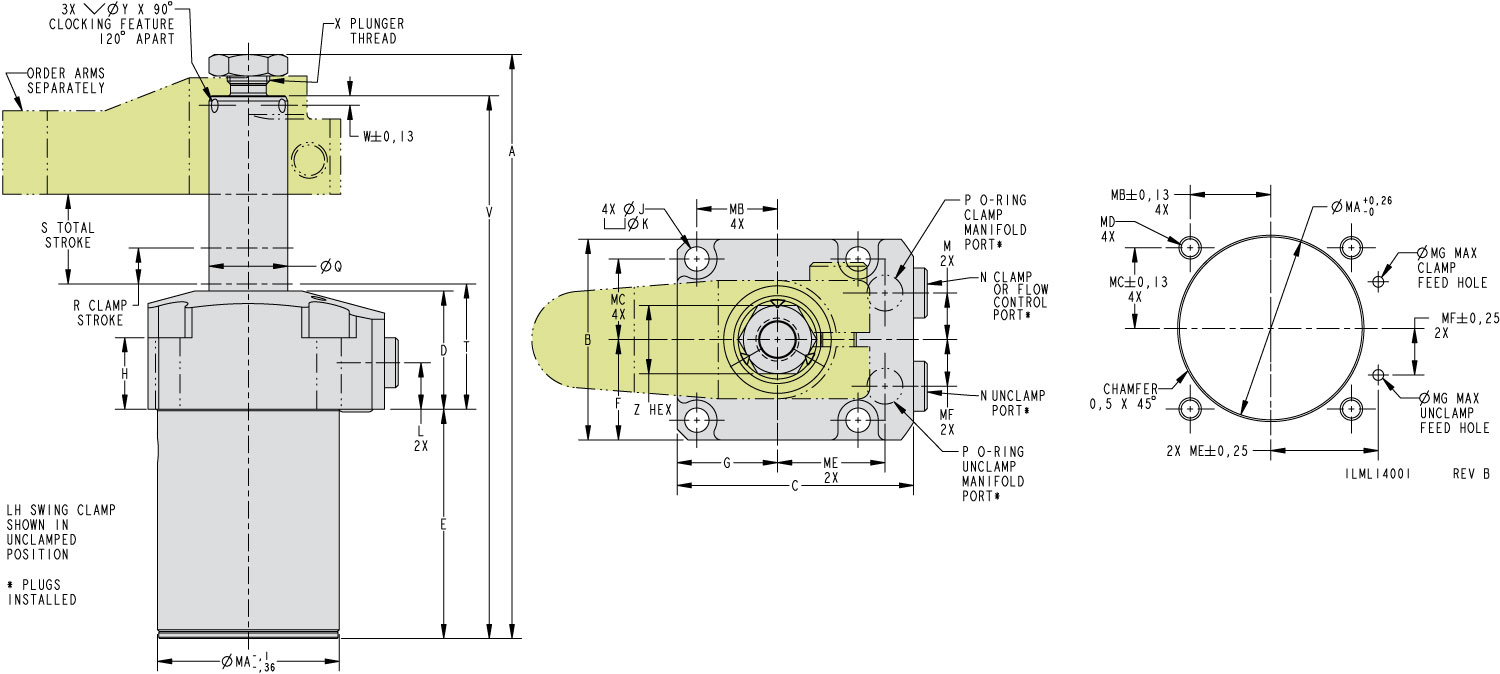
Top Flange Swing Clamp
TuffCam 7MPa Swing Clamp
Double Acting
- Six clamp capacities available ranging from 1.9 kN to 20.4 kN.
- Clamp can be operated at 7 MPa (70 bar) with long arm; no pressure reduction required.
- Patented ball seat delivers improved rotary function and cam follower contact, while reducing dynamic and static friction.
- Tungsten-Carbide cam followers for strength and wear.
- Clamp repeatability ±0.25° and swing angle repeatability 90° ± 3°.
- See flow rate limits and time calculations needed to preserve warranty.
- TuffCam™ clocking feature for repeat locating of arm.
- Swing restrictors.
- Arms sold separately. The standard length 7 MPa arm with the threaded contact bolt hole is designed to clamp over the work support centerline.
- Can be either manifold mounted or plumbed.
- Optional In The Port flow control is a meter-in device with a reverse free flow check valve.
- Optional In The Port sequence valve is a pressure sequencing device with reverse free flow check valve.
- See Ultrasonic variant.
* Cylinder capacities are listed at 7 MPa (70 bar) operating pressure, with a standard length VektorFlo® 7 MPa arm installed. Maximum operating pressure is 10 MPa (100 bar). The minimum operating pressure is 1 MPa (10 bar). The clamping force is adjustable by varying the hydraulic system pressure. To determine the approximate output force for your application, divide the cylinder capacity shown above by 7 MPa (70 bar), and multiply the resultant number by your system operating pressure MPa (bar) to obtain the approximate clamping force for your application. (Actual force will vary slightly due to internal cantilever loading, and/or friction loss.)
** To allow for piece part height variations, it is recommended that the vertical travel be set to about 50% of the vertical stroke.
*** To ensure maximum service life and trouble-free operation, restrict fluid flow according to the clamp time and flow rates.
**** In The Port valves require the use of manifold mount ports.
WARNING: Never allow swing arm to contact workpiece or fixture during arm rotation.
| Model No. | Swing Direction | Clamp Capacity (kN) | Bore Size (mm) | Vertical Clamp Stroke (mm) | Total Stroke (Swing + Vertical) (mm) | Piston Area (cm²) Retract | Oil Capacity Extend (cm³) | Oil Capacity Retract (cm³) | Port X For Optional In-Port Valves |
|---|---|---|---|---|---|---|---|---|---|
| L1-4025-00-L | Left | 1.9 | 25 | 8 | 18.5 | 3.14 | 9.1 | 5.8 | G1/8 X 15.16 |
| L1-4032-00-L | Left | 3.3 | 32 | 8 | 19.5 | 5.50 | 15.7 | 10.7 | G1/8 X 15.16 |
| L1-4040-00-L | Left | 5.2 | 40 | 10 | 25.0 | 8.76 | 31.4 | 21.9 | G1/8 X 15.16 |
| L1-4050-00-L | Left | 8.0 | 50 | 12 | 30.0 | 13.47 | 58.9 | 40.4 | G1/4 X 18.72 |
| L1-4063-00-L | Left | 12.5 | 63 | 14 | 32.0 | 21.00 | 99.8 | 67.2 | G1/4 X 18.72 |
| L1-4080-00-L | Left | 20.4 | 80 | 14 | 35.0 | 34.36 | 175.9 | 120.3 | G1/4 X 18.72 |
| Model No. | Swing Direction | Clamp Capacity (kN) | Bore Size (mm) | Vertical Clamp Stroke (mm) | Total Stroke (Swing + Vertical) (mm) | Piston Area (cm²) Retract | Oil Capacity Extend (cm³) | Oil Capacity Retract (cm³) | Port X For Optional In-Port Valves |
|---|---|---|---|---|---|---|---|---|---|
| L1-4025-00-R | Right | 1.9 | 25 | 8 | 18.5 | 3.14 | 9.1 | 5.8 | G1/8 X 15.16 |
| L1-4032-00-R | Right | 3.3 | 32 | 8 | 19.5 | 5.50 | 15.7 | 10.7 | G1/8 X 15.16 |
| L1-4040-00-R | Right | 5.2 | 40 | 10 | 25.0 | 8.76 | 31.4 | 21.9 | G1/8 X 15.16 |
| L1-4050-00-R | Right | 8.0 | 50 | 12 | 30.0 | 13.47 | 58.9 | 40.4 | G1/4 X 18.72 |
| L1-4063-00-R | Right | 12.5 | 63 | 14 | 32.0 | 21.00 | 99.8 | 67.2 | G1/4 X 18.72 |
| L1-4080-00-R | Right | 20.4 | 80 | 14 | 35.0 | 34.36 | 175.9 | 120.3 | G1/4 X 18.72 |
| Model No. | Swing Direction | Clamp Capacity (kN) | Bore Size (mm) | Vertical Clamp Stroke (mm) | Total Stroke (Swing + Vertical) (mm) | Piston Area (cm²) Retract | Oil Capacity Extend (cm³) | Oil Capacity Retract (cm³) | Port X For Optional In-Port Valves |
|---|---|---|---|---|---|---|---|---|---|
| L1-4025-00-S | Straight | 1.9 | 25 | 8 | 18.5 | 3.14 | 9.1 | 5.8 | G1/8 X 15.16 |
| L1-4032-00-S | Straight | 3.3 | 32 | 8 | 19.5 | 5.50 | 15.7 | 10.7 | G1/8 X 15.16 |
| L1-4040-00-S | Straight | 5.2 | 40 | 10 | 25.0 | 8.76 | 31.4 | 21.9 | G1/8 X 15.16 |
| L1-4050-00-S | Straight | 8.0 | 50 | 12 | 30.0 | 13.47 | 58.9 | 40.4 | G1/4 X 18.72 |
| L1-4063-00-S | Straight | 12.5 | 63 | 14 | 32.0 | 21.00 | 99.8 | 67.2 | G1/4 X 18.72 |
| L1-4080-00-S | Straight | 20.4 | 80 | 14 | 35.0 | 34.36 | 175.9 | 120.3 | G1/4 X 18.72 |
| Model No. | Clamp Capacity (kN) | A | B | C | D | E | F | G | H | J | K | L | M | N | P | Q | R | S | T | V | W | X | Y | Z | MA | MB | MC | MD | ME | MF | MG |
|---|---|---|---|---|---|---|---|---|---|---|---|---|---|---|---|---|---|---|---|---|---|---|---|---|---|---|---|---|---|---|---|
| L1-4025-00-L | 1.9 | 124 | 40 | 54.5 | 29 | 48 | 20 | 20 | 20 | 4.8 | 8.25 | 13 | 10 | G 1/8 | ID 4.0 X CS 3.0 | 15 | 8 | 18.5 | 31 | 116.25 | 2 | M8 X 1.00 | 3 | 13 | 35 | 15.5 | 15.5 | M4 | 26.5 | 10 | 3 |
| L1-4032-00-L | 3.3 | 134.5 | 47 | 58 | 31 | 50 | 23.5 | 23.5 | 20 | 5.8 | 9.75 | 13 | 10 | G 1/8 | ID 4.0 X CS 3.0 | 18 | 8 | 19.5 | 33 | 125 | 2 | M10 X 1.25 | 3 | 17 | 42 | 18.5 | 18.5 | M5 | 26.5 | 10 | 3 |
| L1-4040-00-L | 5.2 | 163 | 56 | 66 | 33 | 64 | 28 | 28 | 20 | 6.8 | 11.25 | 13 | 13 | G 1/8 | ID 4.0 X CS 3.0 | 22 | 10 | 25 | 35 | 151.5 | 2.67 | M12 X 1.50 | 4 | 19 | 51 | 22.5 | 22.5 | M6 | 30 | 13 | 3 |
| L1-4050-00-L | 8.0 | 196.5 | 70 | 84 | 38 | 77.5 | 35 | 35 | 23 | 8.8 | 14.5 | 15 | 16 | G 1/4 | ID 8.0 X CS 3.0 | 28 | 12 | 30 | 40 | 182.5 | 2.67 | M14 X 1.50 | 4 | 22 | 63 | 27.5 | 27.5 | M8 | 39 | 16 | 6 |
| L1-4063-00-L | 12.5 | 227.5 | 85 | 98 | 45 | 85.5 | 42.5 | 42.5 | 28 | 10.8 | 17.5 | 15 | 18 | G 1/4 | ID 8.0 X CS 3.0 | 36 | 14 | 32 | 47 | 209.5 | 3.33 | M18 X 1.50 | 5 | 27 | 77 | 33.5 | 33.5 | M10 | 45.5 | 18 | 6 |
| L1-4080-00-L | 20.4 | 263 | 103 | 115.5 | 50 | 97.5 | 51.5 | 51.5 | 30 | 12.8 | 19.5 | 15 | 23 | G 1/4 | ID 8.0 X CS 3.0 | 45 | 14 | 35 | 52 | 240.75 | 4 | M22 X 1.50 | 6 | 32 | 95 | 41.5 | 41.5 | M12 | 54 | 23 | 6 |
| Model No. | Clamp Capacity (kN) | A | B | C | D | E | F | G | H | J | K | L | M | N | P | Q | R | S | T | V | W | X | Y | Z | MA | MB | MC | MD | ME | MF | MG |
|---|---|---|---|---|---|---|---|---|---|---|---|---|---|---|---|---|---|---|---|---|---|---|---|---|---|---|---|---|---|---|---|
| L1-4025-00-R | 1.9 | 124 | 40 | 54.5 | 29 | 48 | 20 | 20 | 20 | 4.8 | 8.25 | 13 | 10 | G 1/8 | ID 4.0 X CS 3.0 | 15 | 8 | 18.5 | 31 | 116.25 | 2 | M8 X 1.00 | 3 | 13 | 35 | 15.5 | 15.5 | M4 | 26.5 | 10 | 3 |
| L1-4032-00-R | 3.3 | 134.5 | 47 | 58 | 31 | 50 | 23.5 | 23.5 | 20 | 5.8 | 9.75 | 13 | 10 | G 1/8 | ID 4.0 X CS 3.0 | 18 | 8 | 19.5 | 33 | 125 | 2 | M10 X 1.25 | 3 | 17 | 42 | 18.5 | 18.5 | M5 | 26.5 | 10 | 3 |
| L1-4040-00-R | 5.2 | 163 | 56 | 66 | 33 | 64 | 28 | 28 | 20 | 6.8 | 11.25 | 13 | 13 | G 1/8 | ID 4.0 X CS 3.0 | 22 | 10 | 25 | 35 | 151.5 | 2.67 | M12 X 1.50 | 4 | 19 | 51 | 22.5 | 22.5 | M6 | 30 | 13 | 3 |
| L1-4050-00-R | 8.0 | 196.5 | 70 | 84 | 38 | 77.5 | 35 | 35 | 23 | 8.8 | 14.5 | 15 | 16 | G 1/4 | ID 8.0 X CS 3.0 | 28 | 12 | 30 | 40 | 182.5 | 2.67 | M14 X 1.50 | 4 | 22 | 63 | 27.5 | 27.5 | M8 | 39 | 16 | 6 |
| L1-4063-00-R | 12.5 | 227.5 | 85 | 98 | 45 | 85.5 | 42.5 | 42.5 | 28 | 10.8 | 17.5 | 15 | 18 | G 1/4 | ID 8.0 X CS 3.0 | 36 | 14 | 32 | 47 | 209.5 | 3.33 | M18 X 1.50 | 5 | 27 | 77 | 33.5 | 33.5 | M10 | 45.5 | 18 | 6 |
| L1-4080-00-R | 20.4 | 263 | 103 | 115.5 | 50 | 97.5 | 51.5 | 51.5 | 30 | 12.8 | 19.5 | 15 | 23 | G 1/4 | ID 8.0 X CS 3.0 | 45 | 14 | 35 | 52 | 240.75 | 4 | M22 X 1.50 | 6 | 32 | 95 | 41.5 | 41.5 | M12 | 54 | 23 | 6 |
| Model No. | Clamp Capacity (kN) | A | B | C | D | E | F | G | H | J | K | L | M | N | P | Q | R | S | T | V | W | X | Y | Z | MA | MB | MC | MD | ME | MF | MG |
|---|---|---|---|---|---|---|---|---|---|---|---|---|---|---|---|---|---|---|---|---|---|---|---|---|---|---|---|---|---|---|---|
| L1-4025-00-S | 1.9 | 124 | 40 | 54.5 | 29 | 48 | 20 | 20 | 20 | 4.8 | 8.25 | 13 | 10 | G 1/8 | ID 4.0 X CS 3.0 | 15 | 8 | 18.5 | 31 | 116.25 | 2 | M8 X 1.00 | 3 | 13 | 35 | 15.5 | 15.5 | M4 | 26.5 | 10 | 3 |
| L1-4032-00-S | 3.3 | 134.5 | 47 | 58 | 31 | 50 | 23.5 | 23.5 | 20 | 5.8 | 9.75 | 13 | 10 | G 1/8 | ID 4.0 X CS 3.0 | 18 | 8 | 19.5 | 33 | 125 | 2 | M10 X 1.25 | 3 | 17 | 42 | 18.5 | 18.5 | M5 | 26.5 | 10 | 3 |
| L1-4040-00-S | 5.2 | 163 | 56 | 66 | 33 | 64 | 28 | 28 | 20 | 6.8 | 11.25 | 13 | 13 | G 1/8 | ID 4.0 X CS 3.0 | 22 | 10 | 25 | 35 | 151.5 | 2.67 | M12 X 1.50 | 4 | 19 | 51 | 22.5 | 22.5 | M6 | 30 | 13 | 3 |
| L1-4050-00-S | 8.0 | 196.5 | 70 | 84 | 38 | 77.5 | 35 | 35 | 23 | 8.8 | 14.5 | 15 | 16 | G 1/4 | ID 8.0 X CS 3.0 | 28 | 12 | 30 | 40 | 182.5 | 2.67 | M14 X 1.50 | 4 | 22 | 63 | 27.5 | 27.5 | M8 | 39 | 16 | 6 |
| L1-4063-00-S | 12.5 | 227.5 | 85 | 98 | 45 | 85.5 | 42.5 | 42.5 | 28 | 10.8 | 17.5 | 15 | 18 | G 1/4 | ID 8.0 X CS 3.0 | 36 | 14 | 32 | 47 | 209.5 | 3.33 | M18 X 1.50 | 5 | 27 | 77 | 33.5 | 33.5 | M10 | 45.5 | 18 | 6 |
| L1-4080-00-S | 20.4 | 263 | 103 | 115.5 | 50 | 97.5 | 51.5 | 51.5 | 30 | 12.8 | 19.5 | 15 | 23 | G 1/4 | ID 8.0 X CS 3.0 | 45 | 14 | 35 | 52 | 240.75 | 4 | M22 X 1.50 | 6 | 32 | 95 | 41.5 | 41.5 | M12 | 54 | 23 | 6 |
You have questions? WE HAVE ANSWERS!
Use the contact button below to be connected with one of our team of experts.