Single Acting Pull-Down Clamp, Spring Return, Manifold Mounted
Special Use Clamps
- Used whenever edge face clamping is desired.
- Generates straight clamping motion and force along with pull-down clamping force to hold and pull down parts.
- Pull-down force is approximately 1/3 of the respective clamping force.
- Standard version with serrated and hardened jaw, complete with mounting bolts (ISO). Optional jaws are available.
- Manifold oil supply only.
- Body of burnished tempered steel with case-hardened ground pistons for long life.
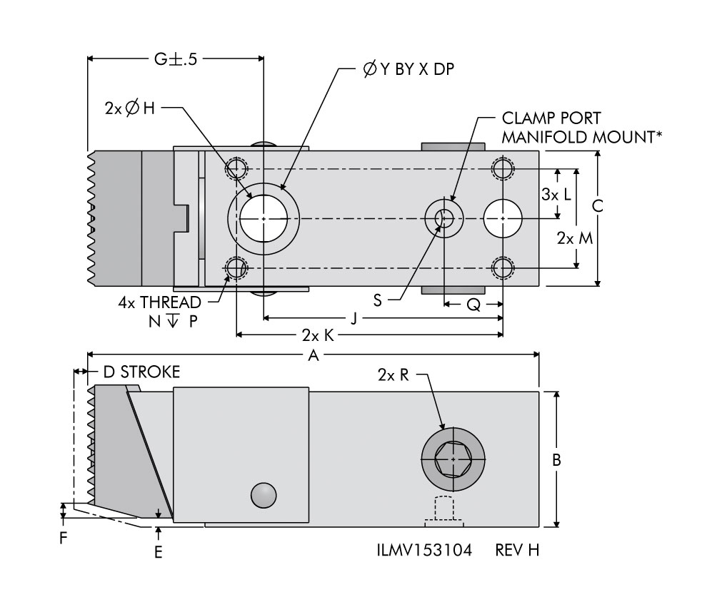
Jaws and pistons are connected by a joint that avoids the introduction of a bending moment to the piston and extends clamp life. Fastened with two mounting bolts from above and four bolts from the bottom to insure maximum hold within operating limits.
| Model No. | Force at 400 bar(40 MPa) (kN) | Stroke (mm) | Oil Capacity (cm³) | Mounting Bolt | Torque Maximum (Nm) | Spring Force Minimum (N) | Weight |
|---|---|---|---|---|---|---|---|
| 41-5311-05 | 4.5 | 5 | 0.57 | M8 X 45 (2 pieces) | 21 | 60 | 670 g |
| 41-5311-20 | 20 | 8 | 4 | M12 X 80 (2 pieces) | 72 | 160 | 2500 g |
| 41-5311-32 | 32 | 10 | 8 | M16 X 100 (2 pieces) | 180 | 210 | 4700 g |
| 41-5311-50 | 50 | 12 | 15 | M20 X 120 (2 pieces) | 350 | 340 | 8800 g |
| Model No. | A | B | C | D | E | F | G | H | J | K | L | M | N | P | Q | R | S | X | Y |
|---|---|---|---|---|---|---|---|---|---|---|---|---|---|---|---|---|---|---|---|
| 41-5311-05 | 100 | 30 | 30 | 5 | 2 | 3 | 39 | 8.5 | 53 | 59 | 11 | 22 | M5 | 6 | 13 | G 1/8 | M3 | N/A | N/A |
| 41-5311-20 | 135 | 50 | 50 | 8 | 3 | 14 | 58 | 12.5 | 67 | 74 | 18 | 36 | M8 | 12 | 14 | G 1/4 | M5 | 6 | 28 |
| 41-5311-32 | 149.5 | 65 | 65 | 10 | 3 | 17 | 63.5 | 16.5 | 72 | 83 | 23.5 | 47 | M10 | 16 | 17.5 | G 1/4 | M5 | 6 | 32 |
| 41-5311-50 | 180 | 80 | 80 | 12 | 3 | 19 | 71 | 20.5 | 93 | 104 | 30 | 60 | M12 | 25 | 21 | G 1/4 | M5 | N/A | N/A |
You have questions? WE HAVE ANSWERS!
Use the contact button below to be connected with one of our team of experts.