Language: EN

Integral Accumulator

Metric Pallet Fixture Accessories

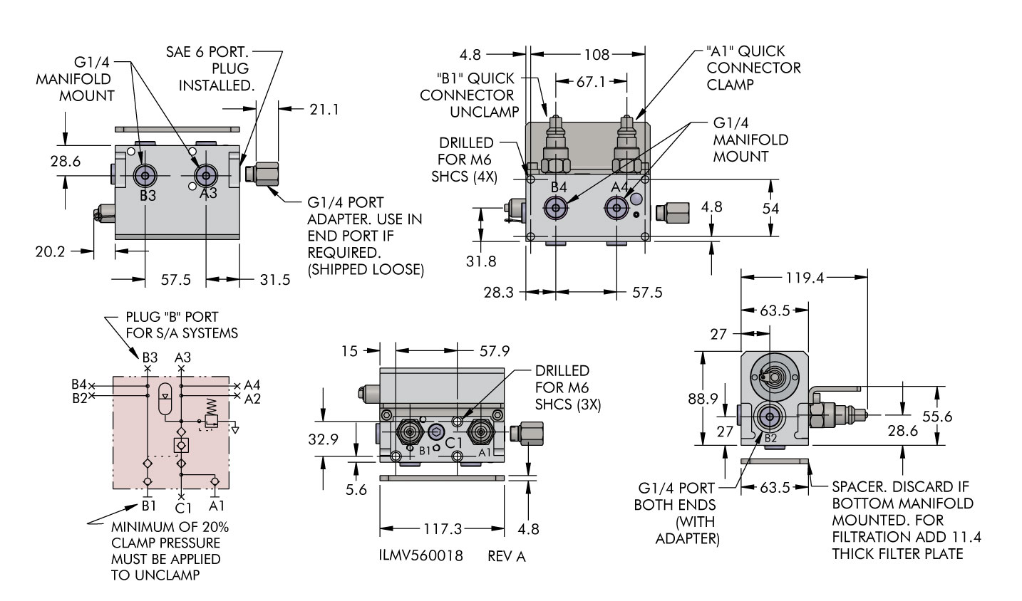
Automatic Shutoff Valve Decouplers for Single and Double Acting Systems

  • Decouplers are a complete, self contained package for disconnecting a fixture from its power supply while machining.
  • Everything is there for you: Quick connect coupling, accumulator, filters, pilot operated check valve and over pressure relief valve!
  • Robust pilot operated check valve with 1 to 5 ratio of pilot to check pressure for proven long term reliability.
  • Internal 25 micron filters for added protection of pilot operated check valve thru ports A1, A2, A3, A4 & C1. Additional filtration provided at port B1 (filtration for A3, B3 or A4, B4 available by purchasing Vektek filter block 47-0842-05 or 47-0842-06 depending on mounting orientation.)
  • G1/4 ports and manifold mounting (bottom and rear) connections on all models.
  • Single acting pallet circuits require 2 hoses to the operating handle for pressure release. For single hose systems see the Manual Shutoff Valve Decoupler.
  • Filter Plates for manifold mounting contamination prevention available here.
  • Maximum working pressure – 350 bar (35 MPa)
  • Provides a fast, positive connection to the decoupler.
  • Ergonomic design reduces operator fatigue.
  • The Two-Handed Handle may be used with the optional Handle Docking Module to assure that the hoses are disconnected from the pallet before it is shuttled into the machine.
  • SAFETY: See Docking Station.

Customers that have previously bought a decoupler can purchase a new cover for their old decoupler.

New orders of decouplers will come with cover.

Customers that have previously bought a decoupler can purchase a new cover for their old decoupler.

New orders of decouplers will come with cover.

Model No.Pressure RangeAccumulator Capacity
45-6007-2730 - 100 Bar / 3 - 10 MPa62 cm³
45-6007-2870 - 250 Bar / 7 - 25 MPa59 cm³
45-6007-29140 - 350 Bar / 14 - 35 MPa52 cm³
Model No.
45-6005-04
Model No.A
45-6007-0512.7
Model No.DescriptionPorts
47-0048-81FILTER, IN-LINE, G1/4, 25 MICRONIn-Line
47-0842-05FILTER, SANDWICH, SUBPLATE, PALLET DECOUPLER, BOTTOM MOUNTBottom A4 & B4
47-0842-06FILTER, SANDWICH, SUBPLATE, PALLET DECOUPLER, REAR MOUNTRear A3 & B3

You have questions? WE HAVE ANSWERS!

Use the contact button below to be connected with one of our team of experts.