Language: EN

Pneumatic Confirmation Valves – Cartridge

Confirmation and Feedback

Confirm Clamp Stroke Position Pneumatically

The pneumatic confirmation valve confirms the stage of loading before or after clamping. It is adaptable to multiple devices including: Swing clamps, link clamps, cylinders and work supports.

Avoid machine crashes by confirming specific actions before you cycle your machine. It is designed to be used in both coolant and dry environments, and is easily mounted either vertically or horizontally. Confirmation at its finest!

  • Easily fine tune your fixture choosing between set and differential pressure.
  • Confirm signal is based on restricting air flow when testing function is present.
  • Over-travel sensing will reopen if a device depresses plunger beyond the valve limit.
  • Use Pneumatic Confirmation Valve with almost any clamping device.
  • Assists in detecting missing or incorrectly loaded parts.
  • Remote venting recommended in coolant applications.

NOTE: Mounting hardware not included.

* Pressure drop when one or more valves open. All valves must be closed for pressure confirmation. Plumb multiple valves in parallel.

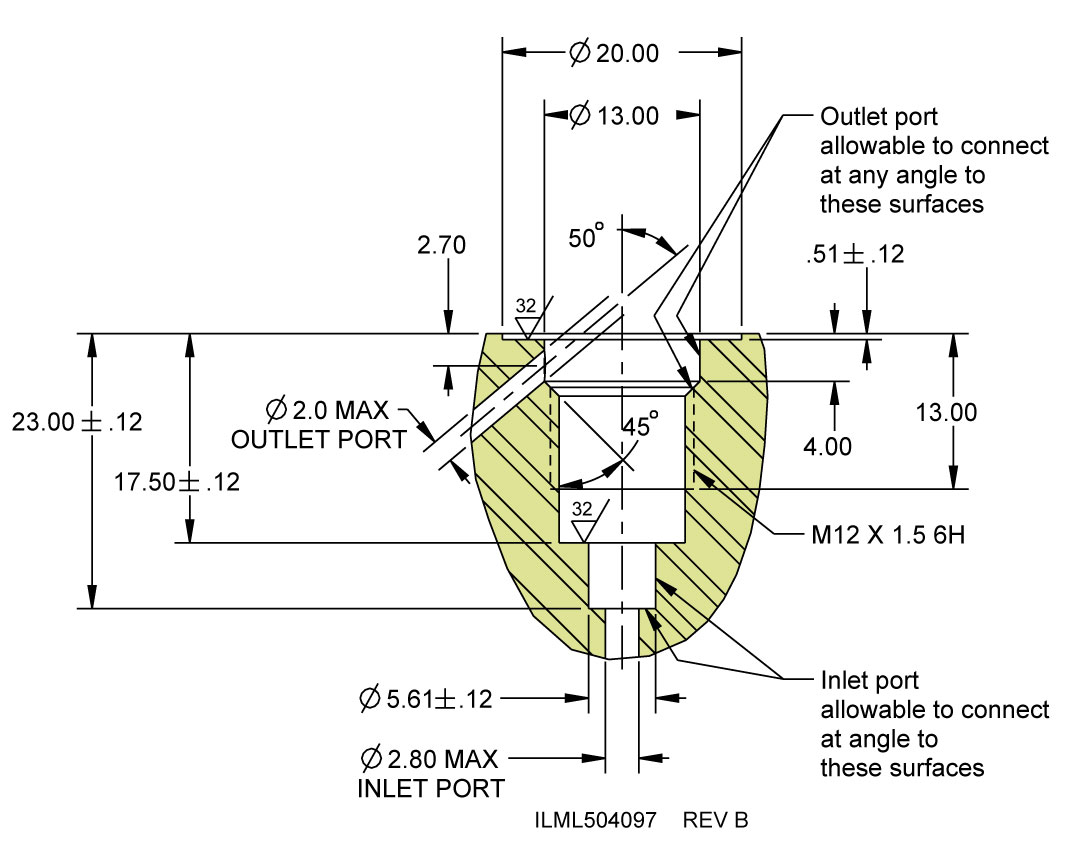
For proper sealing, the mating surface must be flat within 0.08 mm with a maximum surface roughness of 1.6 mµ Ra.

Model No.ActionMax Air PressurePressure RangeAir Flow RateDifferential Pressure @ 140 kPa Air PressureDifferential Pressure @ 480 kPa Air PressurePlunger Stroke (mm)Spring Force (N)Feed Port Nominal Diameter (mm)
L5-0495-00Over-Travel Sensing1000 kPa70 - 480 kPa10 - 20 L/MinMin 80Min 31010 Max6.6 - 13.32
L5-0495-01Standard1000 kPa70 - 480 kPa10 - 20 L/MinMin 80Min 31010 Max6.6 - 13.32

You have questions? WE HAVE ANSWERS!

Use the contact button below to be connected with one of our team of experts.