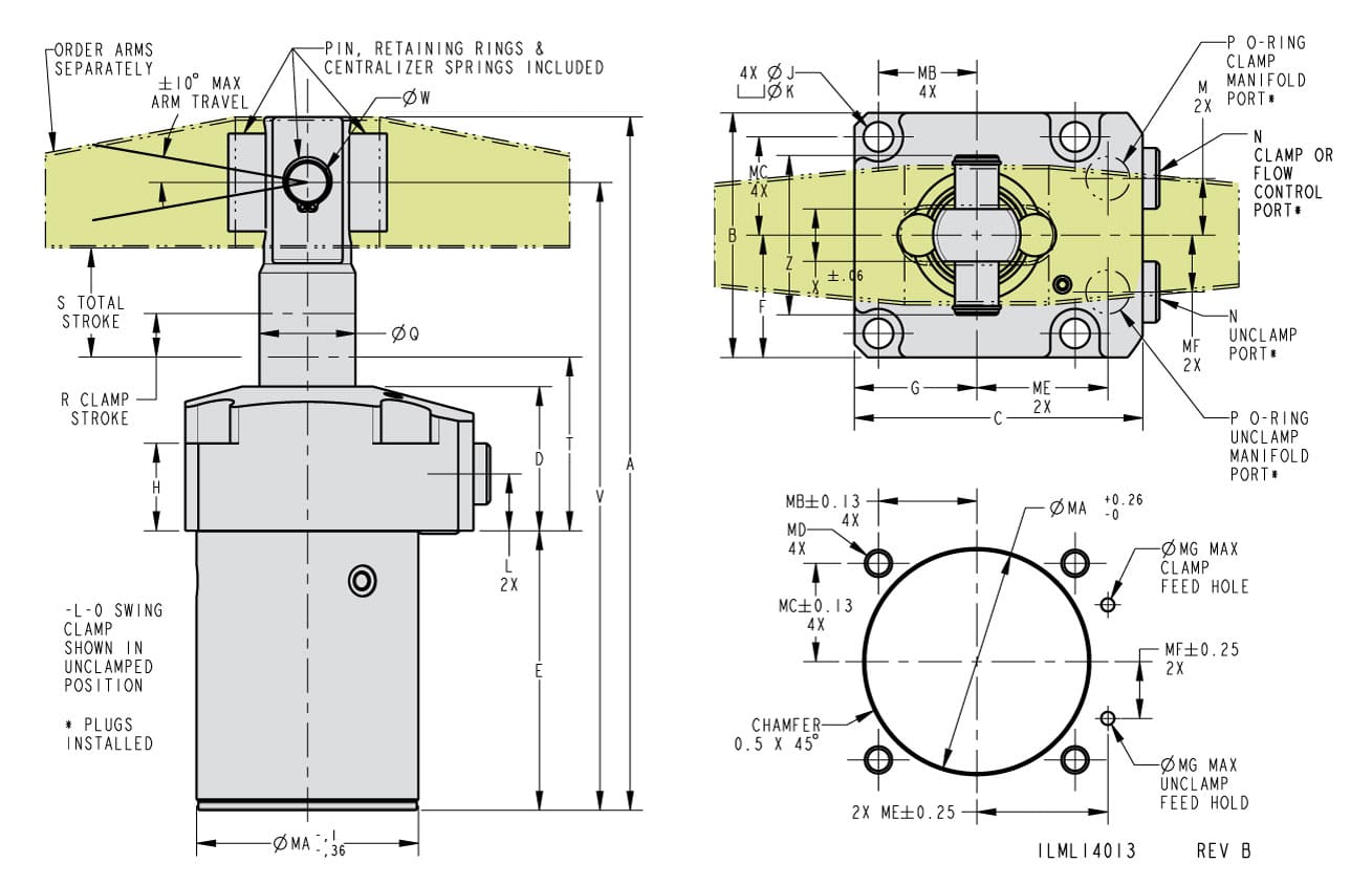
Clevis Plunger Top Flange
TuffCam 7MPa Swing Clamp
Double Acting
- All left or right swing clamps swing 90°. Clamps available in 6 retract capacities ranging from 2.2 kN to 24.1 kN. Designed to operate at 7 MPa.
- Use double ended Rocker Arms to apply equal force on two surfaces of different heights.
- Maximum allowable arm travel for work piece height variation is ±10° n Two standard arm orientations available (0° and 90°). Request other arm orientations through Vektek.
- Clamp repeatability ±0.25° and swing angle repeatability 90° ± 3°.
- Consult table for clamp time and fluid flow rates.
- Stainless steel pivot pin, carbon steel retaining rings and rubber centralizing springs included.
- Patented ball seat delivers improved rotary function and cam follower contact, while reducing dynamic and static friction.
- Tungsten-Carbide ball material; one of the world’s hardest materials.
- Arms sold separately. The standard length 7MPa arm with the threaded contact bolt hole is designed to clamp over the work support centerline.
- Can be either manifold mounted or plumbed.
- Optional In The Port flow control is a meter-in device with a reverse free flow check valve.
- Optional In The Port sequence valve is a pressure sequencing device with reverse free flow check valve.
* Cylinder capacities are listed at 7 MPa (70 bar) operating pressure, with a standard length VektorFlo® 7 MPa arm installed. Maximum operating pressure is 10 MPa (100 bar). The minimum operating pressure is 1 MPa (10 bar). The clamping force is adjustable by varying the hydraulic system pressure. To determine the approximate output force for your application, divide the cylinder capacity shown above by 7 MPa (70 bar), and multiply the resultant number by your system operating pressure MPa (bar) to obtain the approximate clamping force for your application. (Actual force will vary slightly due to internal cantilever loading, and/or friction loss.)
** To allow for piece part height variations, it is recommended that the vertical travel be set to about 50% of the vertical stroke.
*** To ensure maximum service life and trouble-free operation, restrict fluid flow according to the clamp time and flow rates.
**** In The Port valves require the use of manifold mount ports.
WARNING: Never allow swing arm to contact workpiece or fixture during arm rotation.
| Model No. | Swing Direction | Clamp Capacity (kN) | Bore Size (mm) | Vertical Clamp Stroke (mm) | Total Stroke (Swing + Vertical) (mm) | Piston Area (cm²) Retract | Oil Capacity Extend (cm³) | Oil Capacity Retract (cm³) | Port X For Optional In-Port Valves |
|---|---|---|---|---|---|---|---|---|---|
| L1-4025-10-L-0 | Left | 2.2 | 25 | 8 | 18.5 | 3.14 | 9.1 | 5.8 | G 1/8 X 15.16 |
| L1-4025-10-L-90 | Left | 2.2 | 25 | 8 | 18.5 | 3.14 | 9.1 | 5.8 | G 1/8 X 15.16 |
| L1-4032-10-L-0 | Left | 3.8 | 32 | 8 | 19.5 | 5.50 | 15.7 | 10.7 | G 1/8 X 15.16 |
| L1-4032-10-L-90 | Left | 3.8 | 32 | 8 | 19.5 | 5.50 | 15.7 | 10.7 | G 1/8 X 15.16 |
| L1-4040-10-L-0 | Left | 6.1 | 40 | 10 | 25.0 | 8.76 | 31.4 | 21.9 | G 1/8 X 15.16 |
| L1-4040-10-L-90 | Left | 6.1 | 40 | 10 | 25.0 | 8.76 | 31.4 | 21.9 | G 1/8 X 15.16 |
| L1-4050-10-L-0 | Left | 9.4 | 50 | 12 | 30.0 | 13.47 | 58.9 | 40.4 | G 1/4 X 18.72 |
| L1-4050-10-L-90 | Left | 9.4 | 50 | 12 | 30.0 | 13.47 | 58.9 | 40.4 | G 1/4 X 18.72 |
| L1-4063-10-L-0 | Left | 14.7 | 63 | 14 | 32.0 | 21.00 | 99.8 | 67.2 | G 1/4 X 18.72 |
| L1-4063-10-L-90 | Left | 14.7 | 63 | 14 | 32.0 | 21.00 | 99.8 | 67.2 | G 1/4 X 18.72 |
| L1-4080-10-L-0 | Left | 24.1 | 80 | 14 | 35.0 | 34.36 | 175.9 | 120.3 | G 1/4 X 18.72 |
| L1-4080-10-L-90 | Left | 24.1 | 80 | 14 | 35.0 | 34.36 | 175.9 | 120.3 | G 1/4 X 18.72 |
| Model No. | Swing Direction | Clamp Capacity (kN) | Bore Size (mm) | Vertical Clamp Stroke (mm) | Total Stroke (Swing + Vertical) (mm) | Piston Area (cm²) Retract | Oil Capacity Extend (cm³) | Oil Capacity Retract (cm³) | Port X For Optional In-Port Valves |
|---|---|---|---|---|---|---|---|---|---|
| L1-4025-10-R-0 | Right | 2.2 | 25 | 8 | 18.5 | 3.14 | 9.1 | 5.8 | G 1/8 X 15.16 |
| L1-4025-10-R-90 | Right | 2.2 | 25 | 8 | 18.5 | 3.14 | 9.1 | 5.8 | G 1/8 X 15.16 |
| L1-4032-10-R-0 | Right | 3.8 | 32 | 8 | 19.5 | 5.50 | 15.7 | 10.7 | G 1/8 X 15.16 |
| L1-4032-10-R-90 | Right | 3.8 | 32 | 8 | 19.5 | 5.50 | 15.7 | 10.7 | G 1/8 X 15.16 |
| L1-4040-10-R-0 | Right | 6.1 | 40 | 10 | 25.0 | 8.76 | 31.4 | 21.9 | G 1/8 X 15.16 |
| L1-4040-10-R-90 | Right | 6.1 | 40 | 10 | 25.0 | 8.76 | 31.4 | 21.9 | G 1/8 X 15.16 |
| L1-4050-10-R-0 | Right | 9.4 | 50 | 12 | 30.0 | 13.47 | 58.9 | 40.4 | G 1/4 X 18.72 |
| L1-4050-10-R-90 | Right | 9.4 | 50 | 12 | 30.0 | 13.47 | 58.9 | 40.4 | G 1/4 X 18.72 |
| L1-4063-10-R-0 | Right | 14.7 | 63 | 14 | 32.0 | 21.00 | 99.8 | 67.2 | G 1/4 X 18.72 |
| L1-4063-10-R-90 | Right | 14.7 | 63 | 14 | 32.0 | 21.00 | 99.8 | 67.2 | G 1/4 X 18.72 |
| L1-4080-10-R-0 | Right | 24.1 | 80 | 14 | 35.0 | 34.36 | 175.9 | 120.3 | G 1/4 X 18.72 |
| L1-4080-10-R-90 | Right | 24.1 | 80 | 14 | 35.0 | 34.36 | 175.9 | 120.3 | G 1/4 X 18.72 |
| Model No. | Swing Direction | Clamp Capacity (kN) | Bore Size (mm) | Vertical Clamp Stroke (mm) | Total Stroke (Swing + Vertical) (mm) | Piston Area (cm²) Retract | Oil Capacity Extend (cm³) | Oil Capacity Retract (cm³) | Port X For Optional In-Port Valves |
|---|---|---|---|---|---|---|---|---|---|
| L1-4025-10-S-0 | Straight | 2.2 | 25 | 8 | 18.5 | 3.14 | 9.1 | 5.8 | G 1/8 X 15.16 |
| L1-4025-10-S-90 | Straight | 2.2 | 25 | 8 | 18.5 | 3.14 | 9.1 | 5.8 | G 1/8 X 15.16 |
| L1-4032-10-S-0 | Straight | 3.8 | 32 | 8 | 19.5 | 5.50 | 15.7 | 10.7 | G 1/8 X 15.16 |
| L1-4032-10-S-90 | Straight | 3.8 | 32 | 8 | 19.5 | 5.50 | 15.7 | 10.7 | G 1/8 X 15.16 |
| L1-4040-10-S-0 | Straight | 6.1 | 40 | 10 | 25.0 | 8.76 | 31.4 | 21.9 | G 1/8 X 15.16 |
| L1-4040-10-S-90 | Straight | 6.1 | 40 | 10 | 25.0 | 8.76 | 31.4 | 21.9 | G 1/8 X 15.16 |
| L1-4050-10-S-0 | Straight | 9.4 | 50 | 12 | 30.0 | 13.47 | 58.9 | 40.4 | G 1/4 X 18.72 |
| L1-4050-10-S-90 | Straight | 9.4 | 50 | 12 | 30.0 | 13.47 | 58.9 | 40.4 | G 1/4 X 18.72 |
| L1-4063-10-S-0 | Straight | 14.7 | 63 | 14 | 32.0 | 21.00 | 99.8 | 67.2 | G 1/4 X 18.72 |
| L1-4063-10-S-90 | Straight | 14.7 | 63 | 14 | 32.0 | 21.00 | 99.8 | 67.2 | G 1/4 X 18.72 |
| L1-4080-10-S-0 | Straight | 24.1 | 80 | 14 | 35.0 | 34.36 | 175.9 | 120.3 | G 1/4 X 18.72 |
| L1-4080-10-S-90 | Straight | 24.1 | 80 | 14 | 35.0 | 34.36 | 175.9 | 120.3 | G 1/4 X 18.72 |
| Model No. | Clamp Capacity (kN) | A | B | C | D | E | F | G | H | J | K | L | M | N | P | Q | R | S | T | V | W | X | Z | MA | MB | MC | MD | ME | MF | MG |
|---|---|---|---|---|---|---|---|---|---|---|---|---|---|---|---|---|---|---|---|---|---|---|---|---|---|---|---|---|---|---|
| L1-4025-10-L-0 | 2.2 | 119.5 | 40 | 54.5 | 29 | 48 | 20 | 20 | 20 | 4.8 | 8.25 | 13 | 10 | G 1/8 | ID 4.0 X CS 3.0 | 15 | 8 | 18.5 | 35 | 110.5 | 6 | 8 | 24 | 35 | 15.5 | 15.5 | M4 | 26.5 | 10 | 3 |
| L1-4025-10-L-90 | 2.2 | 119.5 | 40 | 54.5 | 29 | 48 | 20 | 20 | 20 | 4.8 | 8.25 | 13 | 10 | G 1/8 | ID 4.0 X CS 3.0 | 15 | 8 | 18.5 | 35 | 110.5 | 6 | 8 | 24 | 35 | 15.5 | 15.5 | M4 | 26.5 | 10 | 3 |
| L1-4032-10-L-0 | 3.8 | 130.75 | 47 | 58 | 31 | 50 | 23.5 | 23.5 | 20 | 5.8 | 9.75 | 13 | 10 | G 1/8 | ID 4.0 X CS 3.0 | 18 | 8 | 19.5 | 37.25 | 118.75 | 8 | 10 | 30.5 | 42 | 18.5 | 18.5 | M5 | 26.5 | 10 | 3 |
| L1-4032-10-L-90 | 3.8 | 130.75 | 47 | 58 | 31 | 50 | 23.5 | 23.5 | 20 | 5.8 | 9.75 | 13 | 10 | G 1/8 | ID 4.0 X CS 3.0 | 18 | 8 | 19.5 | 37.25 | 118.75 | 8 | 10 | 30.5 | 42 | 18.5 | 18.5 | M5 | 26.5 | 10 | 3 |
| L1-4040-10-L-0 | 6.1 | 158.75 | 56 | 66 | 33 | 64 | 28 | 28 | 20 | 6.8 | 11.25 | 13 | 13 | G 1/8 | ID 4.0 X CS 3.0 | 22 | 10 | 25 | 39.75 | 143.75 | 10 | 12 | 36.5 | 51 | 22.5 | 22.5 | M6 | 30 | 13 | 3 |
| L1-4040-10-L-90 | 6.1 | 158.75 | 56 | 66 | 33 | 64 | 28 | 28 | 20 | 6.8 | 11.25 | 13 | 13 | G 1/8 | ID 4.0 X CS 3.0 | 22 | 10 | 25 | 39.75 | 143.75 | 10 | 12 | 36.5 | 51 | 22.5 | 22.5 | M6 | 30 | 13 | 3 |
| L1-4050-10-L-0 | 9.4 | 188.75 | 70 | 84 | 38 | 77.5 | 35 | 35 | 23 | 8.8 | 14.5 | 15 | 16 | G 1/4 | ID 8.0 X CS 3.0 | 28 | 12 | 30 | 45.25 | 170.75 | 12 | 15 | 42.5 | 63 | 27.5 | 27.5 | M8 | 39 | 16 | 6 |
| L1-4050-10-L-90 | 9.4 | 188.75 | 70 | 84 | 38 | 77.5 | 35 | 35 | 23 | 8.8 | 14.5 | 15 | 16 | G 1/4 | ID 8.0 X CS 3.0 | 28 | 12 | 30 | 45.25 | 170.75 | 12 | 15 | 42.5 | 63 | 27.5 | 27.5 | M8 | 39 | 16 | 6 |
| L1-4063-10-L-0 | 14.7 | 218.75 | 85 | 98 | 45 | 85.5 | 42.5 | 42.5 | 28 | 10.8 | 17.5 | 15 | 18 | G 1/4 | ID 8.0 X CS 3.0 | 36 | 14 | 32 | 53.25 | 194.75 | 16 | 20 | 55.5 | 77 | 33.5 | 33.5 | M10 | 45.5 | 18 | 6 |
| L1-4063-10-L-90 | 14.7 | 218.75 | 85 | 98 | 45 | 85.5 | 42.5 | 42.5 | 28 | 10.8 | 17.5 | 15 | 18 | G 1/4 | ID 8.0 X CS 3.0 | 36 | 14 | 32 | 53.25 | 194.75 | 16 | 20 | 55.5 | 77 | 33.5 | 33.5 | M10 | 45.5 | 18 | 6 |
| L1-4080-10-L-0 | 24.1 | 251.75 | 103 | 115.5 | 50 | 97.5 | 51.5 | 51.5 | 30 | 12.8 | 19.5 | 15 | 23 | G 1/4 | ID 8.0 X CS 3.0 | 45 | 14 | 35 | 60.25 | 222.75 | 20 | 24 | 68.5 | 95 | 41.5 | 41.5 | M12 | 54 | 23 | 6 |
| L1-4080-10-L-90 | 24.1 | 251.75 | 103 | 115.5 | 50 | 97.5 | 51.5 | 51.5 | 30 | 12.8 | 19.5 | 15 | 23 | G 1/4 | ID 8.0 X CS 3.0 | 45 | 14 | 35 | 60.25 | 222.75 | 20 | 24 | 68.5 | 95 | 41.5 | 41.5 | M12 | 54 | 23 | 6 |
| Model No. | Clamp Capacity (kN) | A | B | C | D | E | F | G | H | J | K | L | M | N | P | Q | R | S | T | V | W | X | Z | MA | MB | MC | MD | ME | MF | MG |
|---|---|---|---|---|---|---|---|---|---|---|---|---|---|---|---|---|---|---|---|---|---|---|---|---|---|---|---|---|---|---|
| L1-4025-10-R-0 | 2.2 | 119.5 | 40 | 54.5 | 29 | 48 | 20 | 20 | 20 | 4.8 | 8.25 | 13 | 10 | G 1/8 | ID 4.0 X CS 3.0 | 15 | 8 | 18.5 | 35 | 110.5 | 6 | 8 | 24 | 35 | 15.5 | 15.5 | M4 | 26.5 | 10 | 3 |
| L1-4025-10-R-90 | 2.2 | 119.5 | 40 | 54.5 | 29 | 48 | 20 | 20 | 20 | 4.8 | 8.25 | 13 | 10 | G 1/8 | ID 4.0 X CS 3.0 | 15 | 8 | 18.5 | 35 | 110.5 | 6 | 8 | 24 | 35 | 15.5 | 15.5 | M4 | 26.5 | 10 | 3 |
| L1-4032-10-R-0 | 3.8 | 130.75 | 47 | 58 | 31 | 50 | 23.5 | 23.5 | 20 | 5.8 | 9.75 | 13 | 10 | G 1/8 | ID 4.0 X CS 3.0 | 18 | 8 | 19.5 | 37.25 | 118.75 | 8 | 10 | 30.5 | 42 | 18.5 | 18.5 | M5 | 26.5 | 10 | 3 |
| L1-4032-10-R-90 | 3.8 | 130.75 | 47 | 58 | 31 | 50 | 23.5 | 23.5 | 20 | 5.8 | 9.75 | 13 | 10 | G 1/8 | ID 4.0 X CS 3.0 | 18 | 8 | 19.5 | 37.25 | 118.75 | 8 | 10 | 30.5 | 42 | 18.5 | 18.5 | M5 | 26.5 | 10 | 3 |
| L1-4040-10-R-0 | 6.1 | 158.75 | 56 | 66 | 33 | 64 | 28 | 28 | 20 | 6.8 | 11.25 | 13 | 13 | G 1/8 | ID 4.0 X CS 3.0 | 22 | 10 | 25 | 39.75 | 143.75 | 10 | 12 | 36.5 | 51 | 22.5 | 22.5 | M6 | 30 | 13 | 3 |
| L1-4040-10-R-90 | 6.1 | 158.75 | 56 | 66 | 33 | 64 | 28 | 28 | 20 | 6.8 | 11.25 | 13 | 13 | G 1/8 | ID 4.0 X CS 3.0 | 22 | 10 | 25 | 39.75 | 143.75 | 10 | 12 | 36.5 | 51 | 22.5 | 22.5 | M6 | 30 | 13 | 3 |
| L1-4050-10-R-0 | 9.4 | 188.75 | 70 | 84 | 38 | 77.5 | 35 | 35 | 23 | 8.8 | 14.5 | 15 | 16 | G 1/4 | ID 8.0 X CS 3.0 | 28 | 12 | 30 | 45.25 | 170.75 | 12 | 15 | 42.5 | 63 | 27.5 | 27.5 | M8 | 39 | 16 | 6 |
| L1-4050-10-R-90 | 9.4 | 188.75 | 70 | 84 | 38 | 77.5 | 35 | 35 | 23 | 8.8 | 14.5 | 15 | 16 | G 1/4 | ID 8.0 X CS 3.0 | 28 | 12 | 30 | 45.25 | 170.75 | 12 | 15 | 42.5 | 63 | 27.5 | 27.5 | M8 | 39 | 16 | 6 |
| L1-4063-10-R-0 | 14.7 | 218.75 | 85 | 98 | 45 | 85.5 | 42.5 | 42.5 | 28 | 10.8 | 17.5 | 15 | 18 | G 1/4 | ID 8.0 X CS 3.0 | 36 | 14 | 32 | 53.25 | 194.75 | 16 | 20 | 55.5 | 77 | 33.5 | 33.5 | M10 | 45.5 | 18 | 6 |
| L1-4063-10-R-90 | 14.7 | 218.75 | 85 | 98 | 45 | 85.5 | 42.5 | 42.5 | 28 | 10.8 | 17.5 | 15 | 18 | G 1/4 | ID 8.0 X CS 3.0 | 36 | 14 | 32 | 53.25 | 194.75 | 16 | 20 | 55.5 | 77 | 33.5 | 33.5 | M10 | 45.5 | 18 | 6 |
| L1-4080-10-R-0 | 24.1 | 251.75 | 103 | 115.5 | 50 | 97.5 | 51.5 | 51.5 | 30 | 12.8 | 19.5 | 15 | 23 | G 1/4 | ID 8.0 X CS 3.0 | 45 | 14 | 35 | 60.25 | 222.75 | 20 | 24 | 68.5 | 95 | 41.5 | 41.5 | M12 | 54 | 23 | 6 |
| L1-4080-10-R-90 | 24.1 | 251.75 | 103 | 115.5 | 50 | 97.5 | 51.5 | 51.5 | 30 | 12.8 | 19.5 | 15 | 23 | G 1/4 | ID 8.0 X CS 3.0 | 45 | 14 | 35 | 60.25 | 222.75 | 20 | 24 | 68.5 | 95 | 41.5 | 41.5 | M12 | 54 | 23 | 6 |
| Model No. | Clamp Capacity (kN) | A | B | C | D | E | F | G | H | J | K | L | M | N | P | Q | R | S | T | V | W | X | Z | MA | MB | MC | MD | ME | MF | MG |
|---|---|---|---|---|---|---|---|---|---|---|---|---|---|---|---|---|---|---|---|---|---|---|---|---|---|---|---|---|---|---|
| L1-4025-10-S-0 | 2.2 | 119.5 | 40 | 54.5 | 29 | 48 | 20 | 20 | 20 | 4.8 | 8.25 | 13 | 10 | G 1/8 | ID 4.0 X CS 3.0 | 15 | 8 | 18.5 | 35 | 110.5 | 6 | 8 | 24 | 35 | 15.5 | 15.5 | M4 | 26.5 | 10 | 3 |
| L1-4025-10-S-90 | 2.2 | 119.5 | 40 | 54.5 | 29 | 48 | 20 | 20 | 20 | 4.8 | 8.25 | 13 | 10 | G 1/8 | ID 4.0 X CS 3.0 | 15 | 8 | 18.5 | 35 | 110.5 | 6 | 8 | 24 | 35 | 15.5 | 15.5 | M4 | 26.5 | 10 | 3 |
| L1-4032-10-S-0 | 3.8 | 130.75 | 47 | 58 | 31 | 50 | 23.5 | 23.5 | 20 | 5.8 | 9.75 | 13 | 10 | G 1/8 | ID 4.0 X CS 3.0 | 18 | 8 | 19.5 | 37.25 | 118.75 | 8 | 10 | 30.5 | 42 | 18.5 | 18.5 | M5 | 26.5 | 10 | 3 |
| L1-4032-10-S-90 | 3.8 | 130.75 | 47 | 58 | 31 | 50 | 23.5 | 23.5 | 20 | 5.8 | 9.75 | 13 | 10 | G 1/8 | ID 4.0 X CS 3.0 | 18 | 8 | 19.5 | 37.25 | 118.75 | 8 | 10 | 30.5 | 42 | 18.5 | 18.5 | M5 | 26.5 | 10 | 3 |
| L1-4040-10-S-0 | 6.1 | 158.75 | 56 | 66 | 33 | 64 | 28 | 28 | 20 | 6.8 | 11.25 | 13 | 13 | G 1/8 | ID 4.0 X CS 3.0 | 22 | 10 | 25 | 39.75 | 143.75 | 10 | 12 | 36.5 | 51 | 22.5 | 22.5 | M6 | 30 | 13 | 3 |
| L1-4040-10-S-90 | 6.1 | 158.75 | 56 | 66 | 33 | 64 | 28 | 28 | 20 | 6.8 | 11.25 | 13 | 13 | G 1/8 | ID 4.0 X CS 3.0 | 22 | 10 | 25 | 39.75 | 143.75 | 10 | 12 | 36.5 | 51 | 22.5 | 22.5 | M6 | 30 | 13 | 3 |
| L1-4050-10-S-0 | 9.4 | 188.75 | 70 | 84 | 38 | 77.5 | 35 | 35 | 23 | 8.8 | 14.5 | 15 | 16 | G 1/4 | ID 8.0 X CS 3.0 | 28 | 12 | 30 | 45.25 | 170.75 | 12 | 15 | 42.5 | 63 | 27.5 | 27.5 | M8 | 39 | 16 | 6 |
| L1-4050-10-S-90 | 9.4 | 188.75 | 70 | 84 | 38 | 77.5 | 35 | 35 | 23 | 8.8 | 14.5 | 15 | 16 | G 1/4 | ID 8.0 X CS 3.0 | 28 | 12 | 30 | 45.25 | 170.75 | 12 | 15 | 42.5 | 63 | 27.5 | 27.5 | M8 | 39 | 16 | 6 |
| L1-4063-10-S-0 | 14.7 | 218.75 | 85 | 98 | 45 | 85.5 | 42.5 | 42.5 | 28 | 10.8 | 17.5 | 15 | 18 | G 1/4 | ID 8.0 X CS 3.0 | 36 | 14 | 32 | 53.25 | 194.75 | 16 | 20 | 55.5 | 77 | 33.5 | 33.5 | M10 | 45.5 | 18 | 6 |
| L1-4063-10-S-90 | 14.7 | 218.75 | 85 | 98 | 45 | 85.5 | 42.5 | 42.5 | 28 | 10.8 | 17.5 | 15 | 18 | G 1/4 | ID 8.0 X CS 3.0 | 36 | 14 | 32 | 53.25 | 194.75 | 16 | 20 | 55.5 | 77 | 33.5 | 33.5 | M10 | 45.5 | 18 | 6 |
| L1-4080-10-S-0 | 24.1 | 251.75 | 103 | 115.5 | 50 | 97.5 | 51.5 | 51.5 | 30 | 12.8 | 19.5 | 15 | 23 | G 1/4 | ID 8.0 X CS 3.0 | 45 | 14 | 35 | 60.25 | 222.75 | 20 | 24 | 68.5 | 95 | 41.5 | 41.5 | M12 | 54 | 23 | 6 |
| L1-4080-10-S-90 | 24.1 | 251.75 | 103 | 115.5 | 50 | 97.5 | 51.5 | 51.5 | 30 | 12.8 | 19.5 | 15 | 23 | G 1/4 | ID 8.0 X CS 3.0 | 45 | 14 | 35 | 60.25 | 222.75 | 20 | 24 | 68.5 | 95 | 41.5 | 41.5 | M12 | 54 | 23 | 6 |
You have questions? WE HAVE ANSWERS!
Use the contact button below to be connected with one of our team of experts.