Manifold Mount Block Cylinders
Single and Double Acting
- No external ports or external plumbing to collect chips.
- Reduced installation labor.
- Available in the same popular sizes as our other block cylinders.
- See Ultrasonic variant.
** Cylinder capacities are listed at 5000 psi maximum operating pressure. The output force is adjustable by varying the hydraulic system pressure. To determine the approximate output force for your application, multiply the Piston Area times Your System Operating Pressure. (Actual force may vary slightly due to friction loss, seal and wiper drag, and/or return springs.)
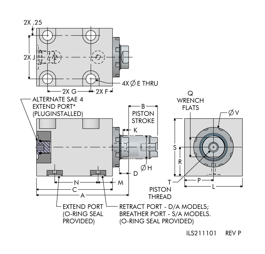
*** Breather or vent must be provided for S/A Models.
*** Breather or vent must be provided for S/A Models.
| Model No. | Clamp Capacity (lb.) Extend | Clamp Capacity (lb.) Retract | Stroke (in.) | Body Size | Minimum Length (in) | Piston Area (sq. in.) Extend | Piston Area (sq. in.) Retract | Oil Capacity Extend (cu. in.) | Oil Capacity Retract (cu. in.) |
|---|---|---|---|---|---|---|---|---|---|
| 21-1108-00 | 2200 | N/A | 0.25 | 1.13 X 2.0 | 2.40 | 0.442 | N/A | 0.110 | N/A |
| 21-1108-01 | 2200 | N/A | 0.75 | 1.13 X 2.0 | 3.15 | 0.442 | N/A | 0.330 | N/A |
| 21-1110-01 | 3900 | N/A | 1.00 | 2.00 X 2.00 | 3.19 | 0.785 | N/A | 0.785 | N/A |
| 21-1110-02 | 3900 | N/A | 2.00 | 2.00 X 2.00 | 4.31 | 0.785 | N/A | 1.570 | N/A |
| 21-1110-04 | 3900 | N/A | 1.50 | 2.00 X 2.00 | 3.81 | 0.785 | N/A | 1.177 | N/A |
| 21-1110-05 | 3900 | N/A | 0.50 | 2.00 X 2.00 | 2.69 | 0.785 | N/A | 0.393 | N/A |
| 21-1115-00 | 8800 | N/A | 0.50 | 2.00 X 2.50 | 2.77 | 1.767 | N/A | 0.884 | N/A |
| 21-1115-01 | 8800 | N/A | 1.00 | 2.00 X 2.50 | 3.27 | 1.767 | N/A | 1.767 | N/A |
| 21-1115-02 | 8800 | N/A | 2.00 | 2.00 X 2.50 | 4.27 | 1.767 | N/A | 3.534 | N/A |
| 21-1115-04 | 8800 | N/A | 1.50 | 2.00 X 2.50 | 3.77 | 1.767 | N/A | 2.650 | N/A |
| Model No. | Clamp Capacity (lb.) Extend | Clamp Capacity (lb.) Retract | Stroke (in.) | Body Size | Minimum Length (in) | Piston Area (sq. in.) Extend | Piston Area (sq. in.) Retract | Oil Capacity Extend (cu. in.) | Oil Capacity Retract (cu. in.) |
|---|---|---|---|---|---|---|---|---|---|
| 21-1208-00 | 2200 | 1200 | 0.25 | 1.13 X 2.0 | 2.40 | 0.442 | 0.246 | 0.110 | 0.061 |
| 21-1208-01 | 2200 | 1200 | 0.75 | 1.13 X 2.0 | 3.15 | 0.442 | 0.246 | 0.330 | 0.183 |
| 21-1210-00 | 3900 | 1300 | 0.50 | 2.00 X 2.00 | 2.69 | 0.785 | 0.267 | 0.393 | 0.134 |
| 21-1210-01 | 3900 | 1300 | 1.00 | 2.00 X 2.00 | 3.19 | 0.785 | 0.267 | 0.785 | 0.268 |
| 21-1210-02 | 3900 | 1300 | 2.00 | 2.00 X 2.00 | 4.31 | 0.785 | 0.267 | 1.570 | 0.536 |
| 21-1210-04 | 3900 | 1300 | 1.50 | 2.00 X 2.00 | 3.81 | 0.785 | 0.267 | 1.177 | 0.400 |
| 21-1215-01 | 8800 | 3800 | 1.00 | 2.00 X 2.50 | 3.27 | 1.767 | 0.773 | 1.767 | 0.774 |
| 21-1215-02 | 8800 | 3800 | 2.00 | 2.00 X 2.50 | 4.27 | 1.767 | 0.773 | 3.534 | 1.548 |
| 21-1215-04 | 8800 | 3800 | 1.50 | 2.00 X 2.50 | 3.77 | 1.767 | 0.773 | 2.650 | 1.160 |
| 21-1215-05 | 8800 | 3800 | 0.50 | 2.00 X 2.50 | 2.77 | 1.767 | 0.773 | 0.884 | 0.387 |
| Model No. | A | B | C | D | E | F | G | H | J | K | L | M | N | P | Q | R | S | T | V |
|---|---|---|---|---|---|---|---|---|---|---|---|---|---|---|---|---|---|---|---|
| 21-1108-00 | 2.40 | 0.25 | 1.88 | 0.29 | 0.28 | 0.75 | 0.88 | 0.50 | 1.50 | 0.22 | 2.00 | 0.50 | 0.88 | 1.00 | 0.43 | 0.55 | 1.12 | 1/4 - 20 X 0.44 | 1.06 |
| 21-1108-01 | 3.15 | 0.75 | 2.63 | 0.29 | 0.28 | 0.75 | 1.63 | 0.50 | 1.50 | 0.22 | 2.00 | 0.50 | 1.63 | 1.00 | 0.43 | 0.55 | 1.12 | 1/4 - 20 X 0.44 | 1.06 |
| 21-1110-01 | 3.19 | 1.00 | 2.63 | 0.32 | 0.34 | 0.75 | 1.50 | 0.81 | 1.50 | 0.26 | 2.00 | 0.50 | 1.50 | 1.00 | 0.68 | 1.00 | 1.99 | 5/16 - 18 X 0.44 | 1.38 |
| 21-1110-02 | 4.31 | 2.00 | 3.63 | 0.45 | 0.34 | 0.75 | 2.50 | 0.81 | 1.50 | 0.26 | 2.00 | 0.50 | 2.50 | 1.00 | 0.68 | 1.00 | 1.99 | 5/16 - 18 X 0.44 | 1.38 |
| 21-1110-04 | 3.81 | 1.50 | 3.13 | 0.45 | 0.34 | 0.75 | 2.00 | 0.81 | 1.50 | 0.26 | 2.00 | 0.50 | 2.00 | 1.00 | 0.68 | 1.00 | 1.99 | 5/16 - 18 X 0.44 | 1.38 |
| 21-1110-05 | 2.69 | 0.50 | 2.13 | 0.32 | 0.34 | 0.75 | 1.00 | 0.81 | 1.50 | 0.26 | 2.00 | 0.50 | 1.00 | 1.00 | 0.68 | 1.00 | 1.99 | 5/16 - 18 X 0.44 | 1.38 |
| 21-1115-00 | 2.77 | 0.50 | 2.14 | 0.40 | 0.34 | 0.75 | 1.00 | 1.13 | 2.00 | 0.36 | 2.50 | 0.50 | 1.00 | 1.25 | 1.00 | 1.00 | 1.99 | 1/2 - 13 X 0.51 | 1.75 |
| 21-1115-01 | 3.27 | 1.00 | 2.64 | 0.40 | 0.34 | 0.75 | 1.50 | 1.13 | 2.00 | 0.36 | 2.50 | 0.50 | 1.50 | 1.25 | 1.00 | 1.00 | 1.99 | 1/2 - 13 X 0.51 | 1.75 |
| 21-1115-02 | 4.27 | 2.00 | 3.64 | 0.40 | 0.34 | 0.75 | 2.50 | 1.13 | 2.00 | 0.36 | 2.50 | 0.50 | 2.50 | 1.25 | 1.00 | 1.00 | 1.99 | 1/2 - 13 X 0.51 | 1.75 |
| 21-1115-04 | 3.77 | 1.50 | 3.14 | 0.40 | 0.34 | 0.75 | 2.00 | 1.13 | 2.00 | 0.36 | 2.50 | 0.50 | 2.00 | 1.25 | 1.00 | 1.00 | 1.99 | 1/2 - 13 X 0.51 | 1.75 |
| Model No. | A | B | C | D | E | F | G | H | J | K | L | M | N | P | Q | R | S | T | V |
|---|---|---|---|---|---|---|---|---|---|---|---|---|---|---|---|---|---|---|---|
| 21-1208-00 | 2.40 | 0.25 | 1.88 | 0.29 | 0.28 | 0.75 | 0.88 | 0.50 | 1.50 | 0.22 | 2.00 | 0.50 | 0.88 | 1.00 | 0.43 | 0.55 | 1.12 | 1/4 - 20 X 0.44 | 1.06 |
| 21-1208-01 | 3.15 | 0.75 | 2.63 | 0.29 | 0.28 | 0.75 | 1.63 | 0.50 | 1.50 | 0.22 | 2.00 | 0.50 | 1.63 | 1.00 | 0.43 | 0.55 | 1.12 | 1/4 - 20 X 0.44 | 1.06 |
| 21-1210-00 | 2.69 | 0.50 | 2.13 | 0.32 | 0.34 | 0.75 | 1.00 | 0.81 | 1.50 | 0.26 | 2.00 | 0.50 | 1.00 | 1.00 | 0.68 | 1.00 | 1.99 | 5/16 - 18 X 0.44 | 1.38 |
| 21-1210-01 | 3.19 | 1.00 | 2.63 | 0.32 | 0.34 | 0.75 | 1.50 | 0.81 | 1.50 | 0.26 | 2.00 | 0.50 | 1.50 | 1.00 | 0.68 | 1.00 | 1.99 | 5/16 - 18 X 0.44 | 1.38 |
| 21-1210-02 | 4.31 | 2.00 | 3.63 | 0.45 | 0.34 | 0.75 | 2.50 | 0.81 | 1.50 | 0.26 | 2.00 | 0.50 | 2.50 | 1.00 | 0.68 | 1.00 | 1.99 | 5/16 - 18 X 0.44 | 1.38 |
| 21-1210-04 | 3.81 | 1.50 | 3.13 | 0.45 | 0.34 | 0.75 | 2.00 | 0.81 | 1.50 | 0.26 | 2.00 | 0.50 | 2.00 | 1.00 | 0.68 | 1.00 | 1.99 | 5/16 - 18 X 0.44 | 1.38 |
| 21-1215-01 | 3.27 | 1.00 | 2.64 | 0.40 | 0.34 | 0.75 | 1.50 | 1.13 | 2.00 | 0.36 | 2.50 | 0.50 | 1.50 | 1.25 | 1.00 | 1.00 | 1.99 | 1/2 - 13 X 0.51 | 1.75 |
| 21-1215-02 | 4.27 | 2.00 | 3.64 | 0.40 | 0.34 | 0.75 | 2.50 | 1.13 | 2.00 | 0.36 | 2.50 | 0.50 | 2.50 | 1.25 | 1.00 | 1.00 | 1.99 | 1/2 - 13 X 0.51 | 1.75 |
| 21-1215-04 | 3.77 | 1.50 | 3.14 | 0.40 | 0.34 | 0.75 | 2.00 | 1.13 | 2.00 | 0.36 | 2.50 | 0.50 | 2.00 | 1.25 | 1.00 | 1.00 | 1.99 | 1/2 - 13 X 0.51 | 1.75 |
| 21-1215-05 | 2.77 | 0.50 | 2.14 | 0.40 | 0.34 | 0.75 | 1.00 | 1.13 | 2.00 | 0.36 | 2.50 | 0.50 | 1.00 | 1.25 | 1.00 | 1.00 | 1.99 | 1/2 - 13 X 0.51 | 1.75 |
You have questions? WE HAVE ANSWERS!
Use the contact button below to be connected with one of our team of experts.