Mounting Brackets
Pneumatic Mounting Hardware
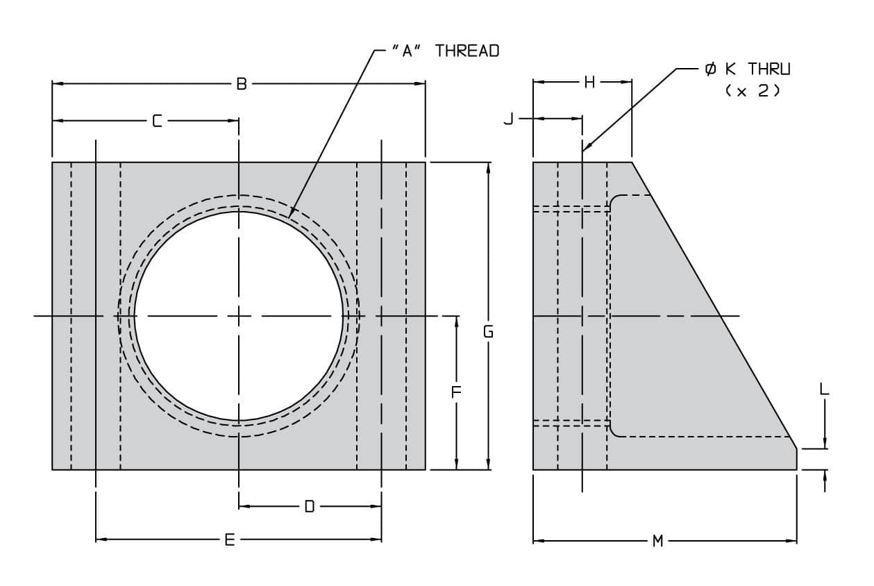
| Model No. | A | B | C | D | E | F | G | H | J | K | L | M |
|---|---|---|---|---|---|---|---|---|---|---|---|---|
| P6-4031-20 | 1 1/4 - 16 | 2.13 | 1.06 | 0.81 | 1.63 | 0.88 | 1.75 | 0.56 | 0.28 | 0.28 | 0.12 | 1.50 |
| P6-4031-60 | 1 5/8 - 16 | 2.50 | 1.25 | 1.00 | 2.00 | 1.13 | 2.25 | 0.50 | 0.25 | 0.28 | 0.09 | 1.75 |
| P6-4031-80 | 1 7/8 - 16 | 3.38 | 1.69 | 1.28 | 2.56 | 1.25 | 2.50 | 1.00 | 0.62 | 0.53 | 0.25 | 2.50 |
| P6-4032-30 | 2 5/16 - 16 | 3.25 | 1.63 | 1.38 | 2.75 | 1.50 | 3.00 | 0.63 | 0.31 | 0.28 | 0.62 | 2.00 |
| P6-4032-70 | 2 3/4 - 16 | 3.75 | 1.88 | 1.63 | 3.25 | 1.75 | 3.44 | 0.75 | 0.31 | 0.28 | 0.84 | 2.25 |
| P6-4033-20 | 3 1/4 - 16 | 4.25 | 2.13 | 1.81 | 3.63 | 2.00 | 4.00 | 0.75 | 0.31 | 0.28 | 1.40 | 2.25 |
You have questions? WE HAVE ANSWERS!
Use the contact button below to be connected with one of our team of experts.