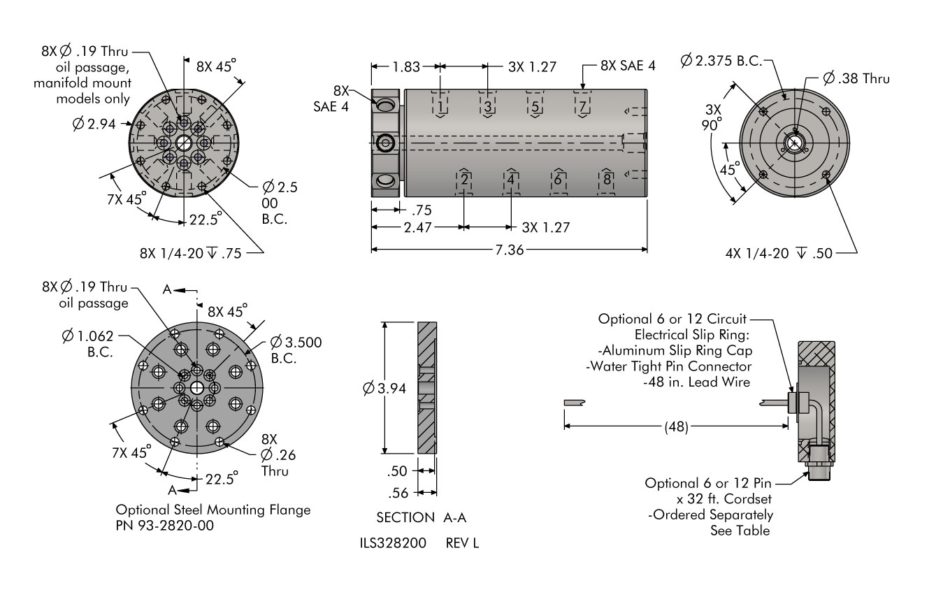
Rotating Union, 8 Path
Miscellaneous Plumbing
Operating Parameter Guidelines
- Max Pressure: 5,000 psi
- Max Vacuum: 30 Hg
- Max RPM under vacuum: contact factory
- Max RPM under pressure: see table.
- Max Operating Temperature with slip ring 0 – 176° F
- Max Operating Temperature without slip ring 0 – 220° F
- Air may be run in any available passage
- Rotating unions are not intended to be a structural member. It is recommended that the anti-rotate arm should attach to the stationary part of the union and should be fully supported by external framework. Load on the union should be minimized. Please contact Vektek for technical assistance.
- Separate air and fluid with extra passage between each.
- ** Optional Mounting Flange: 93-2820-00
For proper sealing, mating surface must be flat within 0.003 with a maximum 32 µin Ra surface finish.
* O-rings furnished: -009, 70A, NBR (PN: 39-0500-36)
** Includes: 8 SHCS, 1/4-20 x 1/2 (PN: 21-4100-63)
8 O-rings, -009, 70A NBR (PN: 39-0500-36)
1 O-ring, -012, 70A NBR (PN: 39-0020-09)
1 O-ring, -013, 70A NBR (PN: 39-0000-72)
*** Order Separately.
** Includes: 8 SHCS, 1/4-20 x 1/2 (PN: 21-4100-63)
8 O-rings, -009, 70A NBR (PN: 39-0500-36)
1 O-ring, -012, 70A NBR (PN: 39-0020-09)
1 O-ring, -013, 70A NBR (PN: 39-0000-72)
*** Order Separately.
Installation instructions available, request IS3205.
| Model No. | Hydraulic Connection | Electrical Slip Ring Option | Maximum Current / Circuit | Max Volts / Circuit | Lead Wire Length | Cordset Part Number |
|---|---|---|---|---|---|---|
| 32-8248-00 | SAE 4 Ports | N/A | N/A | N/A | N/A | N/A |
| 32-8248-00-ES12A | SAE 4 Ports | 12 Circuit | 2 Amp | 120 VDC | 48 in. | 27-6424-02*** |
| 32-8248-00-ES6A | SAE 4 Ports | 6 Circuit | 2 Amp | 120 VAC | 48 in. | 27-6424-01*** |
| 32-8248-01 | O-ring Face Seal * | N/A | N/A | N/A | N/A | N/A |
| 32-8248-01-ES12A | O-ring Face Seal * | 12 Circuit | 2 Amp | 120 VDC | 48 in. | 27-6424-02*** |
| 32-8248-01-ES6A | O-ring Face Seal * | 6 Circuit | 2 Amp | 120 VAC | 48 in. | 27-6424-01*** |
| Model No. | Max RPM at 500 psi with Petroleum Based Fluids | Max RPM at 1000 psi with Petroleum Based Fluids | Max RPM at 2000 psi with Petroleum Based Fluids | Max RPM at 3000 psi with Petroleum Based Fluids | Max RPM at 4000 psi with Petroleum Based Fluids | Max RPM at 5000 psi with Petroleum Based Fluids |
|---|---|---|---|---|---|---|
| 32-8248-00 | 180 | 140 | 80 | 50 | 40 | 30 |
| 32-8248-00-ES12A | 100 | 100 | 80 | 50 | 40 | 30 |
| 32-8248-00-ES6A | 100 | 100 | 80 | 50 | 40 | 30 |
| 32-8248-01 | 180 | 140 | 80 | 50 | 40 | 30 |
| 32-8248-01-ES12A | 100 | 100 | 80 | 50 | 40 | 30 |
| 32-8248-01-ES6A | 100 | 100 | 80 | 50 | 40 | 30 |
You have questions? WE HAVE ANSWERS!
Use the contact button below to be connected with one of our team of experts.