Pneumatic Confirmation Valve, Cartridge
Metric Confirmation and Feedback
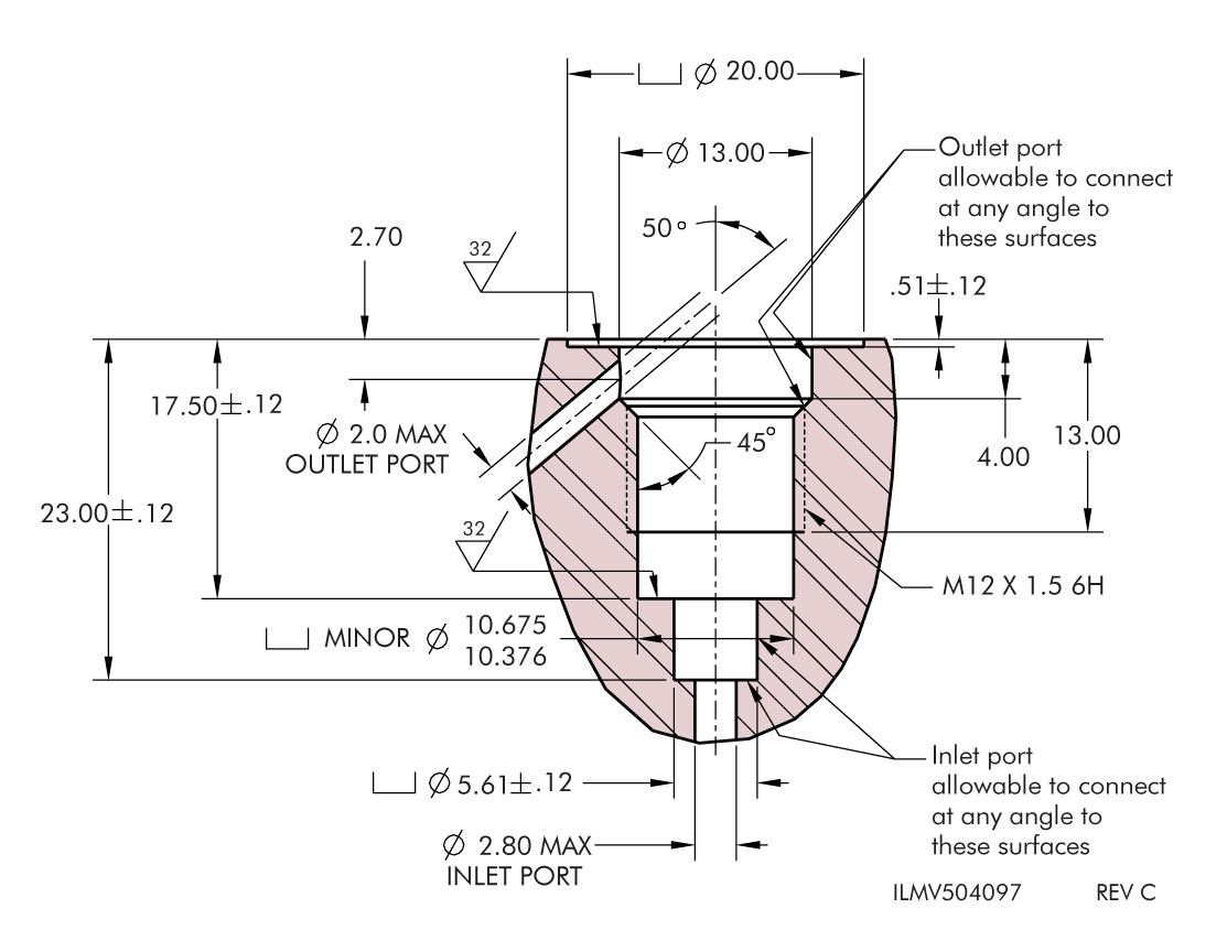
Confirm Clamp Stroke Position Pneumatically
The pneumatic confirmation valve confirms the stage of loading before or after clamping. It is adaptable to multiple devices including: Swing clamps, link clamps, cylinders and work supports.
Avoid machine crashes by confirming specific actions before you cycle your machine. It is designed to be used in both coolant and dry environments, and is easily mounted either vertically or horizontally. Confirmation at its finest!
- Easily fine tune your fixture choosing between set and differential pressure.
- Confirm signal is based on restricting air flow when testing function is present.
- Over-travel sensing will reopen if a device depresses plunger beyond the valve limit.
- Use Pneumatic Confirmation Valve with almost any clamping device.
- Assists in detecting missing or incorrectly loaded parts.
- Remote venting recommended in coolant applications.
- 1/8 Tube – M3 Connector – Part No. P3-0370-20, (Order Separately).
| Model No. | Action | Max Air Pressure | Pressure Range | Air Flow Rate | Differential Pressure @ 140 kPa Air Pressure | Differential Pressure @ 480 kPa Air Pressure | Plunger Stroke (mm) | Spring Force (N) | Nom. Ø | Torque (Nm) |
|---|---|---|---|---|---|---|---|---|---|---|
| 45-0495-00 | Over-Travel Sensing | 1000 kPa | 70 - 480 kPa | 10 - 20 L/Min | Min 80 | Min 310 | 10 Max | 6.6 - 13.3 | 2 | 25 Max |
| 45-0495-01 | Standard | 1000 kPa | 70 - 480 kPa | 10 - 20 L/Min | Min 80 | Min 310 | 10 Max | 6.6 - 13.3 | 2 | 25 Max |
You have questions? WE HAVE ANSWERS!
Use the contact button below to be connected with one of our team of experts.