Language: EN

Integral Accumulator

Metric Pallet Fixture Accessories

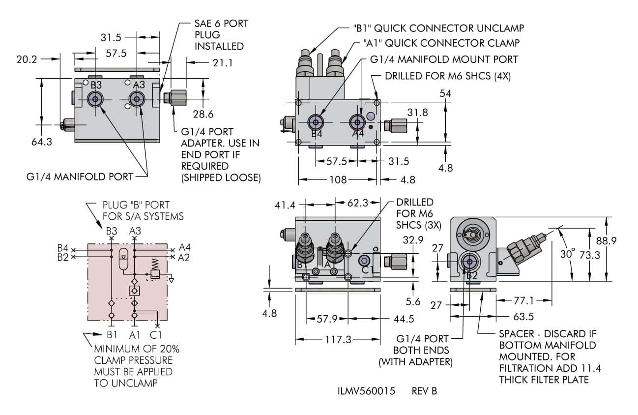
  • Decouplers are a complete, self contained package for disconnecting a fixture from its power supply while machining.
  • Everything is there for you: Quick connect coupling, filters, pilot operated check valve and over-pressure relief valve!
  • Robust pilot operated check valve with 1 to 5 ratio of pilot to check pressure for proven long term reliability.
  • Internal 25 micron filters for added protection of pilot operated check valve thru ports A1, A2, A3, A4 & C1. Additional filtration provided at port B1. (filtration for A3, B3 or A4, B4 available by purchasing Vektek filter block 47-0842-05 or 47-0842-06 depending on mounting orientation.)
  • G1/4 ports and manifold mounting (bottom and rear) connections on all models.
  • Single acting pallet circuits require 2 hoses to the operating handle for pressure release. For single hose systems see the Manual Shutoff Valve Decoupler.
  • Filter Plates for manifold mounting contamination prevention available here.

NOTE: These automatic Shutoff Valve Decouplers and Operating Handle must be used with a suitable pump which includes a 4 position/3 port, P-blocked center (A & B connected to Tank) directional control valve for operation of single or double acting systems. One Automatic Shutoff Decoupler can be used to operate only one double acting or one single acting circuit. For operation of a single acting circuit, plug the Decoupler port B (as shown in the schematic).

  • Decouplers are a complete, self contained package for disconnecting a fixture from its power supply while machining.
  • Everything is there for you: Quick connect coupling, filters, pilot operated check valve and over-pressure relief valve!
  • Robust pilot operated check valve with 1 to 5 ratio of pilot to check pressure for proven long term reliability.
  • Internal 25 micron filters for added protection of pilot operated check valve thru ports A1, A2, A3, A4 & C1. Additional filtration provided at port B1. (filtration for A3, B3 or A4, B4 available by purchasing Vektek filter block 47-0842-05 or 47-0842-06 depending on mounting orientation.)
  • G1/4 ports and manifold mounting (bottom and rear) connections on all models.
  • Single acting pallet circuits require 2 hoses to the operating handle for pressure release. For single hose systems see the Manual Shutoff Valve Decoupler.
  • Filter Plates for manifold mounting contamination prevention available here.

NOTE: These automatic Shutoff Valve Decouplers and Operating Handle must be used with a suitable pump which includes a 4 position/3 port, P-blocked center (A & B connected to Tank) directional control valve for operation of single or double acting systems. One Automatic Shutoff Decoupler can be used to operate only one double acting or one single acting circuit. For operation of a single acting circuit, plug the Decoupler port B (as shown in the schematic).

  • Maximum working pressure – 350 bar (35 MPa)
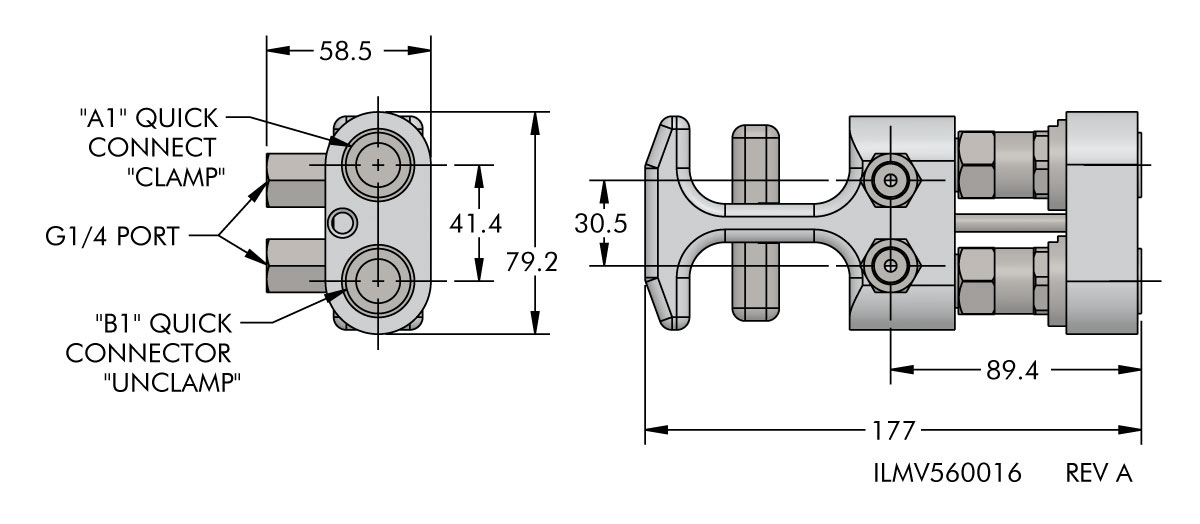
  • Provides a fast, positive connection to the decoupler.
  • Ergonomic design reduces operator fatigue.
  • The One-Handed Handle may be used with the optional Handle Docking Module to assure that the hoses are disconnected from the pallet before it is shuttled into the machine.
  • SAFETY: See Docking Station.

Customers that have previously bought a decoupler can purchase a new cover for their old decoupler.

New orders of decouplers will come with cover.

Model No.Pressure RangeAccumulator Capacity
45-6007-2030 - 100 Bar / 3 - 10 MPa62 cm³
45-6007-2170 - 250 Bar / 7 - 25 MPa59 cm³
45-6007-22140 - 350 Bar / 14 - 35 MPa52 cm³
Model No.
45-6005-00
Model No.A
45-6008-038.9
Model No.DescriptionPorts
47-0048-81FILTER, IN-LINE, G1/4, 25 MICRONIn-Line
47-0842-05FILTER, SANDWICH, SUBPLATE, PALLET DECOUPLER, BOTTOM MOUNTBottom A4 & B4
47-0842-06FILTER, SANDWICH, SUBPLATE, PALLET DECOUPLER, REAR MOUNTRear A3 & B3

You have questions? WE HAVE ANSWERS!

Use the contact button below to be connected with one of our team of experts.