Large Bore, 2 Point Contact
Centering Clamps
Double Acting
- Often used when trying to locate using 2 bores on the same part. Use the 3 point Centering Clamp for the first bore, the 2 point unit for the second bore often in an engine block. This allows for minimal part variance of the second bore in a third clocking axis, while centralizing both. Functioning similar to using round and diamond locators.
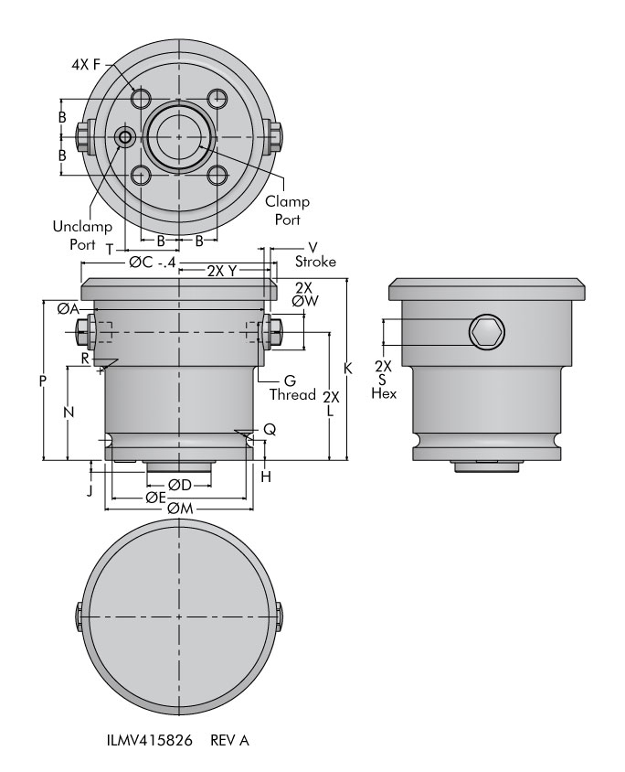
- Bore clamp with 2 points used for concentric positioning of a bore, internal clamping expands radially to center the bore.
- Capable of moving a part approximately 2.54 mm after the part is placed over the center mandrel.
- The clamping points retract for easy loading.
- Fits bore sizes from 54 mm to 130 mm.
- Can be used to center a slot, cavity, or other non-round feature, but normally the 2nd bore in 1 part. Requires the use of fixed stops and or additional clamps to resist direct rotational torque.
- Repeatability of ± 0.02 mm.
- May be manifold mounted as shown or purchase the optional Mounting Plate for bolt-down or access to porting when mounting.
| Model No. | Clamp Capacity (kN) | Clamping Points | Clamping Range Ø (mm) | Repeatability | Weight |
|---|---|---|---|---|---|
| 41-5821-90 | 11.2 | 2 | 54 - 62 | 0.02 | 1754 g |
| 41-5822-10 | 11.2 | 2 | 61 - 69 | 0.02 | 1754 g |
| 41-5822-40 | 11.2 | 2 | 68 - 76 | 0.02 | 1754 g |
| 41-5822-60 | 17.5 | 2 | 76 - 84 | 0.02 | 1754 g |
| 41-5822-90 | 17.5 | 2 | 83 - 91 | 0.02 | 1754 g |
| 41-5823-10 | 17.5 | 2 | 90 - 98 | 0.02 | 1754 g |
| 41-5823-40 | 28 | 2 | 98 - 109 | 0.02 | 3434 g |
| 41-5823-70 | 28 | 2 | 109 - 120 | 0.02 | 3597 g |
| 41-5824-10 | 28 | 2 | 119 - 130 | 0.02 | 3761 g |
| Model No. | A | B | C | D | E | F | G | H | J | K | L | M | N | P | Q | R | S | T | V | W | Y |
|---|---|---|---|---|---|---|---|---|---|---|---|---|---|---|---|---|---|---|---|---|---|
| 41-5821-90 | 45 | 11.3 | 53.9 | 15.994 MAX / 15.983 MIN | 40 | M6 - 1.0 X 12 | M6 | 8 | 6 | 65 | 45 | 45 | N/A | 57 | 2.6 | N/A | 10 | 16.8 | 4 | 12 | 22.9 |
| 41-5822-10 | 45 | 11.3 | 60.9 | 15.994 MAX / 15.983 MIN | 40 | M6 - 1.0 X 12 | M6 | 8 | 6 | 65 | 45 | 45 | N/A | 57 | 2.6 | N/A | 10 | 16.8 | 4 | 12 | 22.9 |
| 41-5822-40 | 45 | 11.3 | 67.9 | 15.994 MAX / 15.983 MIN | 40 | M6 - 1.0 X 12 | M6 | 8 | 6 | 65 | 45 | 45 | N/A | 57 | 2.6 | N/A | 10 | 16.8 | 4 | 12 | 22.9 |
| 41-5822-60 | 65 | 15.6 | 75.9 | 24.993 MAX / 24.890 MIN | 54 | M8 - 1.25 X 16 | M6 | 9 | 6 | 77 | 56 | 60 | 41 | 68 | 3.1 | 0.5 | 11 | 22 | 5.2 | 14 | 32.5 |
| 41-5822-90 | 65 | 15.6 | 82.9 | 24.993 MAX / 24.890 MIN | 54 | M8 - 1.25 X 16 | M6 | 9 | 6 | 77 | 56 | 60 | 41 | 68 | 3.1 | 0.5 | 11 | 22 | 5.2 | 14 | 32.5 |
| 41-5823-10 | 65 | 15.6 | 89.9 | 24.993 MAX / 24.890 MIN | 54 | M8 - 1.25 X 16 | M6 | 9 | 6 | 77 | 56 | 60 | 41 | 68 | 3.1 | 0.5 | 11 | 22 | 5.2 | 14 | 32.5 |
| 41-5823-40 | 85 | 19.1 | 97.9 | 31.991 MAX / 31.975 MIN | 67 | M10 - 1.5 X 20 | M8 | 10 | 6 | 91 | 64 | 74 | 47 | 80 | 3.6 | 2.5 | 13 | 27 | 6.9 | 18 | 42.5 |
| 41-5823-70 | 85 | 19.1 | 108.9 | 31.991 MAX / 31.975 MIN | 67 | M10 - 1.5 X 20 | M8 | 10 | 6 | 91 | 64 | 74 | 47 | 80 | 3.6 | 2.5 | 13 | 27 | 6.9 | 18 | 42.5 |
| 41-5824-10 | 85 | 19.1 | 118.9 | 31.991 MAX / 31.975 MIN | 67 | M10 - 1.5 X 20 | M8 | 10 | 6 | 91 | 64 | 74 | 47 | 80 | 3.6 | 2.5 | 13 | 27 | 6.9 | 18 | 42.5 |
| Model No. | A | B | C | D | E | F | G | H | J | K |
|---|---|---|---|---|---|---|---|---|---|---|
| 41-5821-90 | 20.5 | 16 | 0.018 | 8 | 1.3 | 6 | 3 | 7.7 | 1.1 | 16.8 |
| 41-5822-10 | 20.5 | 16 | 0.018 | 8 | 1.3 | 6 | 3 | 7.7 | 1.1 | 16.8 |
| 41-5822-40 | 20.5 | 16 | 0.018 | 8 | 1.3 | 6 | 3 | 7.7 | 1.1 | 16.8 |
| 41-5822-60 | 30 | 25 | 0.021 | 14 | 1.5 | 6 | 4 | 9.8 | 1.1 | 22 |
| 41-5822-90 | 30 | 25 | 0.021 | 14 | 1.5 | 6 | 4 | 9.8 | 1.1 | 22 |
| 41-5823-10 | 30 | 25 | 0.021 | 14 | 1.5 | 6 | 4 | 9.8 | 1.1 | 22 |
| 41-5823-40 | 36.6 | 32 | 0.025 | 16 | 1.3 | 6 | 5 | 10.8 | 1.1 | 27 |
| 41-5823-70 | 36.6 | 32 | 0.025 | 16 | 1.3 | 6 | 5 | 10.8 | 1.1 | 27 |
| 41-5824-10 | 36.6 | 32 | 0.025 | 16 | 1.3 | 6 | 5 | 10.8 | 1.1 | 27 |
You have questions? WE HAVE ANSWERS!
Use the contact button below to be connected with one of our team of experts.