TuffLink 360 Twin Lever Link Clamp Levers
Levers
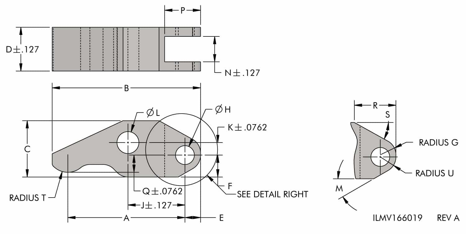
* Clamp capacities are listed at 350 bar (35 MPa) maximum operating pressure with a standard length link clamp lever installed. See the TuffLink Link Clamp Levers for the clamping force of various lever lengths and pressures. Minimum operating pressure is 52 bar (5.2 MPa) for single acting devices. The clamping force is adjustable by varying the hydraulic system pressure. (Actual force will vary slightly due to mechanical inefficiencies, friction and/or return springs.)
** Equal to +/-3° with standard lever.
*** To insure maximum service life and trouble-free operation, restrict fluid flow to the above flow ratings when clamping. If you are unable to measure flow rates, the devices should be positioned in no less than 1/2 second. These recommendations apply when using the standard lever. When using the optional long lever or your custom lever, please restrict the flow rates to position the lever in no less than 1 second.
**** In-port valves require the use of manifold mount ports.
| Model No. | A | B | C | D | E | F | G | H | J | K | L | M | N | P | Q | R | S | T | U |
|---|---|---|---|---|---|---|---|---|---|---|---|---|---|---|---|---|---|---|---|
| 91-6115-20 | 29.97 | 38.4 | 14 | 12 | 4.24 | 5 | 5 | 5.039 max / 5.009 min | 13.99 | 2.997 | 6.020 max / 5.999 min | 25 | 7.112 | 9.398 | 5 | 11.46 | 27 | 5.004 | 4.24 |
| 91-6118-20 | 37.59 | 47.5 | 18 | 14 | 5 | 7.01 | 5 | 6.040 max / 6.010 min | 18.26 | 3.988 | 7.021 max / 7.000 min | 30 | 8.103 | 11.51 | 5.512 | 13.31 | 29 | 6.502 | 5 |
| 91-6122-20 | 44.7 | 56.9 | 20 | 18 | 6.5 | 8.99 | 5.99 | 8.049 max / 8.014 min | 21.74 | 2.007 | 9.022 max / 9.002 min | 25 | 10.11 | 16.00 | 8.509 | 15.01 | 25 | 10.01 | 6.5 |
You have questions? WE HAVE ANSWERS!
Use the contact button below to be connected with one of our team of experts.