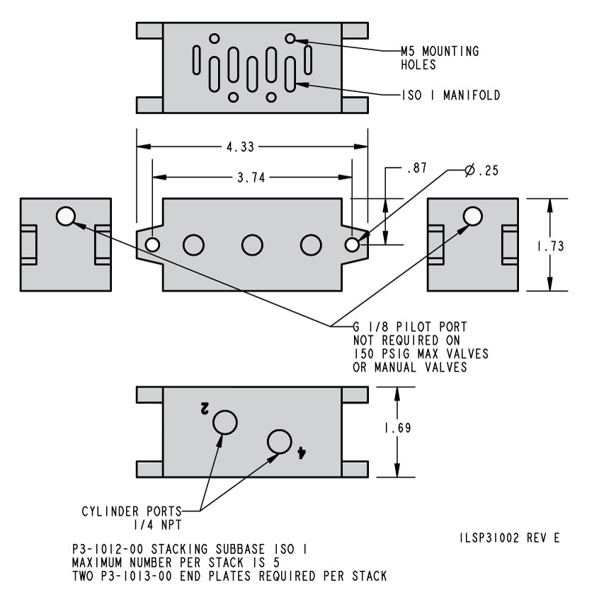
Stacking Sub Base
Pneumatic Valves
Multiple Valve System Components
- Maximum number per stack is 5
- Two P3-1013-00 End Plates Required per Stack
| Model No. | Description | Per Stack |
|---|---|---|
| P3-1012-00 | SUBBASE, ISO 1, STACKING | 5 Maximum |
You have questions? WE HAVE ANSWERS!
Use the contact button below to be connected with one of our team of experts.