High Pressure 250 Bar Self-Centering Vise
Hydraulic Self-Centering Vise
- Max operating pressure 3625 psi / 250 bar.
- High jaw repeatability:
VCV 100: 0.01MM
VCV 160: 0.02MM - Wedge and piston design.
- Stroke range from 12 to 16MM.
- Operating temperature range from 5 to 60°C.
- Hardened steel construction.
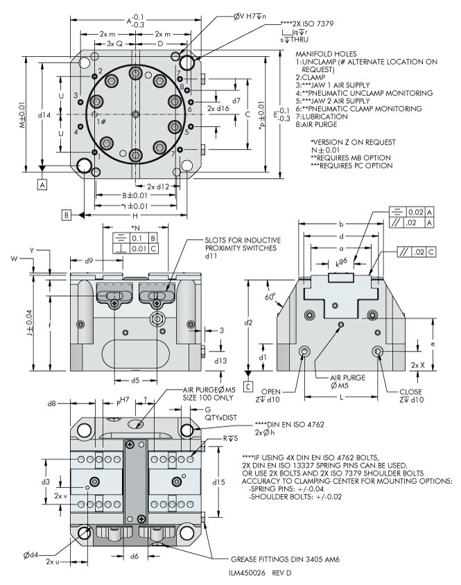
- Inductive sensors can be mounted for open, close, and part clamp detection. Requires the use of the S mounting kit.
- The PC option adds the ability for pneumatic part presense sensing and blow off when manifold mounted by adding a pneumatic port in the top of the jaw.
- The MB option adds the ability for pneumatic jaw position sensing for clamp and unclamp. Each state uses a separate port, so they can be used individually to detect a single state, or together to also verify part clamping.
* The gripping force is the arithmetic sum of the individual forces at “F” distance at max pressure.
** Closing and opening times are purely the times that the base jaws are in motion. Valve switching, hose filling,
PLC/CNC reactions, and other potential delays are not included and must be taken into consideration when
determining cycle times.
- The PC option adds the ability for pneumatic part presense sensing and blow off when manifold mounted by supplying compressed air to the jaws. This air can be routed through jaws and used to blow off the jaw faces before machining, or the port can be positioned to be covered by the part to increase air pressure and verify part presence.
- The MB option adds the ability for pneumatic jaw position sensing for fully clamped and unclamped. Each state uses a separate port, so they can be used individually to detect a single state, or together to also verify part clamping. Use max of 2 bar air pressure. Can be used with 50-8240-00 air sensing control kit.
STANDARD PART NUMBER TO ORDER → VCV-160-C1-ID
VFB
VISE
- VCV
160
SIZE
- 100 | 160
C1
VERSION
- C1 = Long stroke
ID
ACTUATION
- ID = Hydraulic
STANDARD PART NUMBER TO ORDER → VCV-160-C1-ID-X-XX-X-
OPTIONS
- D = Version with serrated base jaw 1.5 x 60º
- Z = High precision version +/-0.01
- AH = Alternate hole location
OPTIONAL ACCESSORIES
- MH = Top jaw blank (kit of 2 pcs)
- MT = Serrated top jaw blank 1.5 x 60º (kit of 2 pcs)
- S = Mounting kit for inductive sensor application
- Inductive sensor (M5 for VCV 100-160)
- HIP = Pre-loaded bronze scrapers for IP54 rating
- MB = Pneumatic position monitoring of base jaw
- PC = Pneumatic part presence sensing / jaw blow-off
| Model No. | F | Clamping Force (N) | Max Pressure (bar) | Jaw Stroke (mm) | Max Jaw Length (mm) | Open/Close Time | Oil Consumption per Stroke Cycle (cm³) | Weight |
|---|---|---|---|---|---|---|---|---|
| VCV-100-C1-ID | 16 | 16000 | 250 | 6 | 60 | 1 s | 33 | 4.9 kg |
| VCV-160-C1-ID | 25 | 44000 | 250 | 8 | 60 | 1.5 s | 105 | 14.5 kg |
| Model No. | A | B | C | D | E | G | H | L | M | P | R | S | U | V | Z | X | Y | W | J | K | Q | a | b | d | d1 | d2 | d3 | d4 | d5 | d6 | d7 | d9 | d10 | d11 | d12 | d13 | d14 | d15 | d16 | e | f | T | N | d8 | h | m | n | p | q | r | s | t |
|---|---|---|---|---|---|---|---|---|---|---|---|---|---|---|---|---|---|---|---|---|---|---|---|---|---|---|---|---|---|---|---|---|---|---|---|---|---|---|---|---|---|---|---|---|---|---|---|---|---|---|---|---|
| VCV-100-C1-ID | 102 | 64 | 55 | 40 | 100 | 7x4 | 80 | 57 | 90 | 6 | M6 | 9 | 29.5 | 6 | G1/8 | 15 | 2.7 | 1.8 | 74.2 | 20 | 32 | 47 | 66 | 58 | 34 | 70 | 35 | 13.5 | 40 | 19 | 18.7 | 41 | 8 | M5 | 34.5 | 15 | 80 | 51 | 19 | 38 | 55.7 | 14.5 | 51 | 19.5 | 8.5 | 43 | 12 | 90 | 11 | 7.5 | 10 | 64 |
| VCV-160-C1-ID | 160 | 106 | 82 | 67 | 160 | 10x5 | 125 | 100 | 146 | 8 | M8 | 12 | 50 | 8 | G1/8 | 15 | 3.2 | 1.8 | 87.2 | 32 | 40 | 78 | 104 | 91 | 25 | 83.6 | 60 | 18 | 48 | 24 | 29 | 67.5 | 9 | M5 | 59.7 | 49.5 | 125 | 78 | 24 | 47.5 | 71 | 18.8 | 89.6 | 27.2 | 11 | 72 | 14 | 146 | 13 | 10 | 12 | 106 |
| Model No. | FA (N) | My (Nm) | Mz (Nm) | Mx (Nm) |
|---|---|---|---|---|
| VCV-100-C1-ID | 5000 | 250 | 250 | 250 |
| VCV-160-C1-ID | 10000 | 500 | 500 | 500 |
| Model No. |
|---|
| VCV-100-C1-ID |
| VCV-160-C1-ID |