Fluid Advance Cartridge Inch Hydraulic Work Supports
For Retracted Plunger Applications
- Available in: 1,000, 2,500 and 4,000 lbs.
- Normally retracted plungers do not interfere with part loading. Advance them with hydraulic pressure, exerting only spring force to bring the plunger into contact with your part. Hydraulic pressure then automatically sequences, freezing the plunger properly against the part.
- Ventless configuration and built in wiper keeps chips and debris out, reducing the chance of plunger/sleeve sticking or binding.
- Stainless steel plunger and sleeve assemblies help guard against corrosion in most machining environments.
Plunger and sleeve assemblies designed to help guard against corrosion in most machining environments. Standard SAE porting and alternate O-Ring manifold face seal is located in the base of the support for bolt down installation.
* Support capacities are listed at 5,000 psi maximum operating pressure. Support capacities for other pressures must be determined by consulting the Capacity tab.
** Restrict flow rate to a maximum of 130 cu. in./minute.
NOTE: The maximum system backpressure a fluid advance work support can overcome is 10 psi. Returning backpressure greater than 10 psi may cause slow or failed retraction.
- Confirm capacity of item selected.
- Note the sealing surface finish requirements.
- Minimum depth specification represents the nominal depth of the standard Vektek base dimension.
- Confirm cavity drawing is appropriate for the model number used.
- Note specified thread depth when cutting threads.
- When using a bottoming tap tool, modifications may be required.
- When hand tapping threads, perpendicularity is essential.
- For Spherical Work Support Contact Bolt, click here.
| Model No. | Support Capacity (lb.) | Mounting Style | Contact Force (lb.) | Stroke (in.) | Retracted Height (in.) | Oil Capacity (cu. in.) |
|---|---|---|---|---|---|---|
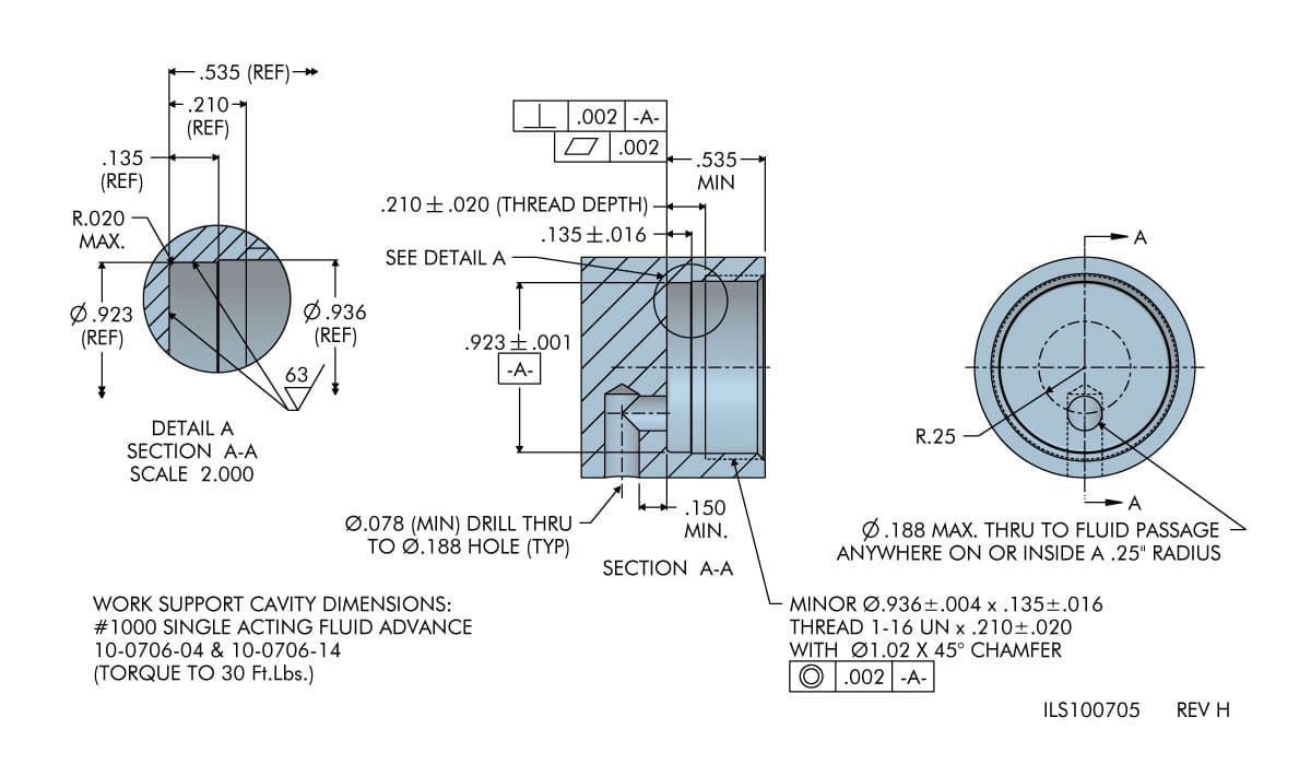
| 10-0706-04 | 1000 | Cartridge | 1-6 | 0.25 | 2.12 | 0.08 |
| 10-0706-14 | 1400 | Cartridge | 1-6 | 0.50 | 2.62 | 0.09 |
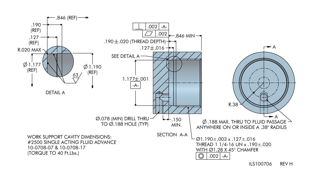
| 10-0708-07 | 2500 | Cartridge | 3-10 | 0.25 | 2.83 | 0.12 |
| 10-0708-17 | 3000 | Cartridge | 3-10 | 0.50 | 3.33 | 0.14 |
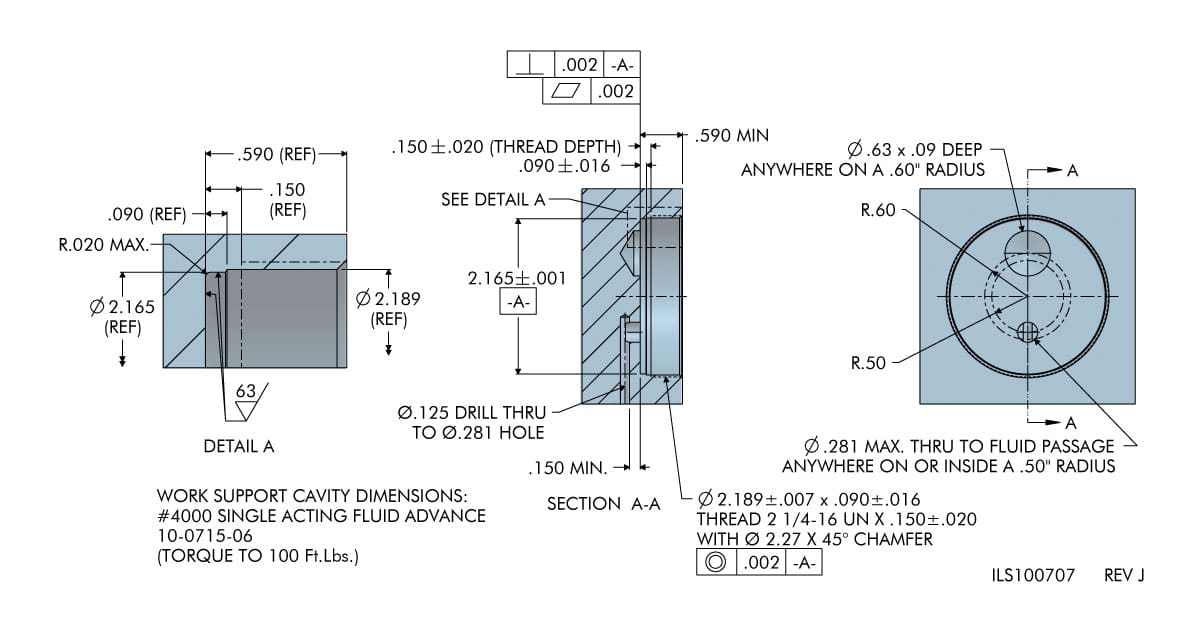
| 10-0715-06 | 4000 | Cartridge | 8-12 | 0.50 | 2.85 | 0.59 |
| Model No. | A | B | C | D | E | F | G | H | J | M | V | W |
|---|---|---|---|---|---|---|---|---|---|---|---|---|
| 10-0706-04 | 1-16 | 2.12 | 0.25 | 1.68 | 0.24 | 0.21 | 0.88 | 0.62 | 0.14 | 0.92 | 0.50 | 5/16-18 X 0.20 |
| 10-0706-14 | 1-16 | 2.62 | 0.50 | 2.18 | 0.24 | 0.21 | 0.88 | 0.62 | 0.14 | 0.92 | 0.50 | 3/8-24 X 0.20 |
| 10-0708-07 | 1 1/4-16 | 2.83 | 0.25 | 2.17 | 0.31 | 0.36 | 1.13 | 0.81 | 0.19 | 1.17 | 0.63 | 7/16-14 X 0.25 |
| 10-0708-17 | 1 1/4-16 | 3.33 | 0.50 | 2.67 | 0.31 | 0.36 | 1.13 | 0.81 | 0.19 | 1.17 | 0.63 | 7/16-14 X 0.25 |
| 10-0715-06 | 2 1/4-16 | 2.85 | 0.50 | 2.16 | 0.19 | 0.50 | 2.00 | 1.50 | 0.19 | 2.16 | 0.75 | 1/2-13 X 0.25 |
| Model No. | Support Capacity (lb.) |
|---|---|
| 10-0706-04 | 1000 |
| 10-0706-14 | 1400 |
| 10-0708-07 | 2500 |
| 10-0708-17 | 3000 |
| 10-0715-06 | 4000 |
| Model No. | Support Capacity (lb.) | O-Ring Part Number | O-Ring Size | A | B | C | D | E |
|---|---|---|---|---|---|---|---|---|
| 10-0706-04 | 1000 | 39-0510-59 | 0.236 X 0.059 | 0.384 | 0.197 | 0.238 | 0.047 | 5/16-18 UNC-2A |
| 10-0706-14 | 1400 | 39-0000-69 | 0.301 X 0.064 | 0.450 | 0.197 | 0.302 | 0.047 | 3/8-24 UNF-2A |
| 10-0708-07 | 2500 | 55-2500-05 | 0.301 X 0.070 | 0.493 | 0.250 | 0.328 | 0.070 | 7/16-14 UNC-2A |
| 10-0708-17 | 3000 | 55-2500-05 | 0.301 X 0.070 | 0.493 | 0.250 | 0.328 | 0.070 | 7/16-14 UNC-2A |
| 10-0715-06 | 4000 | 39-0020-09 | 0.364 x 0.070 | 0.555 | 0.250 | 0.390 | 0.070 | 1/2-13 UNC-2A |
You have questions? WE HAVE ANSWERS!
Use the contact button below to be connected with one of our team of experts.