Spring Advance Cartridge Work Supports
7 MPa Work Supports
Support Most Parts
- Available in four capacities: 3.0 kN, 4.0 kN, 5.5 kN and 10 kN.
- When using the 3-2-1 locating principles, you often need additional support for a 4th, 5th or even more areas on your part. A work support will give you floating locators that won’t interfere with your 3, 2 or 1 location. Clamp over your locators then lock the supports.
- Spring extended plungers maintain contact with the part during loading, exerting only spring force against the part. When hydraulic pressure is applied the plunger freezes without exerting any additional force on the part.
- If spring advance supports are used in flood coolant environments, vent to clean dry air.
- Choose between a High-Tension or Low-Tension spring to fit your application.
- Cartridge style work supports provide designers with additional mounting options. These supports can be thread mounted into a fixture or custom cavity mounted.
Bearing grade stainless steel plunger and collet assembly helps guard against corrosion in most machining environments.
NOTE: Work Support Capacity to be equal to or greater than 1.5 times clamping force plus machining force.
* Support capacities are listed at 7 MPa (70 bar) maximum pressure. Support capacities for other pressures are shown on the Capacity Charts.
** P in the formula is hydraulic pressure measured in MPa
*** To allow for work piece height variations, it is recommended that the plunger contacts the part at Mid-Stroke.
NOTE: Work Support Capacity to be equal to or greater than 1.5 times clamping force plus machining force. The maximum system back-pressure a fluid advance work support can overcome is 0.07 MPa (0.7 bar). Return back-pressure greater than 0.07 MPa (0.7 bar) may cause slow or failed retraction. Operating work supports above maximum pressure may damage work support and void warranty.
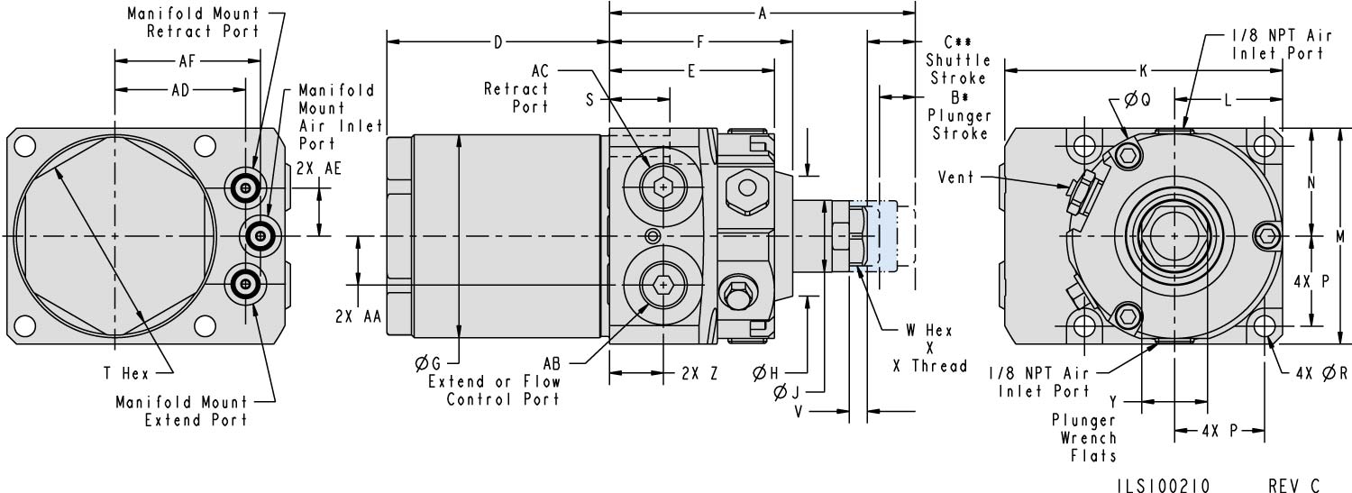
Refer to contact bolt dimensions.
| Model No. | Support Capacity (kN) | Support Capacity Formula (kN) | Stroke (mm) | Contact Force (N) | Oil Capacity (cm³) |
|---|---|---|---|---|---|
| L1-0310-00-H | 3.0 | (P-1) x 0.500 | 6.5 | 6.2 - 9.0 | 0.30 |
| L1-0310-00-L | 3.0 | (P-1) x 0.500 | 6.5 | 3.7 - 6.1 | 0.30 |
| L1-0312-00-H | 4.0 | (P-1) x 0.667 | 8 | 8.8 - 14.9 | 0.40 |
| L1-0312-00-L | 4.0 | (P-1) x 0.667 | 8 | 4.3 - 7.4 | 0.40 |
| L1-0315-00-H | 5.5 | (P-1) x 0.917 | 8 | 12.8 - 20.7 | 0.39 |
| L1-0315-00-L | 5.5 | (P-1) x 0.917 | 8 | 9.2 - 13.7 | 0.39 |
| L1-0316-00-H | 10 | (P-1) x 1.667 | 10 | 12.7 - 22.8 | 0.70 |
| L1-0316-00-L | 10 | (P-1) x 1.667 | 10 | 9.3 - 14.7 | 0.70 |
| Model No. | A | B | C | D | E | P | Q | R | S | T | V | W | X | Y | Z | MA | MG | MH | MK | ML | MM | MN | Install Torque |
|---|---|---|---|---|---|---|---|---|---|---|---|---|---|---|---|---|---|---|---|---|---|---|---|
| L1-0310-00-H | 72.5 | 24 | 26 | 8.4 | 57 | AS568 2-013 | 10 | 6.5 | 9 | 3 | 8 | 8 | 8.75 | AS568 2-020 | 24.25 | M26 X 1.5 | Max. 7 | 18.5 | Max. 3 | 24.5 | Min. 20 | Max. 8 | 35 Nm |
| L1-0310-00-L | 72.5 | 24 | 26 | 8.4 | 57 | AS568 2-013 | 10 | 6.5 | 9 | 3 | 8 | 8 | 8.75 | AS568 2-020 | 24.25 | M26 X 1.5 | Max. 7 | 18.5 | Max. 3 | 24.5 | Min. 20 | Max. 8 | 35 Nm |
| L1-0312-00-H | 81 | 27 | 30 | 9.4 | 62 | AS568 2-014 | 12 | 8 | 11.5 | 4 | 10 | 10 | 8.75 | AS568 2-022 | 28.25 | M30 X 1.5 | Max. 8 | 20 | Max. 4 | 28.5 | Min. 20 | Max. 9 | 40 Nm |
| L1-0312-00-L | 81 | 27 | 30 | 9.4 | 62 | AS568 2-014 | 12 | 8 | 11.5 | 4 | 10 | 10 | 8.75 | AS568 2-022 | 28.25 | M30 X 1.5 | Max. 8 | 20 | Max. 4 | 28.5 | Min. 20 | Max. 9 | 40 Nm |
| L1-0315-00-H | 77 | 32 | 36 | 9.4 | 58 | AS568 2-015 | 15 | 8 | 12.5 | 4 | 11 | 13 | 8.75 | AS568 2-026 | 34.25 | M36 X 1.5 | Max. 10 | 24.5 | Max. 4 | 34.5 | Min. 18 | Max. 9 | 40 Nm |
| L1-0315-00-L | 77 | 32 | 36 | 9.4 | 58 | AS568 2-015 | 15 | 8 | 12.5 | 4 | 11 | 13 | 8.75 | AS568 2-026 | 34.25 | M36 X 1.5 | Max. 10 | 24.5 | Max. 4 | 34.5 | Min. 18 | Max. 9 | 40 Nm |
| L1-0316-00-H | 92 | 41 | 45 | 9.4 | 71 | AS568 2-015 | 16 | 10 | 12.5 | 4 | 11 | 13 | 12.25 | AS568 2-030 | 43.15 | M45 X 1.5 | Max. 10 | 30 | Max. 6 | 43.5 | Min. 20 | Max. 9 | 55 Nm |
| L1-0316-00-L | 92 | 41 | 45 | 9.4 | 71 | AS568 2-015 | 16 | 10 | 12.5 | 4 | 11 | 13 | 12.25 | AS568 2-030 | 43.15 | M45 X 1.5 | Max. 10 | 30 | Max. 6 | 43.5 | Min. 20 | Max. 9 | 55 Nm |
| Model No. | Support Capacity (kN) | O-Ring Part Number | O-Ring Size | A | B | C | D | E | F | G |
|---|---|---|---|---|---|---|---|---|---|---|
| L1-0310-00-H | 3.0 | 39-0511-18 | 4.5 X 1.5 mm | 4.55 | 9.0 | 3.35 | 9.0 | 6.25 | 1.75 | M6 X 1.0 |
| L1-0310-00-L | 3.0 | 39-0511-18 | 4.5 X 1.5 mm | 4.55 | 9.0 | 3.35 | 9.0 | 6.25 | 1.75 | M6 X 1.0 |
| L1-0312-00-H | 4.0 | 39-0511-08 | 5.5 X 1.5 mm | 5.75 | 11.5 | 4.35 | 9.0 | 6.25 | 1.75 | M8 X 1.25 |
| L1-0312-00-L | 4.0 | 39-0511-08 | 5.5 X 1.5 mm | 5.75 | 11.5 | 4.35 | 9.0 | 6.25 | 1.75 | M8 X 1.25 |
| L1-0315-00-H | 5.5 | 39-0510-91 | 7.5 X 1.5 mm | 7.80 | 12.5 | 5.75 | 9.0 | 6.25 | 1.75 | M10 X 1.5 |
| L1-0315-00-L | 5.5 | 39-0510-91 | 7.5 X 1.5 mm | 7.80 | 12.5 | 5.75 | 9.0 | 6.25 | 1.75 | M10 X 1.5 |
| L1-0316-00-H | 10 | 39-0510-91 | 7.5 X 1.5 mm | 7.80 | 12.5 | 5.75 | 9.0 | 6.25 | 1.75 | M10 X 1.5 |
| L1-0316-00-L | 10 | 39-0510-91 | 7.5 X 1.5 mm | 7.80 | 12.5 | 5.75 | 9.0 | 6.25 | 1.75 | M10 X 1.5 |
You have questions? WE HAVE ANSWERS!
Use the contact button below to be connected with one of our team of experts.