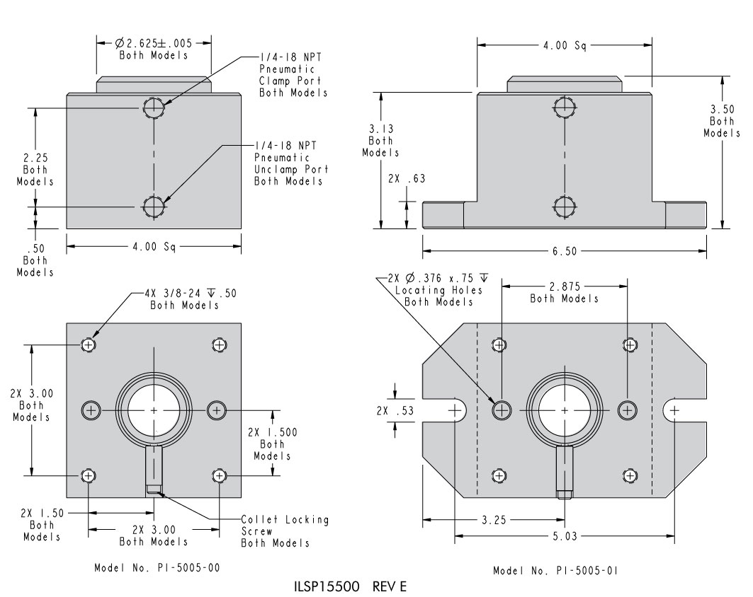
Air Powered Collet Vise
Pneumatic Special Use Clamps
Double Acting
- Single collet styles only.
- Compact design yields (downward) 750 lb. collet closing force generated at 100 psig air pressure.
- Concentric piston pulls the standard 5-C collet on center line.
- Available with or without mounting flange for easy fastening from either top or bottom.
- Through hole design allows you to feed bar stock (1.062″ maximum diameter) from the bottom of the collet for high production applications.
- Lightweight, only 5 lbs.
- Operating temperature limits are 32-150° F.
| Model No. | Mounting Style | Approximate Radial Clamp Force per Station (lb.) | Approximate Downward Clamp Force per Station (lb.) | Weight |
|---|---|---|---|---|
| P1-5005-00 | Flange Mount | 2250 | 750 | 4.50 |
| P1-5005-01 | Bottom Mount | 2250 | 750 | 5.00 |
You have questions? WE HAVE ANSWERS!
Use the contact button below to be connected with one of our team of experts.