Edge Clamps
Single Acting Standard And Manifold Mount
- Low profile allows you to slab mill over the clamp on most parts.
- Downward clamping angle of the blade yields both horizontal and vertical force pushing your part firmly against locators and the work surface.
- Three way porting makes plumbing multiple clamps easy without tees or additional manifolds.
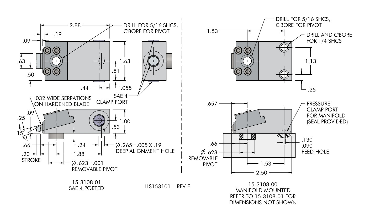
- Manifold mount design uses O-Ring face seal for simple bolt down installation.
- Unique center hole mounting and thrust bushing make this device ideal for quick set-up T-slot mounting.
Hardened Chrome alloy steel blade grips the part while the unique design angle provides both horizontal and vertical clamp force. Three SAE 4 fluid ports on standard model, O-Ring bolt down face seal on the manifold model simplify leak free installation. BHC™ (Black Hard Coating) on the cylinder bodies helps prevent scoring and scratching. Specially designed springs run longer, require less maintenance. Pivot locator/thrust bushing provided. Proprietary seal designs reduce leakage for long lasting cylinders.
For proper sealing, mating surface must be flat within 0.003 with a maximum 63 µin Ra surface finish.
* Cylinder capacities are listed at 5,000 psi maximum operating pressure. The output force is adjustable by varying hydraulic system pressure. (Actual force may vary slightly due to friction loss, seal and wiper drag and/or return springs.)
| Model No. | Plumbing Style | Clamp Force (lb.) Horizontal | Clamp Force (lb.) Vertical | Horizontal Stroke | Vertical Blade Movement | Body Size | Piston Area (sq. in.) | Oil Capacity (cu. in.) | Approximate Pressure to Extend |
|---|---|---|---|---|---|---|---|---|---|
| 15-3108-00 | Manifold | 2000 | 500 | 0.20 | 0.06 | 2.50 X 1.62 | 0.442 | 0.09 | 200 psi |
| 15-3108-01 | SAE Ported | 2000 | 500 | 0.20 | 0.06 | 2.88 X 1.62 | 0.442 | 0.09 | 200 psi |
You have questions? WE HAVE ANSWERS!
Use the contact button below to be connected with one of our team of experts.