Block Pull Cylinder
Push Pull Cylinders
Single Acting
- No special mounting hardware required, secure these draw action cylinders by bolting in place.
- Adjustable force ranging from minimal to maximum cylinder capacity, just vary the hydraulic pressure.
- Normally extended piston provides a simple device for actuating clamping mechanisms, device manipulation or disappearing spring crowders.
- Threaded plunger ends allow the attachment of custom end treatments or the use of bolts to pull C washers.
- Chromed and hardened alloy steel plungers run longer with less wear and drag than other brands.
- Vent port with bronze filter gives the cylinder a place to breathe and helps keep chips from drawing past wipers.
- Specially designed springs run longer and require less maintenance.
* Cylinder capacities are listed at 350 bar (35 MPa) maximum operating pressure. The output force can be adjusted by varying the hydraulic system pressure. To calculate the approximate output force for your application, multiply the Piston Area times Your System Operating Pressure. Actual force may vary slightly due to frictional losses, seal and wiper drag and/or return spring forces.
| Model No. | Clamp Capacity (kN) Retract | Stroke (mm) | Body Size (mm) | Extended Height (mm) | Piston Area (cm²) Retract | Oil Capacity Retract (cm³) |
|---|---|---|---|---|---|---|
| 42-5111-01 | 5.9 | 25.5 | 44.5 X 51 | 109 | 1.7 | 4.4 |
| 42-5111-02 | 5.9 | 51 | 44.5 X 51 | 163.5 | 1.7 | 8.8 |
| 42-5111-51 | 17.5 | 25.5 | 51 X 63.5 | 111 | 5.0 | 12.7 |
| 42-5111-52 | 17.5 | 51 | 51 X 63.5 | 165 | 5.0 | 25.4 |
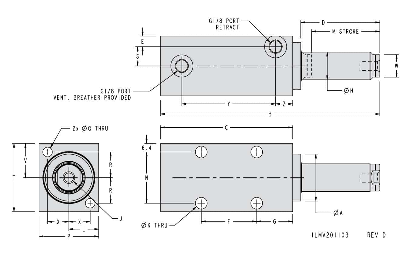
| Model No. | A | B | C | D | E | F | G | H | J | K | L | M | N | P | Q | R | S | T | V | W | X | Y | Z |
|---|---|---|---|---|---|---|---|---|---|---|---|---|---|---|---|---|---|---|---|---|---|---|---|
| 42-5111-01 | 35 | 109 | 69.5 | 33.5 | 8 | N/A | 27 | 20.64 | M8 X 1.25 X 11 | 8.7 | 22 | 25.5 | 38.1 | 44.5 | 7.1 | 19 | 14.5 | 51 | 25.5 | 17 | 16 | 41 | 12.5 |
| 42-5111-02 | 35 | 163.5 | 98.5 | 59 | 8 | 41.3 | 27 | 20.64 | M8 X 1.25 X 11 | 8.7 | 22 | 51 | 38.1 | 44.5 | 7.1 | 19 | 14.5 | 51 | 25.5 | 17 | 16 | 70 | 12.5 |
| 42-5111-51 | 44.5 | 111 | 69.5 | 35.5 | 8 | N/A | 27 | 28.58 | M12 X 1.75 X 13 | 8.7 | 25.5 | 25.5 | 50.8 | 51 | 8.7 | 24 | 17.5 | 63.5 | 32 | 25 | 18 | 41 | 12.5 |
| 42-5111-52 | 44.5 | 165.5 | 98.5 | 61 | 8 | 41.3 | 27 | 28.58 | M12 X 1.75 X 13 | 8.7 | 25.5 | 51 | 50.8 | 51 | 8.7 | 24 | 17.5 | 63.5 | 32 | 25 | 18 | 70 | 12.5 |
You have questions? WE HAVE ANSWERS!
Use the contact button below to be connected with one of our team of experts.