Cartridge Mount Mini Cylinders
Single Acting
- Easy to use, basic hydraulic cylinders in five capacities of manifold mount styles.
- Adjustable force ranging from minimal to maximum cylinder capacity, by adjusting the input pressure.
- Reduce or eliminate part distortion by providing accurate clamping force.
- Manifold mounting eliminates exposed tubing for clean, compact, clutter free fixtures.
Special tough wipers help keep chips and contaminants out of all cylinder sizes. Positive piston stop shoulder keeps the spring from bottoming out, guarding against premature spring failure which can plague other cylinder brands. BHC™ (Black Hard Coating) on the cylinder body helps prevent scoring and scratching. After years of use, cylinder removal is easier because of the corrosion resistance of BHC™.
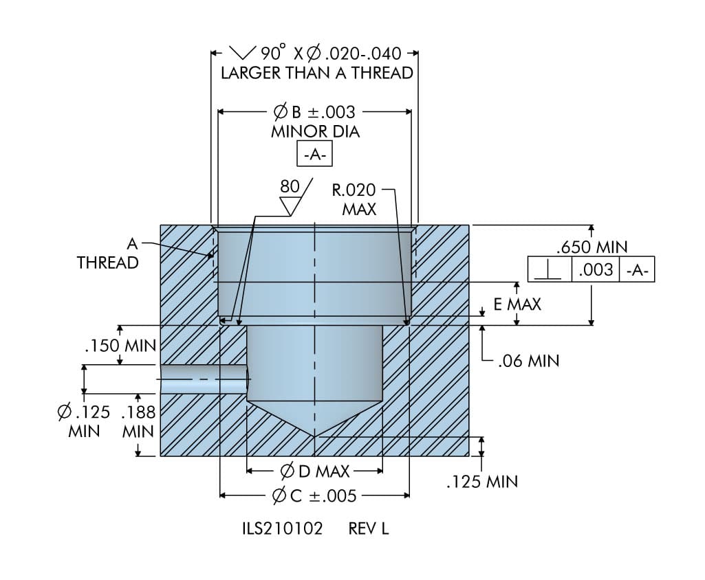
* All cylinder pistons are chrome plated, hardened alloy steel with the exception of Model# 21-0102-00 which has a piston made of unhardened stainless steel.
** Cylinder capacities are listed at 5,000 psi maximum operating pressure. The output force is adjustable by varying the hydraulic system pressure. To determine approximate output force for your application, multiply the piston area by the operating pressure. Actual force may vary slightly due to friction loss, seal and wiper drag and/or return springs.
* Both metal and composite gaskets are supplied. Use only one gasket. The metal gasket is recommended when the cavity seal surface has a very smooth finish and is flat and perpendicular to the minor diameter. The metal gasket must be torqued to a higher value, which is more resilient to machine vibrations providing long term sealing. The composite gasket is recommended when the cavity seal surface has a rough surface finish or is not flat.
| Model No. | Clamp Capacity (lb.) Extend | Stroke (in.) | Body Thread | Minimum Length (in) | Piston Area (sq. in.) Extend | Oil Capacity Extend (cu. in.) |
|---|---|---|---|---|---|---|
| 21-0102-00 | 125 | 0.12 | 3/8 - 24 | 1.16 | 0.028 | 0.004 |
| 21-0104-02 | 550 | 0.20 | 5/8 - 18 | 1.14 | 0.110 | 0.021 |
| 21-0105-03 | 980 | 0.25 | 3/4 - 16 | 1.48 | 0.196 | 0.049 |
| 21-0105-04 | 980 | 0.25 | 3/4 - 16 | 1.44 | 0.196 | 0.049 |
| 21-0105-05 | 980 | 0.50 | 3/4 - 16 | 1.83 | 0.196 | 0.098 |
| 21-0105-06 | 980 | 0.50 | 3/4 - 16 | 1.83 | 0.196 | 0.098 |
| 21-0108-04 | 2200 | 0.38 | 1 1/16 - 16 | 1.36 | 0.442 | 0.166 |
| 21-0108-05 | 2200 | 0.38 | 1 1/16 - 16 | 1.32 | 0.442 | 0.166 |
| 21-0108-08 | 2200 | 0.75 | 1 1/16 - 16 | 2.43 | 0.442 | 0.332 |
| 21-0110-04 | 3900 | 0.31 | 1 5/16 - 16 | 1.47 | 0.785 | 0.243 |
| 21-0110-05 | 3900 | 0.50 | 1 5/16 - 16 | 1.66 | 0.785 | 0.394 |
| Model No. | A | B | C | D | E | F | G | H | J | K | L | M |
|---|---|---|---|---|---|---|---|---|---|---|---|---|
| 21-0102-00 | 3/8 - 24 | 1.16 | 0.12 | 0.125 | 0.86 | 0.04 | 0.11 | 0.31 | N/A | N/A | 0.313 | .025 Metal / N/A Composite |
| 21-0104-02 | 5/8 - 18 | 1.09 | 0.20 | 0.203 | 0.69 | 0.02 | 0.18 | 0.50 | N/A | 0.25 | 0.539 | .035 Metal / .040 Composite |
| 21-0105-03 | 3/4 - 16 | 1.48 | 0.25 | 0.203 | 0.98 | 0.06 | 0.25 | 0.63 | N/A | 0.25 | 0.656 | .035 Metal / .040 Composite |
| 21-0105-04 | 3/4 - 16 | 1.44 | 0.25 | 0.203 | 0.98 | 0.03 | 0.25 | 0.63 | 8 - 32 X 0.25 | N/A | 0.656 | .035 Metal / .040 Composite |
| 21-0105-05 | 3/4 - 16 | 1.83 | 0.50 | 0.203 | 1.24 | 0.18 | 0.25 | 0.63 | N/A | 0.25 | 0.656 | .035 Metal / .040 Composite |
| 21-0105-06 | 3/4 - 16 | 1.83 | 0.50 | 0.203 | 1.24 | 0.18 | 0.25 | 0.63 | 8 - 32 X 0.25 | N/A | 0.656 | .035 Metal / .040 Composite |
| 21-0108-04 | 1 1/16 - 16 | 1.36 | 0.38 | 0.312 | 0.61 | 0.06 | 0.50 | 0.87 | N/A | 0.75 | 0.916 | .035 Metal / .040 Composite |
| 21-0108-05 | 1 1/16 - 16 | 1.32 | 0.38 | 0.312 | 0.61 | 0.03 | 0.50 | 0.87 | 1/4 - 20 X 0.38 | N/A | 0.916 | .035 Metal / .040 Composite |
| 21-0108-08 | 1 1/16 - 16 | 2.43 | 0.75 | 0.312 | 1.69 | 0.06 | 0.50 | 0.87 | 1/4 - 20 X 0.44 | N/A | 0.916 | .035 Metal / .040 Composite |
| 21-0110-04 | 1 5/16 - 16 | 1.47 | 0.31 | 0.312 | 0.72 | 0.09 | 0.63 | 1.00 | 1/4 - 20 X 0.50 | N/A | 1.222 | .035 Metal / .040 Composite |
| 21-0110-05 | 1 5/16 - 16 | 1.66 | 0.50 | 0.312 | 0.95 | 0.09 | 0.63 | 1.00 | 1/4 - 20 X 0.50 | N/A | 1.222 | .035 Metal / .040 Composite |
| Model No. | A | B | C | D | E | Metal Gasket Torque (FT-LB) | Composite Gasket Torque (FT-LB) |
|---|---|---|---|---|---|---|---|
| 21-0102-00 | 3/8 - 24 UNF - 2B | 0.335 | 0.325 | 0.13 | 1.000 | 10 | N/A |
| 21-0104-02 | 5/8 - 18 UNF - 2B | 0.572 | 0.545 | 0.31 | 0.156 | 30 | 15 |
| 21-0105-03 | 3/4 - 16 UNF - 2B | 0.690 | 0.662 | 0.38 | 0.156 | 40 | 20 |
| 21-0105-04 | 3/4 - 16 UNF - 2B | 0.690 | 0.662 | 0.38 | 0.156 | 40 | 20 |
| 21-0105-05 | 3/4 - 16 UNF - 2B | 0.690 | 0.662 | 0.38 | 0.156 | 40 | 20 |
| 21-0105-06 | 3/4 - 16 UNF - 2B | 0.690 | 0.662 | 0.38 | 0.156 | 40 | 20 |
| 21-0108-04 | 1 1/16 - 16 UN - 2B | 1.002 | 0.923 | 0.63 | 0.281 | 50 | 25 |
| 21-0108-05 | 1 1/16 - 16 UN - 2B | 1.002 | 0.923 | 0.63 | 0.281 | 50 | 25 |
| 21-0108-08 | 1 1/16 - 16 UN - 2B | 1.002 | 0.923 | 0.63 | 0.281 | 50 | 25 |
| 21-0110-04 | 1 5/16 - 16 UN - 2B | 1.253 | 1.228 | 0.88 | 0.281 | 60 | 35 |
| 21-0110-05 | 1 5/16 - 16 UN - 2B | 1.253 | 1.228 | 0.88 | 0.281 | 60 | 35 |
You have questions? WE HAVE ANSWERS!
Use the contact button below to be connected with one of our team of experts.