Language: EN

Unclamp Delay Valve

Accessory Valves

Temporarily Hold Parts During Unclamp

  • Set delay to control unclamp in single acting devices. Use in single or double acting systems.
  • Eliminate workpiece movement, caused by backpressure, when unclamping over a work support.
  • Normally open valve allows free fluid flow through the valve during clamping.
  • Does not require B pilot line to open.
  • Stainless steel internal components for superior corrosion resistance.

OPERATION: The VektorFlo® Unclamp Delay Valve operates as a normally open element in a hydraulic clamping system. Low pressure fluid flows freely through the valve to downstream devices. As pressure in the system builds, the mechanical pilot piston moves away from the check valve allowing it to close. Full system pressure is reached and flow in the system stops. If pressure leaks off in downstream devices, the check valve will re-open and replenish pressure. During unclamping, inlet pressure falls with main system pressure but downstream pressure is held constant by the check valve.

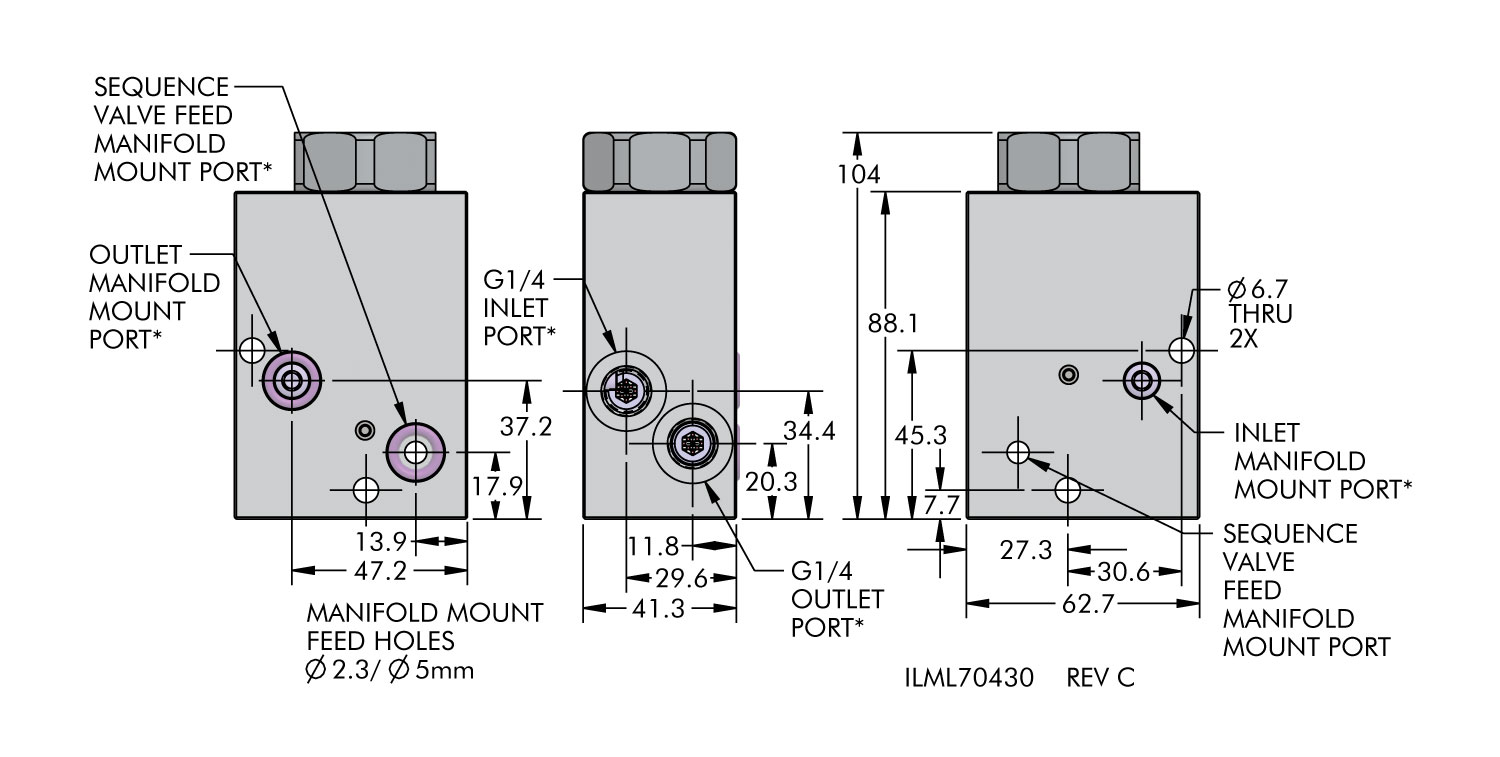
* Manifold mount o-rings included. Ships with all ports plugged.
** Maximum inlet pressure 10 MPa. Excess pressure voids warranty.
*** Duration of time delay may vary depending on the viscosity of oil in the application. If longer delays are required (up to 20 sec), contact Vektek Customer Support for assistance.

For proper sealing, the mating surface must be flat within 0.08 mm with a maximum surface roughness of 1.6 mµ Ra.

Model No.Set Pressure RangeTime Delay Preset (sec.)FiltrationMax Flow
L7-0431-002 - 10 MPa3 - 7 seconds using ISO 32 Fluid25 micron All Ports11.4 l/min

You have questions? WE HAVE ANSWERS!

Use the contact button below to be connected with one of our team of experts.