Language: EN

Pilot/Manual Operated Check Valves

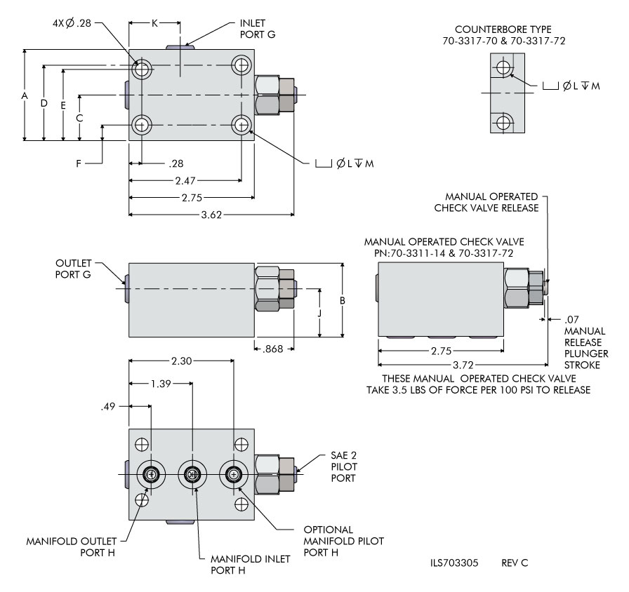
Manifold and Cartridge Mount

  • Sealed pilot piston eliminates cross circuit leakage.
  • 5:1 Ratio of Pilot to Check pressure for release.
  • Flows up to 1.5 gal/min at 5,000 psi maximum pressure.
  • See Cartridge tab for cartridge details.

For proper sealing, mating surface must be flat within 0.003 in with a maximum 63 µ in Ra surface finish.

Cartridge Mount Pilot and Manual Operated Check Valves
Sealed Pilot Piston eliminated cross circuit leakage. Flows up to 1.5gal/min at 5,000psi maximum pressure.

Cavity Dimensions and Multi-Step Carbide Cavity Contour Tool with Tap Kit

 

Model No.Mounting StyleAction
70-3311-13SAE / ManifoldPilot Operated Check Valve
70-3311-14Manifold / SAE, ManualPilot Operated Check Valve
70-3317-70ManifoldPilot Operated Check Valve
70-3317-72Manifold Only, ManualPilot Operated Check Valve
Model No.Mounting StyleABCDEFGHJKLM
70-3311-13SAE / Manifold2.001.631.001.661.560.34SAE 6SAE 2 Plug1.061.130.280.44
70-3311-14Manifold / SAE, Manual2.001.631.001.661.560.34SAE 6SAE 2 Plug1.061.130.280.44
70-3317-70Manifold1.751.500.881.531.440.22N/AN/A0.94N/A0.280.44
70-3317-72Manifold Only, Manual1.751.500.881.531.440.22N/AN/A0.94N/A0.280.44
Model No.Mounting StyleAction
70-3337-71CartridgePilot Operated Check Valve
70-3337-72CartridgeManual Operated Check Valve
Model No.Description
62-7060-00KIT, MULTISTEP CAVITY TOOL, T-11A DRILL, REAMER, M20X1.5 TAP

You have questions? WE HAVE ANSWERS!

Use the contact button below to be connected with one of our team of experts.