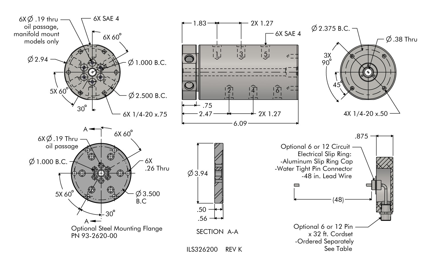
Rotating Union, 6 Path
Miscellaneous Plumbing
Operating Parameter Guidelines
- Max Pressure: 5,000 psi
- Max Vacuum 30 Hg
- Max RPM under vacuum: contact factory
- Max RPM under pressure: see table.
- Max Operating Temperature with slip ring 0 – 176° F
- Max Operating Temperature without slip ring 0 – 220° F
- Air may be run in any available passage
- Rotating unions are not intended to be a structural member. It is recommended that the anti-rotate arm should attach to the stationary part of the union and should be minimized. Please contact Vektek for technical assistance.
- Separate air and fluid with extra passage between each.
- ** Optional Mounting Flange: 93-2620-00
For proper sealing, mating surface must be flat within 0.003 with a maximum 32 µin Ra surface finish.
* O-Rings furnished: -010, 70A, NBR Part No. 55-2500-01
** Optional Mounting Flange includes:
6 SHCS 1/4-20 x 1/2 (Part No. 21-4100-63)
6 O-Rings -010, 70A NBR (Part No. 55-2500-01)
1 O – Rings -012, 70A NBR (Part No. 39-0020-09)
1 O-Rings – 013, 70A NBR (Part No. 39-0000-72)
*** Order cord set separately.
** Optional Mounting Flange includes:
6 SHCS 1/4-20 x 1/2 (Part No. 21-4100-63)
6 O-Rings -010, 70A NBR (Part No. 55-2500-01)
1 O – Rings -012, 70A NBR (Part No. 39-0020-09)
1 O-Rings – 013, 70A NBR (Part No. 39-0000-72)
*** Order cord set separately.
Installation instructions available, request IS3205.
| Model No. | Hydraulic Connection | Electrical Slip Ring Option | Maximum Current / Circuit | Max Volts / Circuit | Lead Wire Length | Cordset Part Number |
|---|---|---|---|---|---|---|
| 32-6246-00 | SAE 4 Ports | N/A | N/A | N/A | N/A | N/A |
| 32-6246-00-ES12A | SAE 4 Ports | 12 Circuit | 2 Amp | 120 VDC | 48 in. | 27-6424-02*** |
| 32-6246-00-ES6A | SAE 4 Ports | 6 Circuit | 2 Amp | 120 VAC | 48 in. | 27-6424-01*** |
| 32-6246-01 | O-ring Face Seal* | N/A | N/A | N/A | N/A | N/A |
| 32-6246-01-ES12A | O-ring Face Seal* | 12 Circuit | 2 Amp | 120 VDC | 48 in. | 27-6424-02*** |
| 32-6246-01-ES6A | O-ring Face Seal* | 6 Circuit | 2 Amp | 120 VAC | 48 in. | 27-6424-01*** |
| Model No. | Max RPM at 500 psi with Petroleum Based Fluids | Max RPM at 1000 psi with Petroleum Based Fluids | Max RPM at 2000 psi with Petroleum Based Fluids | Max RPM at 3000 psi with Petroleum Based Fluids | Max RPM at 4000 psi with Petroleum Based Fluids | Max RPM at 5000 psi with Petroleum Based Fluids |
|---|---|---|---|---|---|---|
| 32-6246-00 | 180 | 140 | 80 | 50 | 40 | 30 |
| 32-6246-00-ES12A | 100 | 100 | 80 | 50 | 40 | 30 |
| 32-6246-00-ES6A | 100 | 100 | 80 | 50 | 40 | 30 |
| 32-6246-01 | 180 | 140 | 80 | 50 | 40 | 30 |
| 32-6246-01-ES12A | 100 | 100 | 80 | 50 | 40 | 30 |
| 32-6246-01-ES6A | 100 | 100 | 80 | 50 | 40 | 30 |
You have questions? WE HAVE ANSWERS!
Use the contact button below to be connected with one of our team of experts.