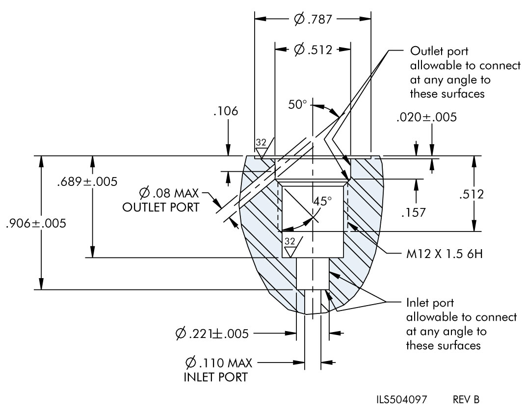
Pneumatic Confirmation Valve – CARTRIDGE
Pneumatic Valves
Confirm Clamp Stroke Position Pneumatically
The pneumatic confirmation valve confirms the stage of loading before or after clamping. It is adaptable to multiple devices including: swing clamps, link clamps, cylinders and supports.
Avoid machine crashes by confirming specific actions before you cycle your machine. It is designed to be used in both coolant and dry environments and is easily mounted either vertically or horizontally. Confirmation at its finest!
- Easily fine tune your fixture choosing between set and differential pressure
- Confirm signal is based on restricting air flow when testing function is present.
- Over-travel sensing will reopen if a device depresses plunger beyond the valve limit.
- Use Pneumatic Confirmation Valve with almost any clamping device.
- Assists in detecting missing or incorrectly loaded parts.
- Remote venting recommended in coolant applications.
- Feedback to machine automations and robotics through the pressure switch.
- 1/8 tube – M3 Connector Part No. P3-0370-20, Order separately.
* Pressure drop when one or more valves open. All valves must be closed for pressure confirmation. Plumb multiple valves in parallel.
| Model No. | Action | Max Air Pressure (psi) | Pressure Range (psi.) | Air Flow Rate (SCFM) | Differential Pressure 20 psi System Pressure | Differential Pressure 70 psi System Pressure | Plunger Stroke(in) | Spring Force (lb.) | Feed Port Nominal Diameter (in.) |
|---|---|---|---|---|---|---|---|---|---|
| 50-4095-01 | Standard | 145 | 10 - 70 | 0.354 - 0.706 | Min. 12 | Min. 45 | 0.40 Max | 1.5 - 3 | 0.079 |
| Model No. | Action | Max Air Pressure (psi) | Pressure Range (psi.) | Air Flow Rate (SCFM) | Differential Pressure 20 psi System Pressure | Differential Pressure 70 psi System Pressure | Plunger Stroke(in) | Spring Force (lb.) | Feed Port Nominal Diameter (in.) |
|---|---|---|---|---|---|---|---|---|---|
| 50-4095-00 | Over-Travel Sensing | 145 | 10 - 70 | 0.354 - 0.706 | Min. 12 | Min. 45 | 0.40 Max | 1.5 - 3 | 0.079 |
| Model No. | Action |
|---|---|
| 50-4095-01 | Standard |
| Model No. | Action |
|---|---|
| 50-4095-00 | Over-Travel Sensing |
You have questions? WE HAVE ANSWERS!
Use the contact button below to be connected with one of our team of experts.