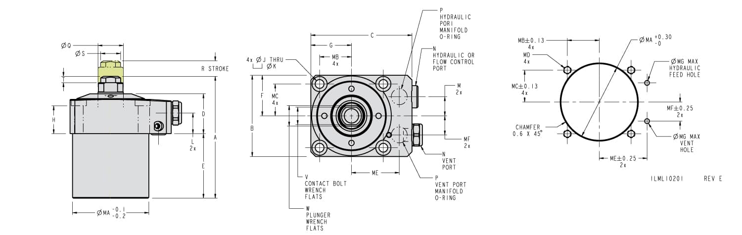
Fluid Advance Top Flange Work Support
7 MPa Work Supports
Retracted Plunger Applications
- Available in four capacities: 5.5 kN, 10 kN, 16 kN and 26kN.
- Normally retracted plungers do not interfere with part loading. Advance them with hydraulic pressure, exerting only spring force when contacting your part. Hydraulic pressure then automatically sequences, freezing the plunger properly against the part.
- Plunger contact spring available in both light and heavy forces.
- Minimal friction wiper design keeps chips and debris out while providing smooth plunger action.
- Bearing grade stainless steel clamping mechanism provides long trouble free life and protects against corrosion in most machining environments.
- Top flange work supports allow the designer to minimize distance from mounting surface to part providing compact and efficient fixture designs.
- In The Port flow control valves can be used to control the plunger advance rate on supports using manifold mount hydraulics.
- Optional In The Port flow control is a meter-in device with reverse free flow check valve.
- Optional In The Port sequence valve is a sequencing device with reverse free flow check valve.
Bearing grade stainless steel plunger and collet assembly helps guard against corrosion in most machining environments.
NOTE: Work Support Capacity to be equal to or greater than 1.5 times clamping force plus machining force. The maximum system back-pressure a fluid advance work support can overcome is 0.07 MPa (0.7 bar). Return back-pressure greater than 0.07 MPa (0.7 bar) may cause slow or failed retraction.
* Support capacities are listed at 7 MPa (70 bar) maximum pressure. Support capacities for other pressures are shown on the Capacity Charts.
** P in the formula is hydraulic pressure measured in MPa.
*** To allow for work piece height variations, it is recommended that the plunger contacts the part at Mid-Stroke.
**** Set plunger lifting time to 0.5 seconds, or longer, by adjusting the flow control valve. Use a flow control valve with cracking pressure of 0.1 MPa or less. In The Port valves require the use of manifold mount ports.
WARNING: Operating above 7 MPa may damage the work support and will void warranty.
* The P1, P2 and manifold ports are all connected and any of them can be chosen to connect hydraulic pressure. In-port devices can only be installed in P1.
Refer to contact bolt dimensions.
| Model No. | Support Capacity (kN) | Support Capacity Formula (kN) | Stroke (mm) | Contact Force (N) | Oil Capacity (cm³) | Port X For Optional In-Port Valves |
|---|---|---|---|---|---|---|
| L1-0215-00-H | 5.5 | (P-1) x 0.917 | 8 | 12.8 - 20.7 | 1.02 | G1/8 X 15.16 |
| L1-0215-00-L | 5.5 | (P-1) x 0.917 | 8 | 9.2 - 13.7 | 1.02 | G1/8 X 15.16 |
| L1-0216-00-H | 10 | (P-1) x 1.667 | 10 | 13.1 - 22.2 | 1.49 | G1/8 X 15.16 |
| L1-0216-00-L | 10 | (P-1) x 1.667 | 10 | 9.2 - 14.4 | 1.49 | G1/8 X 15.16 |
| L1-0220-00-H | 16 | (P-1) x 2.667 | 12 | 14.5 - 24.2 | 2.46 | G1/8 X 15.16 |
| L1-0220-00-L | 16 | (P-1) x 2.667 | 12 | 9.9 - 16.6 | 2.46 | G1/8 X 15.16 |
| L1-0222-00-H | 26 | (P-1) x 4.333 | 14 | 15.1 - 26.3 | 3.39 | G1/8 X 15.16 |
| L1-0222-00-L | 26 | (P-1) x 4.333 | 14 | 9.8 - 17.2 | 3.39 | G1/8 X 15.16 |
| Model No. | A | B | C | D | E | F | G | H | J | K | L | M | N | P | Q | R | S | T | V | W | MA | MB | MC | MD | ME | MF | MG |
|---|---|---|---|---|---|---|---|---|---|---|---|---|---|---|---|---|---|---|---|---|---|---|---|---|---|---|---|
| L1-0215-00-H | 68.5 | 45 | 57.5 | 24.5 | 32.5 | 22.5 | 22.5 | 17.5 | 5.5 | 9.5 | 13 | 9.5 | G 1/8 | ID 4.0 X CS 3.0 | 15 | 8 | 12.5 | 4 | 11 | 13 | 40 | 17 | 17 | M5 | 27 | 9.5 | 3 |
| L1-0215-00-L | 68.5 | 45 | 57.5 | 24.5 | 32.5 | 22.5 | 22.5 | 17.5 | 5.5 | 9.5 | 13 | 9.5 | G 1/8 | ID 4.0 X CS 3.0 | 15 | 8 | 12.5 | 4 | 11 | 13 | 40 | 17 | 17 | M5 | 27 | 9.5 | 3 |
| L1-0216-00-H | 76.5 | 51 | 63.5 | 25 | 40.5 | 25.5 | 25.5 | 17.5 | 5.5 | 9.5 | 13 | 12 | G 1/8 | ID 4.0 X CS 3.0 | 16 | 10 | 12.5 | 4 | 11 | 13 | 48 | 20 | 20 | M5 | 30 | 12 | 3 |
| L1-0216-00-L | 76.5 | 51 | 63.5 | 25 | 40.5 | 25.5 | 25.5 | 17.5 | 5.5 | 9.5 | 13 | 12 | G 1/8 | ID 4.0 X CS 3.0 | 16 | 10 | 12.5 | 4 | 11 | 13 | 48 | 20 | 20 | M5 | 30 | 12 | 3 |
| L1-0220-00-H | 86.5 | 60 | 71.5 | 25 | 46.5 | 30 | 30 | 16 | 6.8 | 11 | 13 | 13 | G 1/8 | ID 4.0 X CS 3.0 | 20 | 12 | 16.5 | 6 | 14 | 17 | 55 | 23.5 | 23.5 | M6 | 33.5 | 13 | 3 |
| L1-0220-00-L | 86.5 | 60 | 71.5 | 25 | 46.5 | 30 | 30 | 16 | 6.8 | 11 | 13 | 13 | G 1/8 | ID 4.0 X CS 3.0 | 20 | 12 | 16.5 | 6 | 14 | 17 | 55 | 23.5 | 23.5 | M6 | 33.5 | 13 | 3 |
| L1-0222-00-H | 102.5 | 70 | 82.5 | 29 | 57.5 | 35 | 35 | 16 | 6.8 | 11 | 13 | 17 | G 1/8 | ID 4.0 X CS 3.0 | 22 | 14 | 16.5 | 6 | 14 | 19 | 65 | 27.5 | 27.5 | M6 | 39.5 | 17 | 3 |
| L1-0222-00-L | 102.5 | 70 | 82.5 | 29 | 57.5 | 35 | 35 | 16 | 6.8 | 11 | 13 | 17 | G 1/8 | ID 4.0 X CS 3.0 | 22 | 14 | 16.5 | 6 | 14 | 19 | 65 | 27.5 | 27.5 | M6 | 39.5 | 17 | 3 |
| Model No. | Support Capacity (kN) | O-Ring Part Number | O-Ring Size | A | B | C | D | E | F | G |
|---|---|---|---|---|---|---|---|---|---|---|
| L1-0215-00-H | 5.5 | 39-0510-91 | 7.5 X 1.5 mm | 7.80 | 12.5 | 5.75 | 9.0 | 6.25 | 1.75 | M10 X 1.5 |
| L1-0215-00-L | 5.5 | 39-0510-91 | 7.5 X 1.5 mm | 7.80 | 12.5 | 5.75 | 9.0 | 6.25 | 1.75 | M10 X 1.5 |
| L1-0216-00-H | 10 | 39-0510-91 | 7.5 X 1.5 mm | 7.80 | 12.5 | 5.75 | 9.0 | 6.25 | 1.75 | M10 X 1.5 |
| L1-0216-00-L | 10 | 39-0510-91 | 7.5 X 1.5 mm | 7.80 | 12.5 | 5.75 | 9.0 | 6.25 | 1.75 | M10 X 1.5 |
| L1-0220-00-H | 16 | 39-0511-32 | 8.75 X 1.8 mm | 9.35 | 16.5 | 6.88 | 9.0 | 6.0 | 2.0 | M12 X 1.75 |
| L1-0220-00-L | 16 | 39-0511-32 | 8.75 X 1.8 mm | 9.35 | 16.5 | 6.88 | 9.0 | 6.0 | 2.0 | M12 X 1.75 |
| L1-0222-00-H | 26 | 39-0511-32 | 8.75 X 1.8 mm | 9.35 | 16.5 | 6.88 | 9.0 | 6.0 | 2.0 | M12 X 1.75 |
| L1-0222-00-L | 26 | 39-0511-32 | 8.75 X 1.8 mm | 9.35 | 16.5 | 6.88 | 9.0 | 6.0 | 2.0 | M12 X 1.75 |
You have questions? WE HAVE ANSWERS!
Use the contact button below to be connected with one of our team of experts.