Language: EN

Installation clamping module with central lock for automation solutions

Hydraulic

Model No.SizePull-in/locking force up to (kN)Holding Force (kN)Blow OutWeight (Kg)
570263KH2020551.4
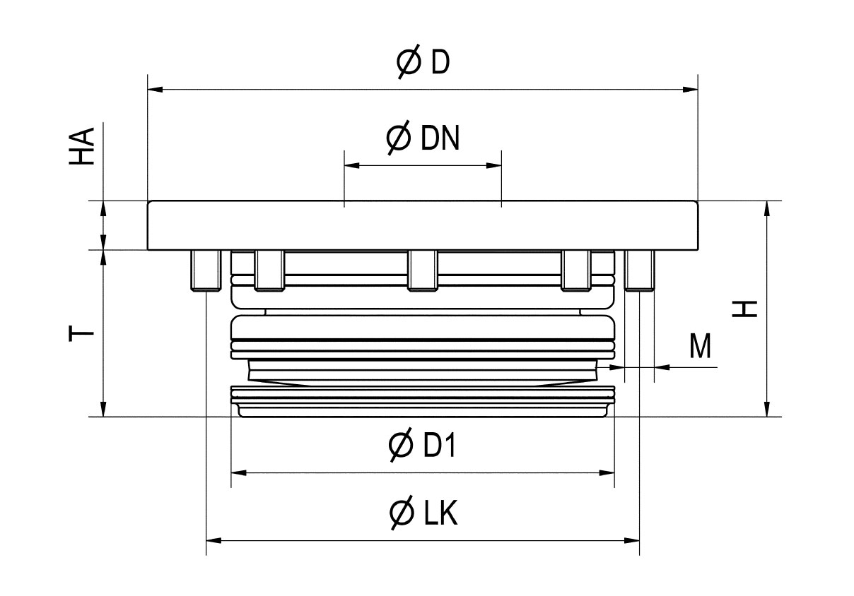
Model No.SizeDDND1 (mm)HHALKMT
570263KH20112327844108M634

Design:
With central lock, blow-out, support control and opening control.

Application:
Zero-point clamping system for automation solutions for set up-time-optimised clamping during cutting and non-cutting machining.

  • Hydraulic opening.
  • Pneumatic blow-out.
  • Opening operating pressure: min. 60 bar – max. 70 bar.
  • Cover and piston hardened.
  • Repetition accuracy < 0.005 mm.
  • With opening control (pneum.) and support control (pneum.).

Note:
Central lock with pneum. cleaning function of support surfaces. Fastening and installation of the pull-stud by means of DIN ISO countersunk head screw M12. Opening control: Dynamic pressure with opened clamping module, flow-through with locked clamping module. Support control via the blow-out function: Dynamic pressure with supported interchangeable pallet. The installation clamping module is opened hydraulically and mechanically locked through spring force. Subsequent uncoupling of the pressure line is possible at any time (module is clamped at normal pressure).

The clamping module has four connections:
1 = hydr. opening
3 = pneum. Blow-out and support control
4 = pneum. Opening control inlet
5 = pneum. Opening control outlet