Language: EN

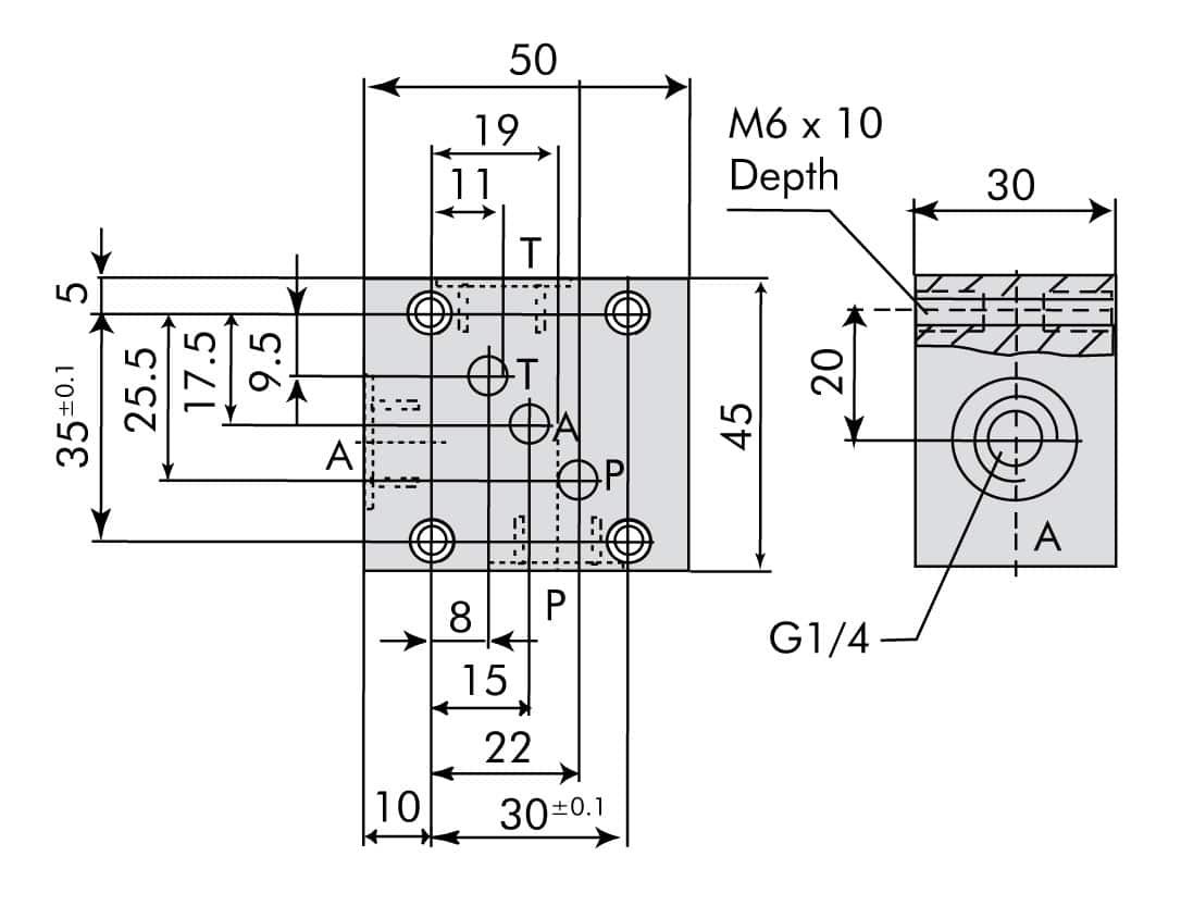
Seat Valve Subplate

Metric Directional Control Valves

For pipe connection in combination with:

  • 3/2-way Seat Valve Model No. 47-1112-52
  • 2/2-way Manual Seat Valve Model No. 47-0301-56
  • 3/2-way Manual Seat Valve Model No. 47-0301-57
Model No.Body Size (mm)Port TypeWeight
47-0941-5750 x 45 x 303 x G 1/4450 g