Link Clamp Levers
Link Clamps
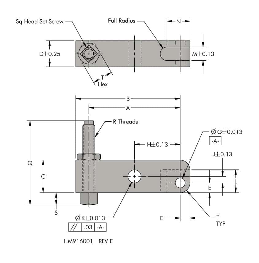
NOTE: See Clamping Force and Tables for the clamping force of various lever lengths and pressures. (Actual force will vary slightly due to mechanical inefficiencies, friction and/or return springs.)
| Model No. | Clamp Capacity (kN) | A | B | C | D | E | F | G | H | J | K | L | M | N | Q | R | S | T |
|---|---|---|---|---|---|---|---|---|---|---|---|---|---|---|---|---|---|---|
| 91-6004-03 | 1.5 / 2 | 44.5 | 50.8 | 16.0 | 12.70 | 4.8 | 4.8 | 4.788 | 22.2 | 3.2 | 6.363 | 11.2 | 6.60 | 11.2 | 36.8 | M6 x 1 | 6.0 | 10 |
| 91-6006-03 | 3 / 5 | 57.2 | 63.5 | 22.4 | 15.88 | 6.4 | 6.4 | 6.388 | 28.6 | 3.2 | 9.538 | 14.2 | 8.18 | 14.2 | 42.3 | M8 x 1.25 | 8.0 | 13 |
| 91-6009-03 | 6 / 11 | 69.9 | 79.5 | 31.8 | 25.4 | 9.5 | 9.5 | 9.563 | 34.9 | 4.7 | 12.713 | 20.6 | 12.95 | 20.6 | 62.8 | M10 x 1.5 | 10.0 | 16 |
| 91-6014-03 | 13 / 22 | 88.9 | 101.6 | 44.5 | 31.75 | 12.7 | 12.7 | 12.738 | 44.5 | 6.4 | 15.888 | 30.2 | 16.13 | 30.2 | 83.3 | M12 x 1.75 | 12.0 | 18 |
| Model No. | Clamp Capacity (kN) | A | B | C | D | E | F | G | H | J | K | L | M | N | Q | R | S | T |
|---|---|---|---|---|---|---|---|---|---|---|---|---|---|---|---|---|---|---|
| 91-6004-02 | 1.5 / 2 | N/A | 73.2 | 16.0 | 12.70 | 4.8 | 4.8 | 4.788 | 22.2 | 3.2 | 6.363 | 11.2 | 6.60 | 11.2 | 36.8 | N/A | N/A | N/A |
| 91-6006-02 | 3 / 5 | N/A | 92.2 | 22.4 | 15.88 | 6.4 | 6.4 | 6.388 | 28.6 | 3.2 | 9.538 | 14.2 | 8.18 | 14.2 | 42.3 | N/A | N/A | N/A |
| 91-6009-02 | 6 / 11 | N/A | 114.3 | 31.8 | 25.40 | 9.5 | 9.5 | 9.563 | 34.9 | 4.7 | 12.713 | 20.6 | 12.95 | 20.6 | 62.8 | N/A | N/A | N/A |
| 91-6014-02 | 13 / 22 | N/A | 146.1 | 44.5 | 31.75 | 12.7 | 12.7 | 12.738 | 44.5 | 6.4 | 15.888 | 30.2 | 16.13 | 30.2 | 83.3 | N/A | N/A | N/A |